0
SN74HC595B
  • SN74HC595B
  • SN74HC595B

SN74HC595B

ACTIVE

8-Bit Shift Registers With 3-State Output

Texas Instruments SN74HC595B Product Info

1 April 2026 0

Parameters

Configuration

Serial-in, Parallel-out

Bits (#)

8

Technology family

HC

Supply voltage (min) (V)

2

Supply voltage (max) (V)

6

Input type

Standard CMOS

Output type

3-State

Clock frequency (MHz)

24

IOL (max) (mA)

7.8

IOH (max) (mA)

-7.8

Supply current (max) (µA)

160

Features

Balanced outputs, High speed (tpd 10-50ns), Positive input clamp diode

Operating temperature range (°C)

-55 to 125

Rating

Catalog

Package

X1QFN (RWN)-16-6.25 mm² 2.5 x 2.5

Features

  • 8-Bit Serial-In, Parallel-Out Shift Registers
  • Available in Ultra Small Logic QFN package(0.5 mm
    max height)
  • Over-Voltage Tolerant on Inputs Independent of Vcc
  • Wide Operating Voltage Range of 2 V to 6 V
  • High-Current 3-State Outputs Can Drive Up to 15
    LSTTL Loads
  • Low Power Consumption: 80-µA (Maximum) ICC
  • tpd = 13 ns (Typical)
  • ±6-mA Output Drive at 5 V
  • Low Input Current: 1 µA (Maximum)
  • Shift Register Has Direct Clear
  • -55oC to 125oC Operating Temperature
  • 8-Bit Serial-In, Parallel-Out Shift Registers
  • Available in Ultra Small Logic QFN package(0.5 mm
    max height)
  • Over-Voltage Tolerant on Inputs Independent of Vcc
  • Wide Operating Voltage Range of 2 V to 6 V
  • High-Current 3-State Outputs Can Drive Up to 15
    LSTTL Loads
  • Low Power Consumption: 80-µA (Maximum) ICC
  • tpd = 13 ns (Typical)
  • ±6-mA Output Drive at 5 V
  • Low Input Current: 1 µA (Maximum)
  • Shift Register Has Direct Clear
  • -55oC to 125oC Operating Temperature

Description

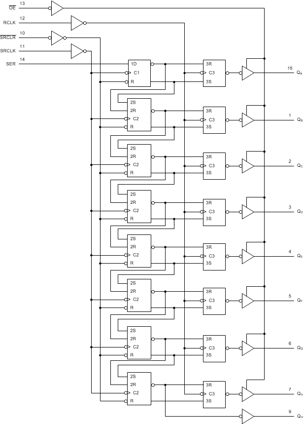
The SN74HC595B devices contain an 8-bit, serial-in, parallel-out shift register that feeds an 8-bit D-type storage register. The storage register has parallel 3-state outputs. Separate clocks are provided for both the shift register and storage register. The shift register has a direct overriding clear (SRCLR) input, serial (SER) input, and serial outputs for cascading. When the output-enable (OE) input is high, the all outputs are in the high-impedance state except Q.

The SN74HC595B devices contain an 8-bit, serial-in, parallel-out shift register that feeds an 8-bit D-type storage register. The storage register has parallel 3-state outputs. Separate clocks are provided for both the shift register and storage register. The shift register has a direct overriding clear (SRCLR) input, serial (SER) input, and serial outputs for cascading. When the output-enable (OE) input is high, the all outputs are in the high-impedance state except Q.

Subscribe to Welllinkchips !
Your Name
* Email
Submit a request