0
TPS57160-Q1
  • TPS57160-Q1
  • TPS57160-Q1
  • TPS57160-Q1

TPS57160-Q1

ACTIVE

Automotive 3.5V to 60V, 1.5A Buck Converter with Eco-Mode™

Texas Instruments TPS57160-Q1 Product Info

1 April 2026 0

Parameters

Rating

Automotive

Topology

Buck

Iout (max) (A)

1.5

Vin (max) (V)

60

Vin (min) (V)

3.5

Vout (max) (V)

58

Vout (min) (V)

0.8

Features

Enable, Frequency synchronization, Light Load Efficiency, Over Current Protection, Power good, Soft Start Adjustable, Tracking, UVLO adjustable

Control mode

current mode

Operating temperature range (°C)

-40 to 125

Iq (typ) (A)

0.000116

Duty cycle (max) (%)

100

Package

HVSSOP (DGQ)-10-14.7 mm² 3 x 4.9

Features

  • Qualified for Automotive Applications
  • 3.5-V to 60-V Input Voltage Range
  • 200-mΩ High-Side MOSFET
  • High Efficiency at Light Loads With Pulse-
    Skipping Eco-mode™ Control Scheme
  • 116-µA Operating Quiescent Current
  • 1.5-µA Shutdown Current
  • 100-kHz to 2.5-MHz Switching Frequency
  • Synchronizes to External Clock
  • Adjustable Slow Start/Sequencing
  • Undervoltage and Overvoltage Power-good Output
  • Adjustable Undervoltage Lockout (UVLO) Voltage
    and Hysteresis
  • 0.8-V Internal Voltage Reference
  • Supported by SwitcherPro™ Software Tool
    (ti.com/tool/switcherpro)
  • Z-Suffix Offers Improved Delamination
  • Qualified for Automotive Applications
  • 3.5-V to 60-V Input Voltage Range
  • 200-mΩ High-Side MOSFET
  • High Efficiency at Light Loads With Pulse-
    Skipping Eco-mode™ Control Scheme
  • 116-µA Operating Quiescent Current
  • 1.5-µA Shutdown Current
  • 100-kHz to 2.5-MHz Switching Frequency
  • Synchronizes to External Clock
  • Adjustable Slow Start/Sequencing
  • Undervoltage and Overvoltage Power-good Output
  • Adjustable Undervoltage Lockout (UVLO) Voltage
    and Hysteresis
  • 0.8-V Internal Voltage Reference
  • Supported by SwitcherPro™ Software Tool
    (ti.com/tool/switcherpro)
  • Z-Suffix Offers Improved Delamination

Description

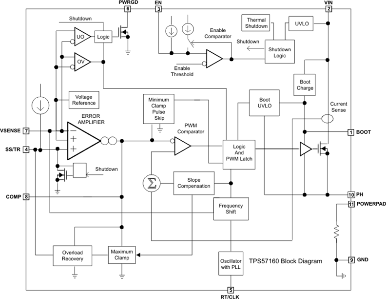
The TPS57160-Q1 device is a 60-V 1.5-A step-down regulator with an integrated high-side MOSFET. Current-mode control provides simple external compensation and flexible component selection. A low-ripple pulse-skip mode reduces the no load, input supply current to 116 µA. Using the enable pin, shutdown supply current is reduced to 1.5 µA.

Undervoltage lockout is set internally at 2.5 V but can be increased using the enable pin. The output voltage startup ramp is controlled by the slow-start pin that can also be configured for sequencing or tracking. An open-drain power-good signal indicates the output is within 92% to 109% of the nominal voltage.

A wide switching frequency range allows efficiency and external component size to be optimized. Frequency foldback and thermal shutdown protects the part during an overload condition.

The TPS57160-Q1 device is available in a 10-pin thermally enhanced MSOP-PowerPAD™ (DGQ) or 10-pin VSON (DRC) package. The Z-suffix offers reduced delamination compared to standard device.

The TPS57160-Q1 device is a 60-V 1.5-A step-down regulator with an integrated high-side MOSFET. Current-mode control provides simple external compensation and flexible component selection. A low-ripple pulse-skip mode reduces the no load, input supply current to 116 µA. Using the enable pin, shutdown supply current is reduced to 1.5 µA.

Undervoltage lockout is set internally at 2.5 V but can be increased using the enable pin. The output voltage startup ramp is controlled by the slow-start pin that can also be configured for sequencing or tracking. An open-drain power-good signal indicates the output is within 92% to 109% of the nominal voltage.

A wide switching frequency range allows efficiency and external component size to be optimized. Frequency foldback and thermal shutdown protects the part during an overload condition.

The TPS57160-Q1 device is available in a 10-pin thermally enhanced MSOP-PowerPAD™ (DGQ) or 10-pin VSON (DRC) package. The Z-suffix offers reduced delamination compared to standard device.

Subscribe to Welllinkchips !
Your Name
* Email
Submit a request