0
SN74HC594
  • SN74HC594
  • SN74HC594
  • SN74HC594
  • SN74HC594

SN74HC594

ACTIVE

8-Bit Shift Registers With Output Registers

Texas Instruments SN74HC594 Product Info

1 April 2026 1

Parameters

Configuration

Serial-in, Parallel-out

Bits (#)

8

Technology family

HC

Supply voltage (min) (V)

2

Supply voltage (max) (V)

6

Input type

Standard CMOS

Output type

Push-Pull

Clock frequency (MHz)

24

IOL (max) (mA)

7.8

IOH (max) (mA)

-7.8

Supply current (max) (µA)

80

Features

Balanced outputs, High speed (tpd 10-50ns), Output register, Positive input clamp diode

Operating temperature range (°C)

-40 to 125

Rating

Catalog

Package

PDIP (N)-16-181.42 mm² 19.3 x 9.4

Features

  • Wide Operating Voltage Range of 2 V to 6 V
  • High-Current Outputs Can Drive up to
    15 LSTTL Loads
  • Low Power Consumption, 80-µA Maximum ICC
  • Typical tpd = 15 ns
  • ±6-mA Output Drive at 5 V
  • Low Input Current of 1 µA Maximum
  • 8-Bit Serial-In, Parallel-Out Shift Registers With
    Storage
  • Independent Direct Overriding Clears on Shift and
    Storage Registers
  • Independent Clocks for Both Shift and
    Storage Registers
  • Wide Operating Voltage Range of 2 V to 6 V
  • High-Current Outputs Can Drive up to
    15 LSTTL Loads
  • Low Power Consumption, 80-µA Maximum ICC
  • Typical tpd = 15 ns
  • ±6-mA Output Drive at 5 V
  • Low Input Current of 1 µA Maximum
  • 8-Bit Serial-In, Parallel-Out Shift Registers With
    Storage
  • Independent Direct Overriding Clears on Shift and
    Storage Registers
  • Independent Clocks for Both Shift and
    Storage Registers

Description

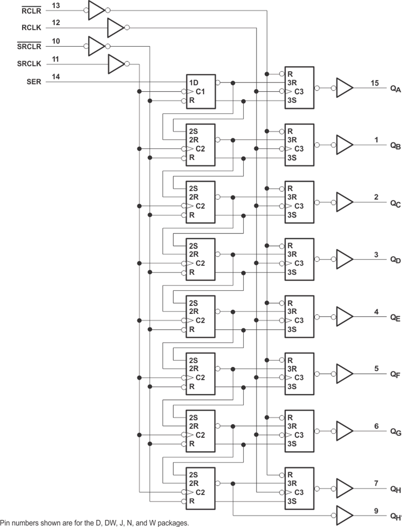
The SNx4HC594 devices contain an 8-bit serial-in, parallel-out shift register that feeds an 8-bit D-type storage register. Separate clocks and direct overriding clear (RCLR, SRCLR) inputs are provided on both the shift and storage registers. A serial (Q) output is provided for cascading purposes.

Both the shift register (SRCLK) and storage register (RCLK) clocks are positive edge triggered. If both clocks are connected together, the shift register always is one count pulse ahead of the storage register.

The parallel (QA – QH) outputs have high-current capability. Q is a standard output.

The SNx4HC594 devices contain an 8-bit serial-in, parallel-out shift register that feeds an 8-bit D-type storage register. Separate clocks and direct overriding clear (RCLR, SRCLR) inputs are provided on both the shift and storage registers. A serial (Q) output is provided for cascading purposes.

Both the shift register (SRCLK) and storage register (RCLK) clocks are positive edge triggered. If both clocks are connected together, the shift register always is one count pulse ahead of the storage register.

The parallel (QA – QH) outputs have high-current capability. Q is a standard output.

Subscribe to Welllinkchips !
Your Name
* Email
Submit a request