0
TPS548A28
  • TPS548A28
  • TPS548A28

TPS548A28

ACTIVE

2.7-V to 16-V, 15-A synchronous buck converter with remote sense and 3-V LDO

Texas Instruments TPS548A28 Product Info

1 April 2026 1

Parameters

Rating

Catalog

Topology

Buck

Iout (max) (A)

15

Vin (max) (V)

16

Vin (min) (V)

2.7

Vout (max) (V)

5.5

Vout (min) (V)

0.6

Features

Adjustable current limit, Differential Remote Sense, Enable, Forced PWM, Light Load Efficiency, Over Current Protection, Power good, Pre-Bias Start-Up, Soft Start Adjustable, Synchronous Rectification, Tracking, UVLO Fixed

Control mode

D-CAP3

Operating temperature range (°C)

-40 to 125

Iq (typ) (A)

0.00068

Duty cycle (max) (%)

86

Package

VQFN-HR (RWW)-21-12 mm² 4 x 3

Features

  • 4-V to 16-V input range up to 15-A without external bias
  • 3-V to 16-V input range up to 12-A without external bias
  • 2.7-V to 16-V input range up to 15 A with external bias ranging from 3.13 V to 5.3 V
  • Output voltage range: 0.6 V to 5.5 V
  • Integrated 10.2-mΩ and 3.1-mΩ MOSFETs
  • D-CAP3™ with ultra fast load-step response
  • Supports all ceramic output capacitors
  • Differential remote sense with 0.6-V ±1% VREF for –40°C to +125°C junction temperature
  • Auto-skip Eco-mode™ for high light-load efficiency
  • Programmable current limit with RTRIP
  • Pin-selectable switching frequency: 600 kHz, 800 kHz, 1 MHz
  • Programmable soft-start time
  • External reference input for tracking
  • Prebiased startup capability
  • Open-drain power-good output
  • Hiccup for OC and UV faults, latch-off for OV Fault
  • 4-mm × 3-mm, 21-pin QFN package
  • Pin compatible with 12-A TPS54JA20
  • Fully RoHS compliant without exemption
  • 4-V to 16-V input range up to 15-A without external bias
  • 3-V to 16-V input range up to 12-A without external bias
  • 2.7-V to 16-V input range up to 15 A with external bias ranging from 3.13 V to 5.3 V
  • Output voltage range: 0.6 V to 5.5 V
  • Integrated 10.2-mΩ and 3.1-mΩ MOSFETs
  • D-CAP3™ with ultra fast load-step response
  • Supports all ceramic output capacitors
  • Differential remote sense with 0.6-V ±1% VREF for –40°C to +125°C junction temperature
  • Auto-skip Eco-mode™ for high light-load efficiency
  • Programmable current limit with RTRIP
  • Pin-selectable switching frequency: 600 kHz, 800 kHz, 1 MHz
  • Programmable soft-start time
  • External reference input for tracking
  • Prebiased startup capability
  • Open-drain power-good output
  • Hiccup for OC and UV faults, latch-off for OV Fault
  • 4-mm × 3-mm, 21-pin QFN package
  • Pin compatible with 12-A TPS54JA20
  • Fully RoHS compliant without exemption

Description

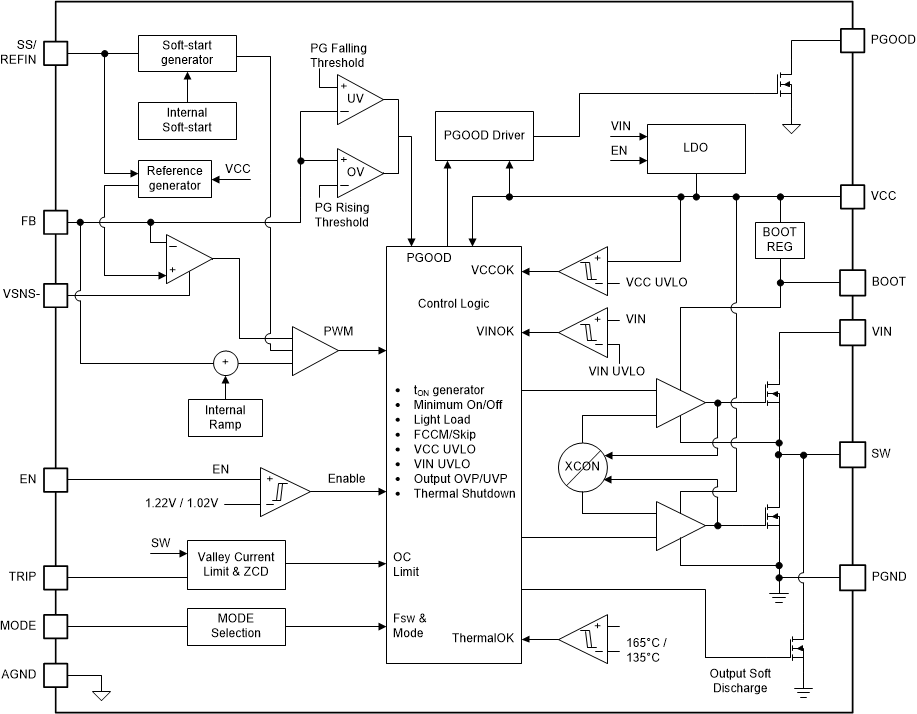
The TPS548A28 device is a small high-efficiency synchronous buck converter with an adaptive on-time D-CAP3 control mode. Since external compensation is not required, the device is easy to use and requires few external components. The device is well-suited for space-constrained data center applications.

The TPS548A28 device has differential remote sense, high-performance integrated MOSFETs, and an accurate ±1%, 0.6-V reference over the full operating junction temperature range. The device features fast load-transient response, accurate load regulation and line regulation, skip-mode or FCCM operation, and programmable soft start.

The TPS548A28 device is a lead-free device. It is fully RoHS-compliant without exemption.

The TPS548A28 device is a small high-efficiency synchronous buck converter with an adaptive on-time D-CAP3 control mode. Since external compensation is not required, the device is easy to use and requires few external components. The device is well-suited for space-constrained data center applications.

The TPS548A28 device has differential remote sense, high-performance integrated MOSFETs, and an accurate ±1%, 0.6-V reference over the full operating junction temperature range. The device features fast load-transient response, accurate load regulation and line regulation, skip-mode or FCCM operation, and programmable soft start.

The TPS548A28 device is a lead-free device. It is fully RoHS-compliant without exemption.

Subscribe to Welllinkchips !
Your Name
* Email
Submit a request