0
SN74HC367
  • SN74HC367
  • SN74HC367
  • SN74HC367
  • SN74HC367
  • SN74HC367

SN74HC367

ACTIVE

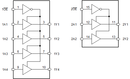
6-ch, 2-V to 6-V buffers with 3-state outputs

Texas Instruments SN74HC367 Product Info

1 April 2026 5

Parameters

Technology family

HC

Supply voltage (min) (V)

2

Supply voltage (max) (V)

6

Number of channels

6

IOL (max) (mA)

6

Supply current (max) (µA)

80

IOH (max) (mA)

-6

Input type

Standard CMOS

Output type

3-State

Features

Balanced outputs, Input clamp diode, Very high speed (tpd 5-10ns)

Rating

Catalog

Operating temperature range (°C)

-40 to 85

Package

PDIP (N)-16-181.42 mm² 19.3 x 9.4

Features

SN74HC367

Description

SN74HC367:6-ch, 2-V to 6-V buffers with 3-state outputs.Package:PDIP (N)-16-181.42 mm² 19.3 x 9.4

Subscribe to Welllinkchips !
Your Name
* Email
Submit a request