0
SN74AHC74
  • SN74AHC74
  • SN74AHC74
  • SN74AHC74
  • SN74AHC74
  • SN74AHC74
  • SN74AHC74
  • SN74AHC74
  • SN74AHC74
  • SN74AHC74
  • SN74AHC74

SN74AHC74

ACTIVE

Dual Positive-Edge-Triggered D-Type Flip-Flops With Clear and Preset

Texas Instruments SN74AHC74 Product Info

1 April 2026 0

Parameters

Number of channels

2

Technology family

AHC

Supply voltage (min) (V)

2

Supply voltage (max) (V)

5.5

Input type

Standard CMOS

Output type

Push-Pull

Clock frequency (max) (MHz)

110

IOL (max) (mA)

8

IOH (max) (mA)

-8

Supply current (max) (µA)

20

Features

Balanced outputs, High speed (tpd 10-50ns), Over-voltage tolerant inputs

Operating temperature range (°C)

-40 to 125

Rating

Catalog

Package

PDIP (N)-14-181.42 mm² 19.3 x 9.4

Features

  • Operating range 2V to 5.5V VCC
  • Latch-up performance exceeds 250mA per JESD 17
  • ESD protection exceeds JESD 22
    • 2000V Human-Body Model (A114-A)
    • 200V Machine Model (A115-A)
    • 1000V Charged-Device Model (C101)
  • Operating range 2V to 5.5V VCC
  • Latch-up performance exceeds 250mA per JESD 17
  • ESD protection exceeds JESD 22
    • 2000V Human-Body Model (A114-A)
    • 200V Machine Model (A115-A)
    • 1000V Charged-Device Model (C101)

Description

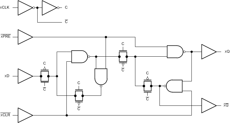
The SNx4AHC74 dual positive-edge-triggered devices are D-type flip-flops.

A low level at the preset (PRE) or clear (CLR) inputs sets or resets the outputs, regardless of the levels of the other inputs. When PRE and CLR are inactive (high), data at the data (D) input meeting the setup time requirements is transferred to the outputs on the positive-going edge of the clock pulse. Clock triggering occurs at a voltage level and is not directly related to the rise time of the clock pulse. Following the hold-time interval, data at the D input can be changed without affecting the levels at the outputs.

The SNx4AHC74 dual positive-edge-triggered devices are D-type flip-flops.

A low level at the preset (PRE) or clear (CLR) inputs sets or resets the outputs, regardless of the levels of the other inputs. When PRE and CLR are inactive (high), data at the data (D) input meeting the setup time requirements is transferred to the outputs on the positive-going edge of the clock pulse. Clock triggering occurs at a voltage level and is not directly related to the rise time of the clock pulse. Following the hold-time interval, data at the D input can be changed without affecting the levels at the outputs.

Subscribe to Welllinkchips !
Your Name
* Email
Submit a request