0
SN74AHC238-Q1
  • SN74AHC238-Q1
  • SN74AHC238-Q1
  • SN74AHC238-Q1

SN74AHC238-Q1

ACTIVE

Automotive 3-line to 8-line inverting and noninverting decoder and demultiplexer

Texas Instruments SN74AHC238-Q1 Product Info

1 April 2026 0

Parameters

Technology family

AHC

Number of channels

1

Operating temperature range (°C)

-40 to 125

Rating

Automotive

Supply current (max) (µA)

40

Package

TSSOP (PW)-16-32 mm² 5 x 6.4

Features

  • AEC-Q100 qualified for automotive applications:
    • Device temperature grade 1: -40°C to +125°C
    • Device HBM ESD classification level 2
    • Device CDM ESD classification level C4B
  • Available in wettable flank QFN package
  • Operating range 2V to 5.5V VCC
  • Low delay, 10.5ns max (VCC = 5V, CL = 50pF)
  • Latch-up performance exceeds 250mAper JESD 17
  • AEC-Q100 qualified for automotive applications:
    • Device temperature grade 1: -40°C to +125°C
    • Device HBM ESD classification level 2
    • Device CDM ESD classification level C4B
  • Available in wettable flank QFN package
  • Operating range 2V to 5.5V VCC
  • Low delay, 10.5ns max (VCC = 5V, CL = 50pF)
  • Latch-up performance exceeds 250mAper JESD 17

Description

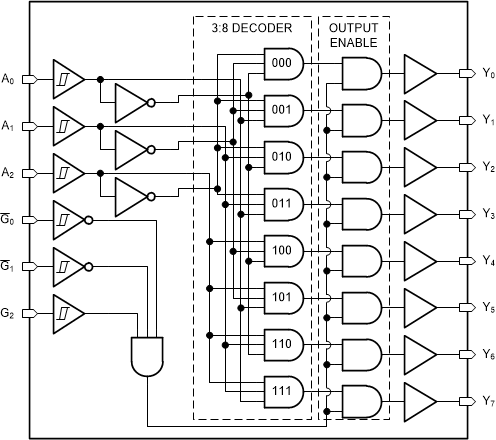
The SN74AHC238-Q1 is a three to eight decoder with one standard output strobe (G2) and two active low output strobes (G1 and G0). When the outputs are gated by any of the strobe inputs, they are all forced into the low state. When the outputs are not disabled by the strobe inputs, only the selected output is high while all others are low.

The SN74AHC238-Q1 is a three to eight decoder with one standard output strobe (G2) and two active low output strobes (G1 and G0). When the outputs are gated by any of the strobe inputs, they are all forced into the low state. When the outputs are not disabled by the strobe inputs, only the selected output is high while all others are low.

Subscribe to Welllinkchips !
Your Name
* Email
Submit a request