0
DS90UR910-Q1
  • DS90UR910-Q1
  • DS90UR910-Q1

DS90UR910-Q1

ACTIVE

10 - 75 MHz 24-bit Color FPD-Link II to CSI-2 Converter

Texas Instruments DS90UR910-Q1 Product Info

1 April 2026 1

Parameters

Applications

In-vehicle Infotainment (IVI)

Input compatibility

RGB

Function

Deserializer

Output compatibility

LVDS

Color depth (bpp)

24

Features

I2C Config

Signal conditioning

Programmable Equalizer

EMI reduction

BIST

Diagnostics

BIST

Rating

Automotive

Operating temperature range (°C)

-40 to 105

Package

WQFN (RTA)-40-36 mm² 6 x 6

Features

  • Automotive Grade Product: AEC-Q100 Grade 2 Qualified
  • 10- to 75-MHz PCLK Support
    (280-Mbps to 2.1-Gbps FPD-Link II Linerate)
  • Compatible to DC Balanced, AC-Coupled for FPD-Link II Serial Bit Stream
  • Capable to Recover Data up to 10 Meters STP Cable
  • MIPI D-PHY Modules Conform to v1.00.00
  • Compatible With MIPI CSI-2 Version 1.01
  • Supports Data Rate up to 900 Mbps per Data Lane With Two Lanes
  • Video Stream Packet Formats: RGB888
  • Continuous and Non-Continuous Clocking Mode
  • Ultra Low Power, Escape, High Speed, and Control Modes Support
  • Integrated Input Terminations and Adjustable Receive Equalization
  • Fast Random Lock (No Reference Clock Required)
  • CCI (Camera Control Interface) and I2C Compatible Control Bus
  • @Speed BIST and Reporting Pin
  • Single 1.8-V Power Supply
  • 1.8-V or 3.3-V Compatible LVCMOS I/O Interface
  • 8-kV ISO 10605 ESD Rating
  • Leadless 40-Pin WQFN Package (6 mm × 6 mm)
  • Automotive Grade Product: AEC-Q100 Grade 2 Qualified
  • 10- to 75-MHz PCLK Support
    (280-Mbps to 2.1-Gbps FPD-Link II Linerate)
  • Compatible to DC Balanced, AC-Coupled for FPD-Link II Serial Bit Stream
  • Capable to Recover Data up to 10 Meters STP Cable
  • MIPI D-PHY Modules Conform to v1.00.00
  • Compatible With MIPI CSI-2 Version 1.01
  • Supports Data Rate up to 900 Mbps per Data Lane With Two Lanes
  • Video Stream Packet Formats: RGB888
  • Continuous and Non-Continuous Clocking Mode
  • Ultra Low Power, Escape, High Speed, and Control Modes Support
  • Integrated Input Terminations and Adjustable Receive Equalization
  • Fast Random Lock (No Reference Clock Required)
  • CCI (Camera Control Interface) and I2C Compatible Control Bus
  • @Speed BIST and Reporting Pin
  • Single 1.8-V Power Supply
  • 1.8-V or 3.3-V Compatible LVCMOS I/O Interface
  • 8-kV ISO 10605 ESD Rating
  • Leadless 40-Pin WQFN Package (6 mm × 6 mm)

Description

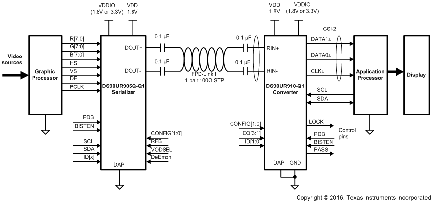
The DS90UR910-Q1 is an interface bridge chip that recovers data from the FPD-Link II serial bit stream and converts into a Camera Serial Interface (CSI-2) format compatible with Mobile Industry Processor Interface (MIPI) specifications. It recovers the 24- or 18-bit RGB data and 3 video sync-signals from the serial bit stream compatible to FPD-Link II serializers. The recovered data is packetized and serialized over two data lanes strobed by a half-rate serial clock compliant with the MIPI DPHY and CSI-2 specifications, each running up to 900 Mbps. The FPD-Link II receiver supports pixel clocks of up to
75 MHz. The CSI-2 output serial bus greatly reduces the interconnect and signal count to a graphic processing unit (GPU) and eases system designs for video streams from multiple automotive driver assist cameras.

The DS90UR910-Q1 is available in a 40-pin WQFN package. Electrical performance is qualified for automotive AEC-Q100 grade 2 temperature range
–40°C to 105°C.

The DS90UR910-Q1 is an interface bridge chip that recovers data from the FPD-Link II serial bit stream and converts into a Camera Serial Interface (CSI-2) format compatible with Mobile Industry Processor Interface (MIPI) specifications. It recovers the 24- or 18-bit RGB data and 3 video sync-signals from the serial bit stream compatible to FPD-Link II serializers. The recovered data is packetized and serialized over two data lanes strobed by a half-rate serial clock compliant with the MIPI DPHY and CSI-2 specifications, each running up to 900 Mbps. The FPD-Link II receiver supports pixel clocks of up to
75 MHz. The CSI-2 output serial bus greatly reduces the interconnect and signal count to a graphic processing unit (GPU) and eases system designs for video streams from multiple automotive driver assist cameras.

The DS90UR910-Q1 is available in a 40-pin WQFN package. Electrical performance is qualified for automotive AEC-Q100 grade 2 temperature range
–40°C to 105°C.

Subscribe to Welllinkchips !
Your Name
* Email
Submit a request