0
SN65LBC184
  • SN65LBC184
  • SN65LBC184
  • SN65LBC184
  • SN65LBC184
  • SN65LBC184

SN65LBC184

ACTIVE

RS-485 Transceiver with Integrated Transient Voltage Suppression

Texas Instruments SN65LBC184 Product Info

1 April 2026 0

Parameters

Number of receivers

1

Number of transmitters

1

Duplex

Half

Supply voltage (nom) (V)

5

Signaling rate (max) (Mbps)

0.25

IEC 61000-4-2 contact (±V)

30000

Fault protection (V)

-15 to 15

Common-mode range (V)

-7 to 12

Number of nodes

128

Features

IEC ESD protection, Surge protection

Isolated

No

Supply current (max) (µA)

25000

Rating

Catalog

Operating temperature range (°C)

-40 to 85

Package

PDIP (P)-8-92.5083 mm² 9.81 x 9.43

Features

  • Integrated transient voltage suppression
  • ESD Protection for bus terminals exceeds: ±30kV IEC 61000-4-2, contact discharge ±30kV IEC 61000-4-2, Air-gap discharge ±15kV EIA/JEDEC Human body model
  • Circuit damage protection of 400W peak (typical) per IEC 61000-4-5
  • Controlled driver output-voltage slew rates allow longer cable stub lengths
  • 250kbps in Electrically noisy environments
  • Open-circuit fail-safe receiver design
  • 1/4 Unit load allows for 128 devices connected on bus
  • Thermal shutdown protection
  • Power-up and power-down glitch protection
  • Each transceiver meets or exceeds the requirements of TIA/EIA-485 (RS-485) and ISO/IEC 8482:1993(E) standards
  • Low disabled supply current 300µA maximum
  • Pin compatible with SN75176
  • Integrated transient voltage suppression
  • ESD Protection for bus terminals exceeds: ±30kV IEC 61000-4-2, contact discharge ±30kV IEC 61000-4-2, Air-gap discharge ±15kV EIA/JEDEC Human body model
  • Circuit damage protection of 400W peak (typical) per IEC 61000-4-5
  • Controlled driver output-voltage slew rates allow longer cable stub lengths
  • 250kbps in Electrically noisy environments
  • Open-circuit fail-safe receiver design
  • 1/4 Unit load allows for 128 devices connected on bus
  • Thermal shutdown protection
  • Power-up and power-down glitch protection
  • Each transceiver meets or exceeds the requirements of TIA/EIA-485 (RS-485) and ISO/IEC 8482:1993(E) standards
  • Low disabled supply current 300µA maximum
  • Pin compatible with SN75176

Description

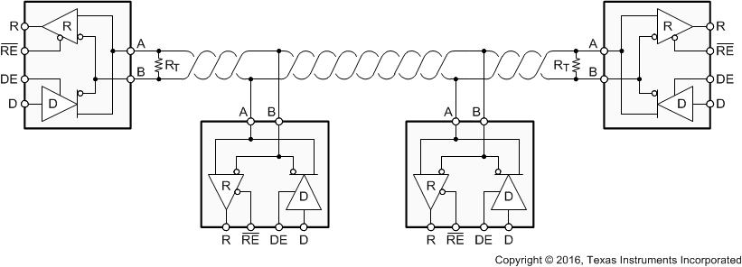
The SN75LBC184 and SN65LBC184 devices are differential data line transceivers in the trade-standard footprint of the SN75176 with built-in protection against high-energy noise transients. This feature provides a substantial increase in reliability for better immunity to noise transients coupled to the data cable over most existing devices. Use of these circuits provides a reliable low-cost direct-coupled (with no isolation transformer) data line interface without requiring any external components.

The SN75LBC184 and SN65LBC184 can withstand overvoltage transients of 400W peak (typical). The conventional combination wave called out in IEC 61000-4-5 simulates the overvoltage transient and models a unidirectional surge caused by overvoltages from switching and secondary lightning transients.

The SN75LBC184 and SN65LBC184 devices are differential data line transceivers in the trade-standard footprint of the SN75176 with built-in protection against high-energy noise transients. This feature provides a substantial increase in reliability for better immunity to noise transients coupled to the data cable over most existing devices. Use of these circuits provides a reliable low-cost direct-coupled (with no isolation transformer) data line interface without requiring any external components.

The SN75LBC184 and SN65LBC184 can withstand overvoltage transients of 400W peak (typical). The conventional combination wave called out in IEC 61000-4-5 simulates the overvoltage transient and models a unidirectional surge caused by overvoltages from switching and secondary lightning transients.

Subscribe to Welllinkchips !
Your Name
* Email
Submit a request