0
SN54SC8T139-SEP
  • SN54SC8T139-SEP
  • SN54SC8T139-SEP
  • SN54SC8T139-SEP

SN54SC8T139-SEP

ACTIVE

Radiation-tolerant dual two-line to four-line decoders/demultiplexers with logic-level shifter

Texas Instruments SN54SC8T139-SEP Product Info

1 April 2026 0

Parameters

Technology family

SCxT

Operating temperature range (°C)

-55 to 125

Rating

Space

Package

TSSOP (PW)-16-32 mm² 5 x 6.4

Features

  • Vendor item drawing available, VID V62/25623-01XE
  • Radiation - Total Ionizing Dose (TID):
    • TID characterized up to 50krad(Si)
    • TID performance assurance up to 30krad(Si)
    • Radiation Lot Acceptance Testing (RLAT) for every wafer lot up to 30krad(Si)
  • Radiation - Single-Event Effects (SEE):
    • Single Event Latch-Up (SEL) immune up to 50MeV-cm2/mg at 125°C
    • Single Event Transient (SET) characterized up to LET = 50MeV-cm2/mg
  • Wide operating range of 1.2V to 5.5V

  • Single-supply voltage translator:

    • Up translation:

      • 1.2V to 1.8V

      • 1.5V to 2.5V

      • 1.8V to 3.3V

      • 3.3V to 5.0V

    • Down translation:

      • 5.0V, 3.3V, 2.5V to 1.8V
      • 5.0V, 3.3V to 2.5V
      • 5.0V to 3.3V
  • 5.5V tolerant input pins
  • Supports standard pinouts
  • Up to 150Mbps with 5V or 3.3V VCC
  • Latch-up performance exceeds 250mA per JESD 17
  • Space enhanced plastic:
    • Supports defense and aerospace applications
    • Controlled baseline
    • Au bondwire and NiPdAu lead finish
    • Meets NASA ASTM E595 outgassing specification
    • One fabrication, assembly, and test site
    • Extended product life cycle
    • Product traceability
  • Vendor item drawing available, VID V62/25623-01XE
  • Radiation - Total Ionizing Dose (TID):
    • TID characterized up to 50krad(Si)
    • TID performance assurance up to 30krad(Si)
    • Radiation Lot Acceptance Testing (RLAT) for every wafer lot up to 30krad(Si)
  • Radiation - Single-Event Effects (SEE):
    • Single Event Latch-Up (SEL) immune up to 50MeV-cm2/mg at 125°C
    • Single Event Transient (SET) characterized up to LET = 50MeV-cm2/mg
  • Wide operating range of 1.2V to 5.5V

  • Single-supply voltage translator:

    • Up translation:

      • 1.2V to 1.8V

      • 1.5V to 2.5V

      • 1.8V to 3.3V

      • 3.3V to 5.0V

    • Down translation:

      • 5.0V, 3.3V, 2.5V to 1.8V
      • 5.0V, 3.3V to 2.5V
      • 5.0V to 3.3V
  • 5.5V tolerant input pins
  • Supports standard pinouts
  • Up to 150Mbps with 5V or 3.3V VCC
  • Latch-up performance exceeds 250mA per JESD 17
  • Space enhanced plastic:
    • Supports defense and aerospace applications
    • Controlled baseline
    • Au bondwire and NiPdAu lead finish
    • Meets NASA ASTM E595 outgassing specification
    • One fabrication, assembly, and test site
    • Extended product life cycle
    • Product traceability

Description

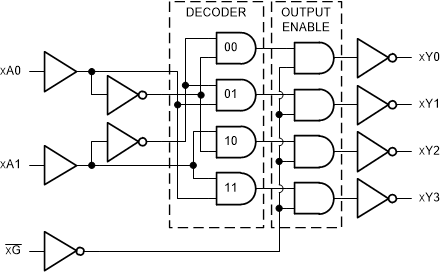
The SN54SC8T139-SEP contains two two-to-four decoders with one active low output strobe G. When the outputs of one channel are gated by the strobe input, they are all forced into the high state. When the outputs are not disabled by the strobe input, only the selected output is low while all others are high.

The SN54SC8T139-SEP contains two two-to-four decoders with one active low output strobe G. When the outputs of one channel are gated by the strobe input, they are all forced into the high state. When the outputs are not disabled by the strobe input, only the selected output is low while all others are high.

Subscribe to Welllinkchips !
Your Name
* Email
Submit a request