0
SN74HCT74
  • SN74HCT74
  • SN74HCT74
  • SN74HCT74
  • SN74HCT74
  • SN74HCT74
  • SN74HCT74

SN74HCT74

ACTIVE

Dual D-Type Positive-Edge-Triggered Flip-Flops With Clear and Preset

Texas Instruments SN74HCT74 Product Info

1 April 2026 1

Parameters

Number of channels

2

Technology family

HCT

Supply voltage (min) (V)

4.5

Supply voltage (max) (V)

5.5

Input type

TTL-Compatible CMOS

Output type

Push-Pull

Clock frequency (max) (MHz)

25

IOL (max) (mA)

4

IOH (max) (mA)

-4

Supply current (max) (µA)

40

Features

Balanced outputs, High speed (tpd 10-50ns), Positive input clamp diode

Operating temperature range (°C)

-40 to 85

Rating

Catalog

Package

PDIP (N)-14-181.42 mm² 19.3 x 9.4

Features

  • Operating voltage range of 4.5 V to 5.5 V
  • Outputs can drive up to 10 LSTTL loads
  • Low power consumption, 40-µA max I CC
  • Typical t pd = 17 ns
  • ±4-mA output drive at 5 V
  • Low input current of 1 µA max
  • Inputs are TTL-voltage compatible
  • Operating voltage range of 4.5 V to 5.5 V
  • Outputs can drive up to 10 LSTTL loads
  • Low power consumption, 40-µA max I CC
  • Typical t pd = 17 ns
  • ±4-mA output drive at 5 V
  • Low input current of 1 µA max
  • Inputs are TTL-voltage compatible

Description

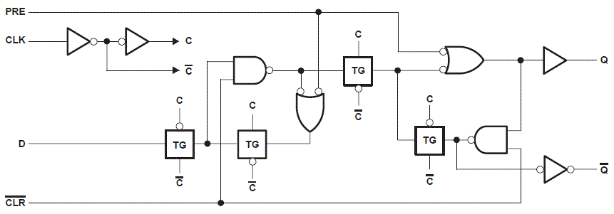
The ’HCT74 devices contain two independent D-type positive-edge-triggered flip-flops. A low level at the preset ( PRE) or clear ( CLR) inputs sets or resets the outputs, regardless of the levels of the other inputs. When PRE and CLR are inactive (high), data at the data (D) input meeting the setup time requirements are transferred to the outputs on the positive-going edge of the clock (CLK) pulse. Clock triggering occurs at a voltage level and is not directly related to the rise time of CLK. Following the hold-time interval, data at the D input may be changed without affecting the levels at the outputs.

The ’HCT74 devices contain two independent D-type positive-edge-triggered flip-flops. A low level at the preset ( PRE) or clear ( CLR) inputs sets or resets the outputs, regardless of the levels of the other inputs. When PRE and CLR are inactive (high), data at the data (D) input meeting the setup time requirements are transferred to the outputs on the positive-going edge of the clock (CLK) pulse. Clock triggering occurs at a voltage level and is not directly related to the rise time of CLK. Following the hold-time interval, data at the D input may be changed without affecting the levels at the outputs.

Subscribe to Welllinkchips !
Your Name
* Email
Submit a request