0
PCA9515B
  • PCA9515B
  • PCA9515B
  • PCA9515B

PCA9515B

ACTIVE

2-bit bidirectional 2.3- to 3.6-V 400-kHz I2C/SMBus buffer

Texas Instruments PCA9515B Product Info

1 April 2026 2

Parameters

Features

Buffer, Enable pin

Protocols

I2C

Frequency (max) (MHz)

0.4

VCCA (min) (V)

2.3

VCCA (max) (V)

3.6

VCCB (min) (V)

2.3

VCCB (max) (V)

3.6

Supply restrictions

VCC Single Supply

Rating

Catalog

Operating temperature range (°C)

-40 to 85

Package

VSSOP (DGK)-8-14.7 mm² 3 x 4.9

Features

  • Two-Channel Bidirectional Buffers
  • I2C Bus and SMBus Compatible
  • Support for I2C Standard Mode (100-kHz) and
    Fast Mode (400-kHz)
  • Active-High Repeater-Enable Input
  • Open-Drain I2C Input and Output
  • 5.5-V Tolerant I2C Input and Output and
    Enable Input Support Mixed-Mode Signal Operation
  • Lockup-Free Operation
  • Accommodates Standard Mode, Fast Mode I2C
    Devices, and Multiple Masters
  • Supports Arbitration and Clock Stretching Across
    Repeater
  • Powered-Off High-Impedance I2C Pins
  • Latch-Up Performance Exceeds 100-mA Per
    JESD 78, Class I
  • ESD Protection Exceeds JESD 22
    • 2000-V Human-Body Model (A114-A)
    • 1000-V Charged-Device Model (C101)
  • Two-Channel Bidirectional Buffers
  • I2C Bus and SMBus Compatible
  • Support for I2C Standard Mode (100-kHz) and
    Fast Mode (400-kHz)
  • Active-High Repeater-Enable Input
  • Open-Drain I2C Input and Output
  • 5.5-V Tolerant I2C Input and Output and
    Enable Input Support Mixed-Mode Signal Operation
  • Lockup-Free Operation
  • Accommodates Standard Mode, Fast Mode I2C
    Devices, and Multiple Masters
  • Supports Arbitration and Clock Stretching Across
    Repeater
  • Powered-Off High-Impedance I2C Pins
  • Latch-Up Performance Exceeds 100-mA Per
    JESD 78, Class I
  • ESD Protection Exceeds JESD 22
    • 2000-V Human-Body Model (A114-A)
    • 1000-V Charged-Device Model (C101)

Description

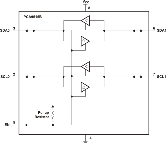
The PCA9515B is a BiCMOS dual bidirectional buffer integrated circuit intended for I2C bus and SMBus applications. The device contains two identical bidirectional open-drain buffer circuits that enables I2C and similar bus systems to be extended (or add slaves) without degrading system performance. The dual bidirectional I2C buffer is operational at 2.3 V to 3.6 V VCC.

The PCA9515B buffers both the serial data (SDA) and serial clock (SCL) signals on the I2C bus, while retaining all the operating modes and features of the I2C system. The device allows two buses, of 400-pF bus capacitance, to be connected in an I2C application.

The PCA9515B is a BiCMOS dual bidirectional buffer integrated circuit intended for I2C bus and SMBus applications. The device contains two identical bidirectional open-drain buffer circuits that enables I2C and similar bus systems to be extended (or add slaves) without degrading system performance. The dual bidirectional I2C buffer is operational at 2.3 V to 3.6 V VCC.

The PCA9515B buffers both the serial data (SDA) and serial clock (SCL) signals on the I2C bus, while retaining all the operating modes and features of the I2C system. The device allows two buses, of 400-pF bus capacitance, to be connected in an I2C application.

Subscribe to Welllinkchips !
Your Name
* Email
Submit a request