0
UCC14141-Q1
  • UCC14141-Q1
  • UCC14141-Q1
  • UCC14141-Q1

UCC14141-Q1

ACTIVE

Automotive, 1.5-W, 12-V VIN, 25-V VOUT high-density >5-kVRMS isolated DC/DC module

Texas Instruments UCC14141-Q1 Product Info

1 April 2026 0

Parameters

Rating

Automotive

Topology

Full-bridge

Vin (max) (V)

18

Vin (min) (V)

8.5

Vout (max) (V)

25

Vout (min) (V)

18

Features

1.5W, Dual output, Enable, Power good, Regulated, Reinforced isolation, Soft start, UVLO adjustable

Device type

Isolated modules

Regulated outputs (#)

2

TI functional safety category

Functional Safety-Capable

Isolation rating

Reinforced

Output power (W)

1.5

Operating temperature range (°C)

-40 to 125

Control mode

Internally Regulated with Dual Adjustable Outputs

Package

SO-MOD (DWN)-36-131.84 mm² 12.8 x 10.3

Features

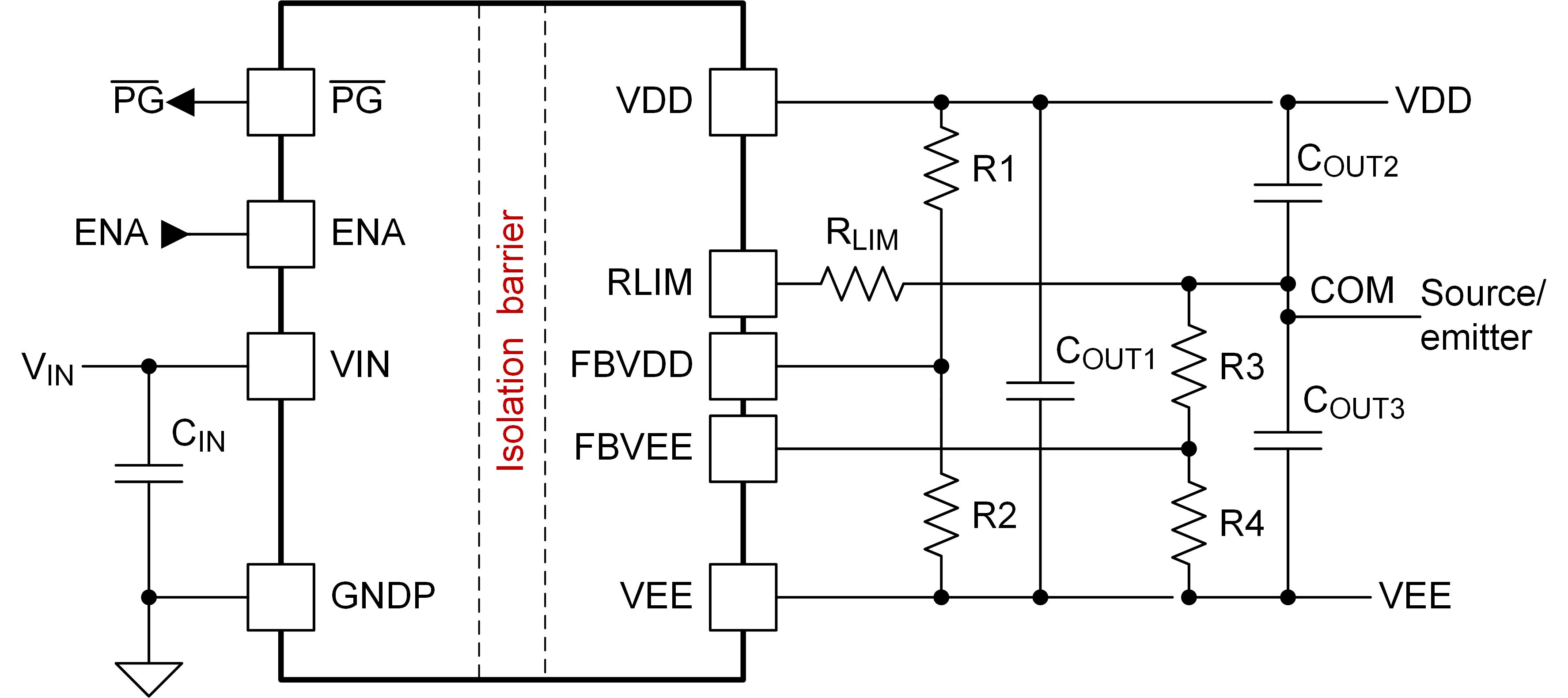
  • Fully integrated high-density isolated DC/DC module with isolation transformer
  • Isolated DC/DC for driving: IGBTs, SiC FETs
  • Input voltage range: 8 V to 18 V with 32-V absolute maximum
  • 1.5-W output power for 10.8 V < V VIN < 13.2 V, at T A ≤ 85 °C
  • 1-W output power for 8 V < V VIN < 18 V, at T A ≤ 85 °C
  • Adjustable (VDD – VEE) output voltage (with external resistors): 15 V to 25 V, ±1.3 % regulation accuracy over full temperature range
  • Adjustable (COM – VEE) output voltage (with external resistors): 2.5 V to (VDD – VEE), ±1.3 % regulation accuracy over full temperature range
  • Low electromagnetic emission with spread spectrum modulation and integrated transformer
  • Enable, Power Good, UVLO, OVLO, soft-start, short-circuit, power-limit, under-voltage, overvoltage, and over-temperature protection
  • CMTI > 150 kV/µs
  • AEC-Q100 qualified for automotive applications
    • Temperature grade 1: –40°C ≤ T J ≤ 150°C
    • Temperature grade 1:–40 °C ≤ T A ≤ 125°C
  • Functional Safety-Capable
    • Documentation available to aid functional safety system design
  • Planned safety-related certifications:
    • 7071-VPK reinforce isolation per DIN EN IEC 60747-17 (VDE 0884-17)
    • 5000-VRMS isolation for 1 minute per UL 1577
    • Reinforce insulation per CQC GB4943.1
  • 36-pin, wide SSOP package
  • Fully integrated high-density isolated DC/DC module with isolation transformer
  • Isolated DC/DC for driving: IGBTs, SiC FETs
  • Input voltage range: 8 V to 18 V with 32-V absolute maximum
  • 1.5-W output power for 10.8 V < V VIN < 13.2 V, at T A ≤ 85 °C
  • 1-W output power for 8 V < V VIN < 18 V, at T A ≤ 85 °C
  • Adjustable (VDD – VEE) output voltage (with external resistors): 15 V to 25 V, ±1.3 % regulation accuracy over full temperature range
  • Adjustable (COM – VEE) output voltage (with external resistors): 2.5 V to (VDD – VEE), ±1.3 % regulation accuracy over full temperature range
  • Low electromagnetic emission with spread spectrum modulation and integrated transformer
  • Enable, Power Good, UVLO, OVLO, soft-start, short-circuit, power-limit, under-voltage, overvoltage, and over-temperature protection
  • CMTI > 150 kV/µs
  • AEC-Q100 qualified for automotive applications
    • Temperature grade 1: –40°C ≤ T J ≤ 150°C
    • Temperature grade 1:–40 °C ≤ T A ≤ 125°C
  • Functional Safety-Capable
    • Documentation available to aid functional safety system design
  • Planned safety-related certifications:
    • 7071-VPK reinforce isolation per DIN EN IEC 60747-17 (VDE 0884-17)
    • 5000-VRMS isolation for 1 minute per UL 1577
    • Reinforce insulation per CQC GB4943.1
  • 36-pin, wide SSOP package

Description

UCC14141-Q1 is an automotive qualified high isolation voltage DC/DC power module designed to provide power to IGBT or SiC gate drivers. The UCC14141-Q1 integrates a transformer and DC/DC controller with a proprietary architecture to achieve high density with very low emissions. The high-accuracy output voltages provide better channel enhancement for higher system efficiency without over-stressing the power device gate. The input voltage of UCC14141-Q1 supports both wide LiFePO 4 battery voltage of electric vehicle (8 V-18 V) and regulated 12-V rail (10.8 V-13.2 V), with different output power.

The fully integrated module with on-chip device protection requires a minimum of external components, and provides extra features such as input under-voltage lockout, over-voltage lockout, output voltage power-good comparators, over-temperature shutdown, soft-start time-out, adjustable isolated positive and negative output voltage, an enable pin, and an open-drain output power-good pin.

UCC14141-Q1 is an automotive qualified high isolation voltage DC/DC power module designed to provide power to IGBT or SiC gate drivers. The UCC14141-Q1 integrates a transformer and DC/DC controller with a proprietary architecture to achieve high density with very low emissions. The high-accuracy output voltages provide better channel enhancement for higher system efficiency without over-stressing the power device gate. The input voltage of UCC14141-Q1 supports both wide LiFePO 4 battery voltage of electric vehicle (8 V-18 V) and regulated 12-V rail (10.8 V-13.2 V), with different output power.

The fully integrated module with on-chip device protection requires a minimum of external components, and provides extra features such as input under-voltage lockout, over-voltage lockout, output voltage power-good comparators, over-temperature shutdown, soft-start time-out, adjustable isolated positive and negative output voltage, an enable pin, and an open-drain output power-good pin.

Subscribe to Welllinkchips !
Your Name
* Email
Submit a request