0
LM98640QML-SP
  • LM98640QML-SP
  • LM98640QML-SP
  • LM98640QML-SP
  • LM98640QML-SP

LM98640QML-SP

ACTIVE

Dual channel, 14-bit, 40 MSPS analog front end with LVDS output

Texas Instruments LM98640QML-SP Product Info

1 April 2026 0

Parameters

Resolution (Bits)

14

Number of channels

2

Sample rate (Msps)

40

Gain (min) (dB)

-3.8

Gain (max) (dB)

18.4

Pd (typ) (mW)

356

Supply voltage (max) (V)

3.3

Operating temperature range (°C)

-55 to 125

Output data format

LVDS

Rating

Space

Package

CFP (NBB)-68-582.2569 mm² 24.13 x 24.13

Features

  • Radiation Hardened
    • TID 100 krad(Si)
    • Single Event Latch-Up (SEL) Immune to LET = 120 MeV-cm2/mg
    • Single Event Functional Interrupt (SEFI) Free to 120 MeV-cm2/mg
    • SMD 5962R1820301VXC
  • ADC Resolution: 14-Bit
  • ADC Sampling Rate: 5 MSPS to 40 MSPS
  • Input Level: 2.85 V
  • Supply Voltages 3.3 V and 1.8 V (Nominal)
    • 125 mW per Channel at 15 MSPS
    • 178 mW per Channel at 40 MSPS
  • CDS or S/H Processing for CCD or CIS Sensors
    • CDS or S/H Gain 0 dB or 6 dB
  • Programmable Analog Gain for Each Channel
    • 256 Steps; Range –3 dB to 18 dB
  • Programmable Analog Offset Correction
    • Fine and Coarse DAC Resolution ±8 Bits
    • Fine DAC Range ±5 mV
    • Coarse DAC Range ±250 mV
  • Programmable Input Clamp Voltage
  • Programmable Sample Edge: 1/64th Pixel Period
  • INL at 15 MHz: ±3.5 LSB
  • Noise Floor: –79 dB
  • Crosstalk: –80 dB
  • Operating Temp: –55°C to 125°C
  • Radiation Hardened
    • TID 100 krad(Si)
    • Single Event Latch-Up (SEL) Immune to LET = 120 MeV-cm2/mg
    • Single Event Functional Interrupt (SEFI) Free to 120 MeV-cm2/mg
    • SMD 5962R1820301VXC
  • ADC Resolution: 14-Bit
  • ADC Sampling Rate: 5 MSPS to 40 MSPS
  • Input Level: 2.85 V
  • Supply Voltages 3.3 V and 1.8 V (Nominal)
    • 125 mW per Channel at 15 MSPS
    • 178 mW per Channel at 40 MSPS
  • CDS or S/H Processing for CCD or CIS Sensors
    • CDS or S/H Gain 0 dB or 6 dB
  • Programmable Analog Gain for Each Channel
    • 256 Steps; Range –3 dB to 18 dB
  • Programmable Analog Offset Correction
    • Fine and Coarse DAC Resolution ±8 Bits
    • Fine DAC Range ±5 mV
    • Coarse DAC Range ±250 mV
  • Programmable Input Clamp Voltage
  • Programmable Sample Edge: 1/64th Pixel Period
  • INL at 15 MHz: ±3.5 LSB
  • Noise Floor: –79 dB
  • Crosstalk: –80 dB
  • Operating Temp: –55°C to 125°C

Description

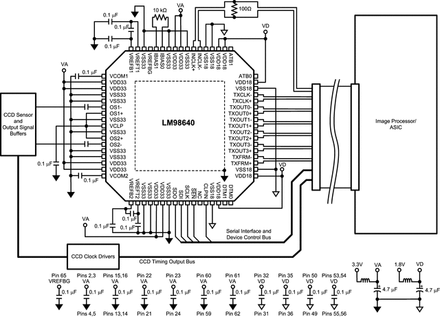
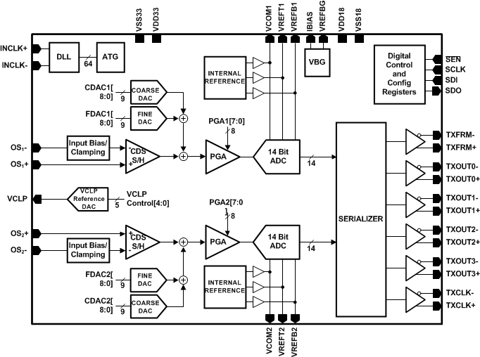
The LM98640QML-SP is a fully integrated, high performance 14-Bit, 5-MSPS to 40-MSPS signal processing solution. The Serial LVDS output format performs well during single event exposure, preventing data loss. The LM98640QML-SP has an adaptive power scaling feature to optimize power consumption based on the operating frequency and amount of gain required. High-speed signal throughput is achieved with an innovative architecture utilizing Correlated Double Sampling (CDS), typically employed with CCD arrays, or Sample and Hold (S/H) inputs (for CIS and CMOS image sensors). The sampling edges are programmable to a resolution of 1/64th of a pixel period. Both the CDS and S/H have a programmable gain of either 0 dB or 6 dB. The signal paths utilize two ±8-bit offset correction DACs for coarse and fine offset correction, and 8-bit Programmable Gain Amplifiers (PGA) that can be programmed independently for each input. The signals are then routed to two on chip 14-bit 40-MHz high performance analog-to-digital converters (ADC). The fully differential processing channel provides exceptional noise immunity, having a very low noise floor of –79 dB at 1x gain.

The LM98640QML-SP is a fully integrated, high performance 14-Bit, 5-MSPS to 40-MSPS signal processing solution. The Serial LVDS output format performs well during single event exposure, preventing data loss. The LM98640QML-SP has an adaptive power scaling feature to optimize power consumption based on the operating frequency and amount of gain required. High-speed signal throughput is achieved with an innovative architecture utilizing Correlated Double Sampling (CDS), typically employed with CCD arrays, or Sample and Hold (S/H) inputs (for CIS and CMOS image sensors). The sampling edges are programmable to a resolution of 1/64th of a pixel period. Both the CDS and S/H have a programmable gain of either 0 dB or 6 dB. The signal paths utilize two ±8-bit offset correction DACs for coarse and fine offset correction, and 8-bit Programmable Gain Amplifiers (PGA) that can be programmed independently for each input. The signals are then routed to two on chip 14-bit 40-MHz high performance analog-to-digital converters (ADC). The fully differential processing channel provides exceptional noise immunity, having a very low noise floor of –79 dB at 1x gain.

Subscribe to Welllinkchips !
Your Name
* Email
Submit a request