0
OPA2300
  • OPA2300
  • OPA2300
  • OPA2300

OPA2300

ACTIVE

Low-Noise, High-Speed, 16-Bit Accurate CMOS Operational Amplifier with digital shutdown

Texas Instruments OPA2300 Product Info

1 April 2026 0

Parameters

Architecture

FET / CMOS Input, Voltage FB

Number of channels

2

Total supply voltage (+5 V = 5, ±5 V = 10) (min) (V)

2.7

Total supply voltage (+5 V = 5, ±5 V = 10) (max) (V)

5.5

GBW (typ) (MHz)

150

BW at Acl (MHz)

150

Acl, min spec gain (V/V)

1

Slew rate (typ) (V/µs)

80

Vn at flatband (typ) (nV√Hz)

3

Vn at 1 kHz (typ) (nV√Hz)

3

Iq per channel (typ) (mA)

9.5

Vos (offset voltage at 25°C) (max) (mV)

5

Rail-to-rail

In to V-, Out

Features

Shutdown

Rating

Catalog

Operating temperature range (°C)

-40 to 125

CMRR (typ) (dB)

80

Input bias current (max) (pA)

5

Offset drift (typ) (µV/°C)

2.5

Iout (typ) (mA)

70

Package

VSSOP (DGS)-10-14.7 mm² 3 x 4.9

Features

  • High bandwidth: 150MHz
  • 16-bit settling in 150ns
  • Low noise: 3nV/√Hz
  • Low distortion: 0.003%
  • Low power: 9.5mA (typical) on 5.5V
  • Shutdown to 5µA
  • Unity-gain stable
  • Excellent output swing:
    • (V+) − 100mV to (V−) + 100mV
  • Single supply: +2.7V to +5.5V
  • Tiny packages: VSSOP and SOT23
  • High bandwidth: 150MHz
  • 16-bit settling in 150ns
  • Low noise: 3nV/√Hz
  • Low distortion: 0.003%
  • Low power: 9.5mA (typical) on 5.5V
  • Shutdown to 5µA
  • Unity-gain stable
  • Excellent output swing:
    • (V+) − 100mV to (V−) + 100mV
  • Single supply: +2.7V to +5.5V
  • Tiny packages: VSSOP and SOT23

Description

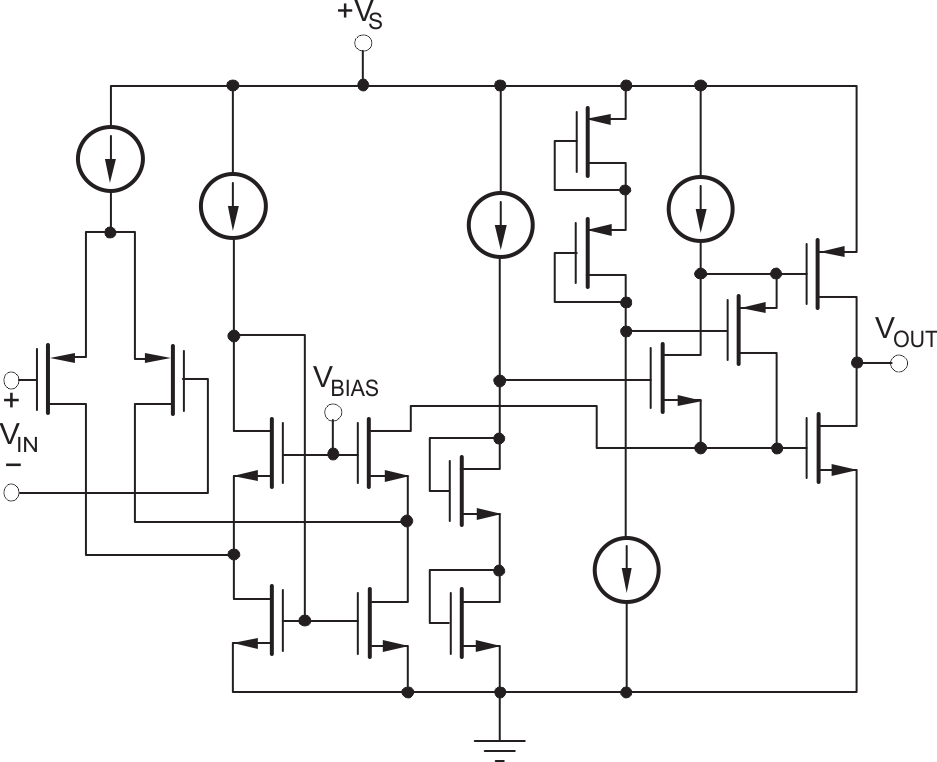
The OPA300, OPA301, OPA2300, and OPA2301 (OPAx30x) series high-speed, voltage-feedback, CMOS operational amplifiers are designed for 16-bit resolution systems. The OPAx30x series are unity-gain stable and feature excellent settling and harmonic distortion specifications. Low power applications benefit from low quiescent current. The OPA300 and OPA2300 feature a digital shutdown (enable) function to provide additional power savings during idle periods. Optimized for single-supply operation, the OPA30x series offer high output swing and excellent common-mode range.

The OPAx30x series op amps have 150MHz of unity-gain bandwidth, low 3nV/√Hz voltage noise, and 0.1% settling within 30ns. Single-supply operation from 2.7V (±1.35V) to 5.5V (±2.75V) and an available shutdown function that reduces supply current to 5µA are useful for portable low-power applications. The OPAx30x are available in SO-8 and SOT-23 packages. The OPA2300 is available in VSSOP-10, and the OPA2301 is available in SO-8 and VSSOP-8. All versions are specified over the industrial temperature range of −40°C to +125°C.

The OPA300, OPA301, OPA2300, and OPA2301 (OPAx30x) series high-speed, voltage-feedback, CMOS operational amplifiers are designed for 16-bit resolution systems. The OPAx30x series are unity-gain stable and feature excellent settling and harmonic distortion specifications. Low power applications benefit from low quiescent current. The OPA300 and OPA2300 feature a digital shutdown (enable) function to provide additional power savings during idle periods. Optimized for single-supply operation, the OPA30x series offer high output swing and excellent common-mode range.

The OPAx30x series op amps have 150MHz of unity-gain bandwidth, low 3nV/√Hz voltage noise, and 0.1% settling within 30ns. Single-supply operation from 2.7V (±1.35V) to 5.5V (±2.75V) and an available shutdown function that reduces supply current to 5µA are useful for portable low-power applications. The OPAx30x are available in SO-8 and SOT-23 packages. The OPA2300 is available in VSSOP-10, and the OPA2301 is available in SO-8 and VSSOP-8. All versions are specified over the industrial temperature range of −40°C to +125°C.

Subscribe to Welllinkchips !
Your Name
* Email
Submit a request