0
LP5524
  • LP5524
  • LP5524
  • LP5524

LP5524

ACTIVE

4 channel LED driver with dual PWM brightness control

Texas Instruments LP5524 Product Info

1 April 2026 0

Parameters

Number of channels

4

LED current per channel (mA)

25

LED configuration

Parallel

Program memory

No

Topology

Linear

Programmable ramp control

No

Vin (min) (V)

2.7

Vin (max) (V)

5.5

Iout (max) (A)

0.1

Features

GPIO interface

Iq (typ) (mA)

0.17

Shutdown current (ISD) (typ) (µA)

0.2

Operating temperature range (°C)

-40 to 85

Rating

Catalog

Package

DSBGA (YFQ)-9-1.96000000000000028000000000000001 mm² 1.4000000000000001 x 1.4000000000000001

Features

  • Wide Input Voltage Range: 2.7 V to 5.5 V
  • High-Side LED Driver
  • Drives Four LEDs With up to 25 mA per LED
  • 0.4% Typical Current Matching
  • PWM Brightness Control
  • Overcurrent Protection
  • Fast Transient Response
  • Optional External ISET Resistor
  • Ultra-Small Solution Size:
    • No External Components
    • 9-Pin DSBGA Package with 0.4-mm pitch:
      • 1.24 mm × 1.24 mm × 0.6 mm (L × W × H, maximum)
  • Wide Input Voltage Range: 2.7 V to 5.5 V
  • High-Side LED Driver
  • Drives Four LEDs With up to 25 mA per LED
  • 0.4% Typical Current Matching
  • PWM Brightness Control
  • Overcurrent Protection
  • Fast Transient Response
  • Optional External ISET Resistor
  • Ultra-Small Solution Size:
    • No External Components
    • 9-Pin DSBGA Package with 0.4-mm pitch:
      • 1.24 mm × 1.24 mm × 0.6 mm (L × W × H, maximum)

Description

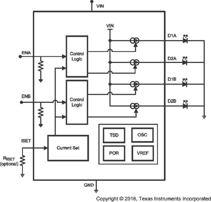
The LP5524 device is a highly integrated dual-zone LED driver that can drive up to four LEDs in parallel with a total output current of 100 mA. Regulated high-side internal current sources deliver excellent current and brightness matching in all LEDs.

The LP5524 provides overcurrent protection and pulse-width modulation (PWM) control of four indicator LEDs without the need for external components.

LED driver current sources are split into two independently controlled banks for driving secondary displays, keypad and indicator LEDs. Brightness control is achieved by applying PWM signals to each enable pin. Default LED current is factory-programmable and an optional external resistor can be used to set LED current to user programmable values.

The LP5524 is available in a tiny, 9-pin, thin DSBGA package.

For all available packages, see the orderable addendum at the end of the data sheet.

The LP5524 device is a highly integrated dual-zone LED driver that can drive up to four LEDs in parallel with a total output current of 100 mA. Regulated high-side internal current sources deliver excellent current and brightness matching in all LEDs.

The LP5524 provides overcurrent protection and pulse-width modulation (PWM) control of four indicator LEDs without the need for external components.

LED driver current sources are split into two independently controlled banks for driving secondary displays, keypad and indicator LEDs. Brightness control is achieved by applying PWM signals to each enable pin. Default LED current is factory-programmable and an optional external resistor can be used to set LED current to user programmable values.

The LP5524 is available in a tiny, 9-pin, thin DSBGA package.

For all available packages, see the orderable addendum at the end of the data sheet.

Subscribe to Welllinkchips !
Your Name
* Email
Submit a request