0
LMR50410-Q1
  • LMR50410-Q1
  • LMR50410-Q1

LMR50410-Q1

ACTIVE

Automotive, 4V to 36V, 1A synchronous step-down SIMPLE SWITCHER® power converter

Texas Instruments LMR50410-Q1 Product Info

1 April 2026 0

Parameters

Rating

Automotive

Topology

Buck

Iout (max) (A)

1

Vin (max) (V)

36

Vin (min) (V)

4

Vout (max) (V)

28

Vout (min) (V)

1

Features

Enable, Fixed Output, Forced PWM, Light-load efficiency, Over Current Protection, Overcurrent protection, Synchronous rectification

Control mode

current mode

Operating temperature range (°C)

-40 to 150

Iq (typ) (A)

0.00008

Duty cycle (max) (%)

98

TI functional safety category

Functional Safety-Capable

Package

SOT-23 (DBV)-6-8.12 mm² 2.9 x 2.8

Features

  • AEC-Q100 qualified
    • Temperature grade 1: –40°C to 125°C ambient operating temperature range
  • Functional Safety-Capable
  • Configured for rugged automotive applications
    • Input voltage range: 4 V to 36 V
    • 1-A continuous output current
    • Minimum switching-on time: 60 ns
    • 2.1-MHz fixed switching frequency
    • Junction temperature range: –40°C to 150°C
    • 98% maximum duty cycle
    • Monotonic start-up with pre-biased output
    • Internal short circuit protection with hiccup mode
    • ±1% tolerance voltage reference
    • Precision enable
  • Small solution size and ease of use
    • Integrated synchronous rectification
    • Internal compensation for ease of use
    • SOT-23-6 package
  • Pin-to-pin compatible with TPS560430-Q1
  • Various options in pin-to-pin compatible package
    • PFM and forced PWM (FPWM) options
    • Fixed 3.3-V and 5.0-V output option
  • Create a custom design using the LMR50410-Q1 with the WEBENCH Power Designer
  • AEC-Q100 qualified
    • Temperature grade 1: –40°C to 125°C ambient operating temperature range
  • Functional Safety-Capable
  • Configured for rugged automotive applications
    • Input voltage range: 4 V to 36 V
    • 1-A continuous output current
    • Minimum switching-on time: 60 ns
    • 2.1-MHz fixed switching frequency
    • Junction temperature range: –40°C to 150°C
    • 98% maximum duty cycle
    • Monotonic start-up with pre-biased output
    • Internal short circuit protection with hiccup mode
    • ±1% tolerance voltage reference
    • Precision enable
  • Small solution size and ease of use
    • Integrated synchronous rectification
    • Internal compensation for ease of use
    • SOT-23-6 package
  • Pin-to-pin compatible with TPS560430-Q1
  • Various options in pin-to-pin compatible package
    • PFM and forced PWM (FPWM) options
    • Fixed 3.3-V and 5.0-V output option
  • Create a custom design using the LMR50410-Q1 with the WEBENCH Power Designer

Description

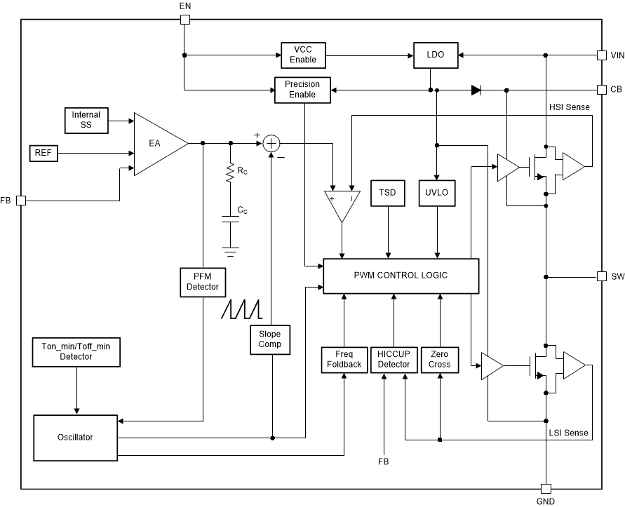
The LMR50410-Q1 is a wide-VIN, easy-to-use synchronous buck converter capable of driving up to 1-A load current. With a wide input range of 4 V to 36 V, the device is suitable for a wide range of automotive applications for power conditioning from an unregulated source.

The LMR50410-Q1 operates at 2.1-MHz switching frequency to support use of relatively small inductors for an optimized solution size. It has an PFM version to realize high efficiency at light load and FPWM version to achieve constant frequency, and small output voltage ripple over the full load range. Soft-start and compensation circuits are implemented internally which allows the device to be used with minimum external components.

The device has built-in protection features, such as cycle-by-cycle current limit, hiccup mode short-circuit protection, and thermal shutdown in case of excessive power dissipation. The LMR50410-Q1 is available in SOT-23-6 package.

The LMR50410-Q1 is a wide-VIN, easy-to-use synchronous buck converter capable of driving up to 1-A load current. With a wide input range of 4 V to 36 V, the device is suitable for a wide range of automotive applications for power conditioning from an unregulated source.

The LMR50410-Q1 operates at 2.1-MHz switching frequency to support use of relatively small inductors for an optimized solution size. It has an PFM version to realize high efficiency at light load and FPWM version to achieve constant frequency, and small output voltage ripple over the full load range. Soft-start and compensation circuits are implemented internally which allows the device to be used with minimum external components.

The device has built-in protection features, such as cycle-by-cycle current limit, hiccup mode short-circuit protection, and thermal shutdown in case of excessive power dissipation. The LMR50410-Q1 is available in SOT-23-6 package.

Subscribe to Welllinkchips !
Your Name
* Email
Submit a request