0
LMR10510
  • LMR10510
  • LMR10510
  • LMR10510
  • LMR10510
  • LMR10510

LMR10510

ACTIVE

3V to 5.5V, 1A Step-Down DC/DC Switching Regulator in SOT-23 Package

Texas Instruments LMR10510 Product Info

1 April 2026 0

Parameters

Rating

Catalog

Topology

Buck

Iout (max) (A)

1

Vin (max) (V)

5.5

Vin (min) (V)

3

Vout (max) (V)

4.5

Vout (min) (V)

0.6

Features

Enable

Control mode

current mode

Operating temperature range (°C)

-40 to 125

Iq (typ) (A)

0.0033

Duty cycle (max) (%)

94

Package

SOT-23 (DBV)-5-8.12 mm² 2.9 x 2.8

Features

  • Input Voltage Range of 3 V to 5.5 V
  • Output Voltage Range of 0.6 V to 4.5 V
  • Output Current up to 1 A
  • 1.6-MHz (LMR10510X) and 3-MHz (LMR10510Y) Switching Frequencies
  • Low Shutdown IQ, 30 nA Typical
  • Internal Soft Start
  • Internally Compensated
  • Current-Mode PWM Operation
  • Thermal Shutdown
  • SOT-23 (2.92 × 2.84 × 1 mm) and WSON
    (3 × 3 × 0.8 mm) Packaging
  • Tiny Overall Solution Reduces System Cost
  • Create a custom design using the LMR10510 with the WEBENCH® Power Designer
  • Input Voltage Range of 3 V to 5.5 V
  • Output Voltage Range of 0.6 V to 4.5 V
  • Output Current up to 1 A
  • 1.6-MHz (LMR10510X) and 3-MHz (LMR10510Y) Switching Frequencies
  • Low Shutdown IQ, 30 nA Typical
  • Internal Soft Start
  • Internally Compensated
  • Current-Mode PWM Operation
  • Thermal Shutdown
  • SOT-23 (2.92 × 2.84 × 1 mm) and WSON
    (3 × 3 × 0.8 mm) Packaging
  • Tiny Overall Solution Reduces System Cost
  • Create a custom design using the LMR10510 with the WEBENCH® Power Designer

Description

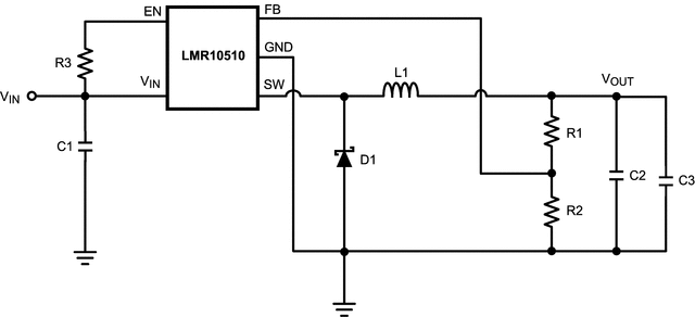
The LMR10510 regulator is a monolithic, high frequency, PWM step-down DC/DC converter in a 5-pin SOT-23 and a 6-pin WSON package. It provides all the active functions to provide local DC/DC conversion with fast transient response and accurate regulation in the smallest possible PCB area. The LMR10510 is internally compensated, so it is simple to use and requires few external components. The ability to drive 1-A loads with an internal 130-mΩ PMOS switch results in the best power density available. The world-class control circuitry allows on-times as low as 30 ns, thus supporting exceptionally high frequency conversion over the entire 3-V to 5.5-V input operating range down to the minimum output voltage of 0.6 V.

The LMR10510 is a constant frequency PWM buck regulator IC that delivers a 1-A load current. The regulator has a preset switching frequency of 1.6 MHz or 3 MHz. This high frequency allows the LMR10510 to operate with small surface mount capacitors and inductors, resulting in a DC/DC converter that requires a minimum amount of board space. Even though the operating frequency is high, efficiencies up to 93% are easy to achieve. External shutdown is included, featuring an ultra-low stand-by current of 30 nA. The LMR10510 utilizes current-mode control and internal compensation to provide high-performance regulation over a wide range of operating conditions. Additional features include internal soft-start circuitry to reduce inrush current, pulse-by-pulse current limit, thermal shutdown, and output overvoltage protection.

The LMR10510 regulator is a monolithic, high frequency, PWM step-down DC/DC converter in a 5-pin SOT-23 and a 6-pin WSON package. It provides all the active functions to provide local DC/DC conversion with fast transient response and accurate regulation in the smallest possible PCB area. The LMR10510 is internally compensated, so it is simple to use and requires few external components. The ability to drive 1-A loads with an internal 130-mΩ PMOS switch results in the best power density available. The world-class control circuitry allows on-times as low as 30 ns, thus supporting exceptionally high frequency conversion over the entire 3-V to 5.5-V input operating range down to the minimum output voltage of 0.6 V.

The LMR10510 is a constant frequency PWM buck regulator IC that delivers a 1-A load current. The regulator has a preset switching frequency of 1.6 MHz or 3 MHz. This high frequency allows the LMR10510 to operate with small surface mount capacitors and inductors, resulting in a DC/DC converter that requires a minimum amount of board space. Even though the operating frequency is high, efficiencies up to 93% are easy to achieve. External shutdown is included, featuring an ultra-low stand-by current of 30 nA. The LMR10510 utilizes current-mode control and internal compensation to provide high-performance regulation over a wide range of operating conditions. Additional features include internal soft-start circuitry to reduce inrush current, pulse-by-pulse current limit, thermal shutdown, and output overvoltage protection.

Subscribe to Welllinkchips !
Your Name
* Email
Submit a request