0
SN74LV8T139-EP
  • SN74LV8T139-EP
  • SN74LV8T139-EP
  • SN74LV8T139-EP

SN74LV8T139-EP

ACTIVE

Enhanced-product two-line to four-line decoders/demultiplexers with logic-level shifter

Texas Instruments SN74LV8T139-EP Product Info

1 April 2026 0

Parameters

Operating temperature range (°C)

-55 to 125

Rating

HiRel Enhanced Product

Package

TSSOP (PW)-16-32 mm² 5 x 6.4

Features

  • Wide operating range of 1.65V to 5.5V
  • 5.5V tolerant input pins
  • Single-supply voltage translator (refer to LVxT Enhanced Input Voltage):
    • Up translation:
      • 1.2V to 1.8V
      • 1.5V to 2.5V
      • 1.8V to 3.3V
      • 3.3V to 5.0V
    • Down translation:

      • 5.0V, 3.3V, 2.5V to 1.8V
      • 5.0V, 3.3V to 2.5V
      • 5.0V to 3.3V
  • Up to 150Mbps with 5V or 3.3V VCC
  • Supports standard function pinout
  • Latch-up performance exceeds 250mAper JESD 17
  • Supports defense and aerospace applications:
    • Controlled baseline
    • One assembly and test site
    • One fabrication site
    • Extended product life cycle
    • Product traceability
  • Wide operating range of 1.65V to 5.5V
  • 5.5V tolerant input pins
  • Single-supply voltage translator (refer to LVxT Enhanced Input Voltage):
    • Up translation:
      • 1.2V to 1.8V
      • 1.5V to 2.5V
      • 1.8V to 3.3V
      • 3.3V to 5.0V
    • Down translation:

      • 5.0V, 3.3V, 2.5V to 1.8V
      • 5.0V, 3.3V to 2.5V
      • 5.0V to 3.3V
  • Up to 150Mbps with 5V or 3.3V VCC
  • Supports standard function pinout
  • Latch-up performance exceeds 250mAper JESD 17
  • Supports defense and aerospace applications:
    • Controlled baseline
    • One assembly and test site
    • One fabrication site
    • Extended product life cycle
    • Product traceability

Description

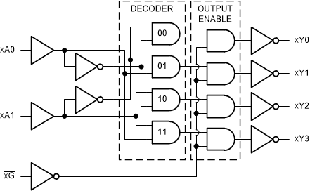
The SN74LV8T139-EP contains two two-to-four decoders with one active low output strobe G. When the outputs of one channel are gated by the strobe input, they are all forced into the high state. When the outputs are not disabled by the strobe input, only the selected output is low while all others are high.

The SN74LV8T139-EP contains two two-to-four decoders with one active low output strobe G. When the outputs of one channel are gated by the strobe input, they are all forced into the high state. When the outputs are not disabled by the strobe input, only the selected output is low while all others are high.

Subscribe to Welllinkchips !
Your Name
* Email
Submit a request