0
LM5170
  • LM5170
  • LM5170
  • LM5170
  • LM5170
  • LM5170

LM5170

ACTIVE

Multiphase bidirectional current controller

Texas Instruments LM5170 Product Info

1 April 2026 0

Parameters

Rating

Catalog

Topology

Boost, Buck, Buck/Boost

Vin (max) (V)

85

Vin (min) (V)

3

Vout (max) (V)

85

Vout (min) (V)

6

Features

Adjustable current limit, Bidirectional, Enable, Frequency synchronization, Light-load efficiency, Load Disconnect, Multiple outputs, Phase interleaving, Power good, Synchronous rectification, UVLO adjustable

Duty cycle (max) (%)

99

Iq (typ) (A)

0.001

TI functional safety category

Functional Safety-Capable

Operating temperature range (°C)

-40 to 125

Package

HTQFP (PHP)-48-81 mm² 9 x 9

Features

  • Functional Safety-Capable
  • Suited for high power industrial dual battery system
    • 100-V HV-port and 65-V LV-port max ratings
    • 1% Accurate bidirectional current regulation
    • 1% Accurate channel current monitoring
    • 5-A Peak half-bridge gate drivers
    • Support multi-phase operation with stackability
    • Diode emulation prevents negative current
  • Programmability and flexibility
    • Programmable or adaptive dead-time control
    • Programmable oscillator frequency with optional synchronization to external clock
    • Dual channel enable control inputs
    • Analog and PWM current controls
    • Programmable peak current limit
    • Programmable soft-start timer
    • Phase adding or dropping using EN2
  • Integrated protection features
    • HV and LV port over-voltage protection
    • MOSFET failure detect at start-up and circuit breaker control
    • Thermal shutdown
  • Functional Safety-Capable
  • Suited for high power industrial dual battery system
    • 100-V HV-port and 65-V LV-port max ratings
    • 1% Accurate bidirectional current regulation
    • 1% Accurate channel current monitoring
    • 5-A Peak half-bridge gate drivers
    • Support multi-phase operation with stackability
    • Diode emulation prevents negative current
  • Programmability and flexibility
    • Programmable or adaptive dead-time control
    • Programmable oscillator frequency with optional synchronization to external clock
    • Dual channel enable control inputs
    • Analog and PWM current controls
    • Programmable peak current limit
    • Programmable soft-start timer
    • Phase adding or dropping using EN2
  • Integrated protection features
    • HV and LV port over-voltage protection
    • MOSFET failure detect at start-up and circuit breaker control
    • Thermal shutdown

Description

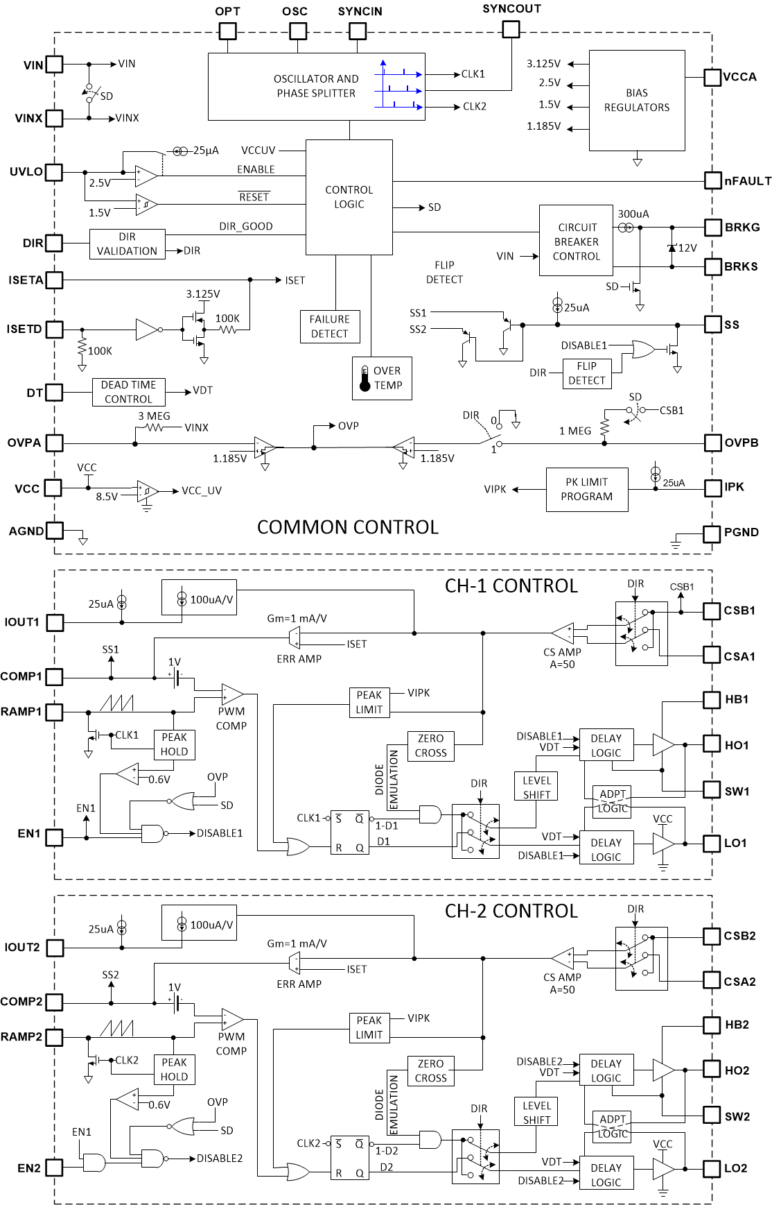
The LM5170 controller provides the essential high voltage and precision elements of a dual-channel bidirectional converter. It regulates the average current flowing between the high voltage and low voltage ports in the direction designated by the DIR input signal. The current regulation level is programmed through analog or digital PWM inputs.

Dual-channel differential current sense amplifiers and dedicated channel current monitors achieve typical current accuracy of 1%. Robust 5-A half-bridge gate drivers are capable of driving parallel MOSFET switches delivering 500 W or more per channel. The diode emulation mode of the synchronous rectifiers prevents negative currents but also enables discontinuous mode operation for improved efficiency with light loads. Versatile protection features include cycle-by-cycle current limiting, overvoltage protection at both HV and LV ports, MOSFET failure detection, and overtemperature protection.

The LM5170 controller provides the essential high voltage and precision elements of a dual-channel bidirectional converter. It regulates the average current flowing between the high voltage and low voltage ports in the direction designated by the DIR input signal. The current regulation level is programmed through analog or digital PWM inputs.

Dual-channel differential current sense amplifiers and dedicated channel current monitors achieve typical current accuracy of 1%. Robust 5-A half-bridge gate drivers are capable of driving parallel MOSFET switches delivering 500 W or more per channel. The diode emulation mode of the synchronous rectifiers prevents negative currents but also enables discontinuous mode operation for improved efficiency with light loads. Versatile protection features include cycle-by-cycle current limiting, overvoltage protection at both HV and LV ports, MOSFET failure detection, and overtemperature protection.

Subscribe to Welllinkchips !
Your Name
* Email
Submit a request