0
DS36277
  • DS36277
  • DS36277
  • DS36277

DS36277

ACTIVE

Dominant Mode Multipoint Transceiver

Texas Instruments DS36277 Product Info

1 April 2026 1

Parameters

Number of receivers

1

Number of transmitters

1

Duplex

Half

Supply voltage (nom) (V)

5

Signaling rate (max) (Mbps)

20

IEC 61000-4-2 contact (±V)

None

Fault protection (V)

-10 to 15

Common-mode range (V)

-7 to 12

Number of nodes

32

Isolated

No

Supply current (max) (µA)

500

Rating

Catalog

Operating temperature range (°C)

-40 to 85

Package

SOIC (D)-8-29.4 mm² 4.9 x 6

Features

  • FAILSAFE Receiver, RO = HIGH for:
    • OPEN Inputs
    • Terminated Inputs
    • SHORTED Inputs
  • Optimal for Use in SAE J1708 Interfaces
  • Compatible with Popular Interface Standards:
    • TIA/EIA-485 and TIA/EIA-422-A
    • CCITT Recommendation V.11
  • Bi-Directional Transceiver
    • Designed for Multipoint Transmission
  • Wide Bus Common Mode Range
    • (−7V to +12V)
  • Available in PDIP and SOIC Packages

All trademarks are the property of their respective owners.

  • FAILSAFE Receiver, RO = HIGH for:
    • OPEN Inputs
    • Terminated Inputs
    • SHORTED Inputs
  • Optimal for Use in SAE J1708 Interfaces
  • Compatible with Popular Interface Standards:
    • TIA/EIA-485 and TIA/EIA-422-A
    • CCITT Recommendation V.11
  • Bi-Directional Transceiver
    • Designed for Multipoint Transmission
  • Wide Bus Common Mode Range
    • (−7V to +12V)
  • Available in PDIP and SOIC Packages

All trademarks are the property of their respective owners.

Description

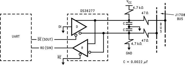
The DS36277 Dominant Mode Multipoint Transceiver is designed for use on bi-directional differential busses. It is optimal for use on Interfaces that utilize Society of Automotive Engineers (SAE) J1708 Electrical Standard.

The device is similar to standard TIA/EIA-485 transceivers, but differs in enabling scheme. The Driver's Input is normally externally tied LOW, thus providing only two states: Active (LOW), or Disabled (OFF). When the driver is active, the dominant mode is LOW, conversely, when the driver is disabled, the bus is pulled HIGH by external bias resistors.

The receiver provides a FAILSAFE feature that ensures a known output state when the Interface is in the following conditions: Floating Line, Idle Line (no active drivers), and Line Fault Conditions (open or short). The receiver output is HIGH for the following conditions: Open Inputs, Terminated Inputs (50Ω), or Shorted Inputs. FAILSAFE is a highly desirable feature when the transceivers are used with Asynchronous Controllers such as UARTs.

The DS36277 Dominant Mode Multipoint Transceiver is designed for use on bi-directional differential busses. It is optimal for use on Interfaces that utilize Society of Automotive Engineers (SAE) J1708 Electrical Standard.

The device is similar to standard TIA/EIA-485 transceivers, but differs in enabling scheme. The Driver's Input is normally externally tied LOW, thus providing only two states: Active (LOW), or Disabled (OFF). When the driver is active, the dominant mode is LOW, conversely, when the driver is disabled, the bus is pulled HIGH by external bias resistors.

The receiver provides a FAILSAFE feature that ensures a known output state when the Interface is in the following conditions: Floating Line, Idle Line (no active drivers), and Line Fault Conditions (open or short). The receiver output is HIGH for the following conditions: Open Inputs, Terminated Inputs (50Ω), or Shorted Inputs. FAILSAFE is a highly desirable feature when the transceivers are used with Asynchronous Controllers such as UARTs.

Subscribe to Welllinkchips !
Your Name
* Email
Submit a request