0
LM5143-Q1
  • LM5143-Q1
  • LM5143-Q1
  • LM5143-Q1

LM5143-Q1

ACTIVE

3.5-V to 65-V low Iq, dual, 2-phase synchronous buck DC-DC controller

Texas Instruments LM5143-Q1 Product Info

1 April 2026 1

Parameters

Rating

Automotive

Topology

Buck

Iout (max) (A)

40

Vin (max) (V)

65

Vin (min) (V)

3.5

Vout (max) (V)

55

Vout (min) (V)

0.6

Control mode

current mode

Features

Adjustable current limit, Enable, Frequency synchronization, Light Load Efficiency, Multiple Outputs, Phase Interleaving, Power good, Pre-Bias Start-Up, Spread Spectrum, Synchronous Rectification, Tracking, UVLO Fixed

EMI features

Spread Spectrum

Duty cycle (max) (%)

99

Iq (typ) (A)

0.000015

Number of phases

4

TI functional safety category

Functional Safety-Capable

Operating temperature range (°C)

-40 to 150

Package

VQFNP (RWG)-40-36 mm² 6 x 6

Features

  • AEC-Q100 qualified for automotive applications:
    • Device temperature grade 1: –40°C to +125°C ambient operating temperature
  • Functional Safety-Capable
  • Versatile synchronous buck DC/DC controller
    • Wide input voltage range of 3.5 V to 65 V
    • 1% accurate, fixed 3.3-V, 5-V, or adjustable outputs from 0.6 V to 55 V
    • 150°C maximum junction temperature
    • Shutdown mode current: 4 µA typical
    • No-load standby current: 15 µA typical
  • Two interleaved synchronous buck channels
    • Dual-channel or single-output multiphase
    • 65-ns tON(min) for high VIN/VOUT ratio
    • 60-ns tOFF(min) for low dropout
  • Inherent protection features for robust design
    • Hiccup-mode overcurrent protection
    • Independent ENABLE and PGOOD functions
    • VCC, VDDA, and gate-drive UVLO protection
    • Thermal shutdown protection with hysteresis
  • Optimized for ultra-low EMI requirements
    • Slew-rate controlled adaptive gate drivers
    • Spread spectrum reduces peak emissions
    • Optimized for CISPR 25 Class 5 requirements
  • Switching frequency from 100 kHz to 2.2 MHz
    • SYNC in and SYNC out capability
    • Selectable diode emulation or FPWM
  • VQFNP-40 pacakge with wettable flank pins
  • Create a custom design using the LM5143-Q1 with WEBENCH Power Designer
  • AEC-Q100 qualified for automotive applications:
    • Device temperature grade 1: –40°C to +125°C ambient operating temperature
  • Functional Safety-Capable
  • Versatile synchronous buck DC/DC controller
    • Wide input voltage range of 3.5 V to 65 V
    • 1% accurate, fixed 3.3-V, 5-V, or adjustable outputs from 0.6 V to 55 V
    • 150°C maximum junction temperature
    • Shutdown mode current: 4 µA typical
    • No-load standby current: 15 µA typical
  • Two interleaved synchronous buck channels
    • Dual-channel or single-output multiphase
    • 65-ns tON(min) for high VIN/VOUT ratio
    • 60-ns tOFF(min) for low dropout
  • Inherent protection features for robust design
    • Hiccup-mode overcurrent protection
    • Independent ENABLE and PGOOD functions
    • VCC, VDDA, and gate-drive UVLO protection
    • Thermal shutdown protection with hysteresis
  • Optimized for ultra-low EMI requirements
    • Slew-rate controlled adaptive gate drivers
    • Spread spectrum reduces peak emissions
    • Optimized for CISPR 25 Class 5 requirements
  • Switching frequency from 100 kHz to 2.2 MHz
    • SYNC in and SYNC out capability
    • Selectable diode emulation or FPWM
  • VQFNP-40 pacakge with wettable flank pins
  • Create a custom design using the LM5143-Q1 with WEBENCH Power Designer

Description

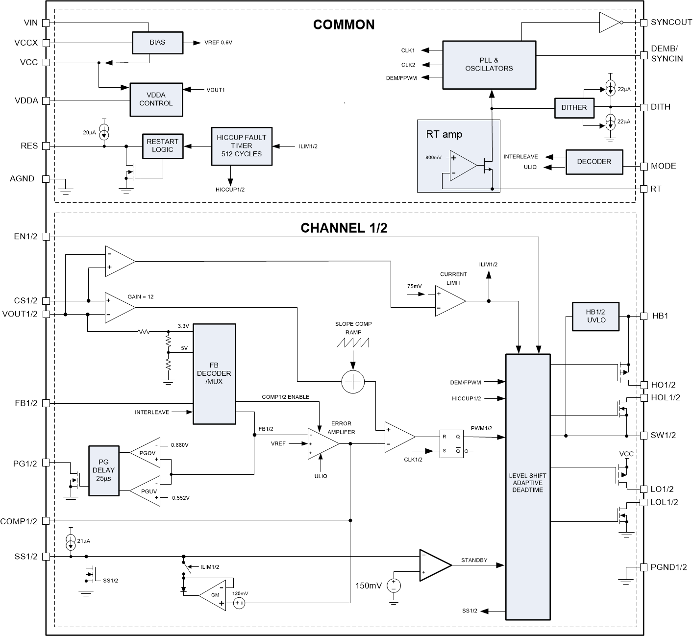
The LM5143-Q1 is a 65-V synchronous buck DC/DC controller for high-current single or dual outputs. The device uses an interleaved, stackable, peak current-mode control architecture for easy loop compensation, fast transient response, excellent load and line regulation, and accurate current sharing with paralleled phases for higher output current. A high-side switch minimum on-time of 65 ns gives large step-down ratios, enabling the direct conversion from 12-V, 24-V, or 48-Vautomotive inputs to low-voltage rails for reduced system complexity and solution cost. The LM5143-Q1 continues to operate during input voltage dips as low as 3.5 V, at nearly 100% duty cycle if needed.

Current is sensed using the inductor DCR for highest efficiency or an optional shunt resistor for high accuracy. The 15-µA no-load quiescent current with the output voltage in regulation extends operating run-time in battery-powered systems. Power the LM5143-Q1 from the output of the switching regulator or another available source for even lower input quiescent current and power loss.

The LM5143-Q1 is a 65-V synchronous buck DC/DC controller for high-current single or dual outputs. The device uses an interleaved, stackable, peak current-mode control architecture for easy loop compensation, fast transient response, excellent load and line regulation, and accurate current sharing with paralleled phases for higher output current. A high-side switch minimum on-time of 65 ns gives large step-down ratios, enabling the direct conversion from 12-V, 24-V, or 48-Vautomotive inputs to low-voltage rails for reduced system complexity and solution cost. The LM5143-Q1 continues to operate during input voltage dips as low as 3.5 V, at nearly 100% duty cycle if needed.

Current is sensed using the inductor DCR for highest efficiency or an optional shunt resistor for high accuracy. The 15-µA no-load quiescent current with the output voltage in regulation extends operating run-time in battery-powered systems. Power the LM5143-Q1 from the output of the switching regulator or another available source for even lower input quiescent current and power loss.

Subscribe to Welllinkchips !
Your Name
* Email
Submit a request