0
LM5134
  • LM5134
  • LM5134
  • LM5134

LM5134

ACTIVE

7.6-A/4.5-A single channel gate driver with 4-V UVLO and complementary pilot output

Texas Instruments LM5134 Product Info

1 April 2026 0

Parameters

Number of channels

1

Power switch

MOSFET

Peak output current (A)

7.6

Input supply voltage (min) (V)

4

Input supply voltage (max) (V)

12.6

Features

Pilot Output

Operating temperature range (°C)

-40 to 125

Rise time (ns)

5

Fall time (ns)

2.3

Propagation delay time (µs)

0.012

Input threshold

CMOS, TTL

Channel input logic

Inverting, Non-Inverting

Input negative voltage (V)

0

Rating

Catalog

Undervoltage lockout (typ) (V)

3.5

Driver configuration

Single

Package

SOT-23 (DBV)-6-8.12 mm² 2.9 x 2.8

Features

  • 7.6-A and 4.5-A Peak Sink and Source Drive
    Current for Main Output
  • 820-mA and 660-mA Peak Sink and Source
    Current for PILOT Output
  • 4-V to 12.6-V Single-Power Supply
  • Matching Delay Time Between Inverting and Non-
    Inverting Inputs
  • TTL/CMOS Logic Inputs
  • Up to 14-V Logic Inputs (Regardless of VDD
    Voltage)
  • –40°C to 125°C Junction Temperature Range
  • 7.6-A and 4.5-A Peak Sink and Source Drive
    Current for Main Output
  • 820-mA and 660-mA Peak Sink and Source
    Current for PILOT Output
  • 4-V to 12.6-V Single-Power Supply
  • Matching Delay Time Between Inverting and Non-
    Inverting Inputs
  • TTL/CMOS Logic Inputs
  • Up to 14-V Logic Inputs (Regardless of VDD
    Voltage)
  • –40°C to 125°C Junction Temperature Range

Description

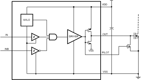
The LM5134 is a high-speed single low-side driver capable of sinking and sourcing 7.6-A and 4.5-A peak currents. The LM5134 has inverting and noninverting inputs that give the user greater flexibility in controlling the FET. The LM5134 features one main output, OUT, and an extra gate drive output, PILOT. The PILOT pin logic is complementary to the OUT pin, and can be used to drive a small MOSFET located close to the main power FET. This configuration minimizes the turnoff loop and reduces the consequent parasitic inductance. It is particularly useful for driving high-speed FETs or multiple FETs in parallel. The LM5134 is available in the 6-pin SOT-23 package and the 6-pin WSON package with an exposed pad to aid thermal dissipation.

The LM5134 is a high-speed single low-side driver capable of sinking and sourcing 7.6-A and 4.5-A peak currents. The LM5134 has inverting and noninverting inputs that give the user greater flexibility in controlling the FET. The LM5134 features one main output, OUT, and an extra gate drive output, PILOT. The PILOT pin logic is complementary to the OUT pin, and can be used to drive a small MOSFET located close to the main power FET. This configuration minimizes the turnoff loop and reduces the consequent parasitic inductance. It is particularly useful for driving high-speed FETs or multiple FETs in parallel. The LM5134 is available in the 6-pin SOT-23 package and the 6-pin WSON package with an exposed pad to aid thermal dissipation.

Subscribe to Welllinkchips !
Your Name
* Email
Submit a request