0
LM98714
  • LM98714
  • LM98714
  • LM98714

LM98714

ACTIVE

3 Ch 16-Bit 45 MSPS Digital Copier AFE w/ Integrated CCD/CIS Sensor Timing Generator & LVDS Output

Texas Instruments LM98714 Product Info

1 April 2026 0

Parameters

Resolution (Bits)

16

Number of channels

3

Sample rate (Msps)

45

Gain (min) (dB)

-3

Gain (max) (dB)

17.9

Pd (typ) (mW)

505

Supply voltage (max) (V)

3.3

Operating temperature range (°C)

0 to 70

Output data format

CMOS, LVDS

Rating

Catalog

Package

TSSOP (DGG)-48-101.25 mm² 12.5 x 8.1

Features

  • LVDS/CMOS Outputs
  • LVDS/CMOS Pixel Rate Input Clock or ADC Input Clock
  • CDS or S/H Processing for CCD or CIS Sensors
  • Independent Gain/Offset Correction for Each Channel
  • Digital Black Level Correction Loop for Each Channel
  • Programmable Input Clamp Voltage
  • Flexible CCD/CIS Sensor Timing Generator
  • Key Specifications
    • Maximum Input Level: 1.2 or 2.4 Volt Modes
      • (Both with + or – Polarity Option)
    • ADC Resolution: 16-Bit
    • ADC Sampling Rate: 45 MSPS
    • INL: ±23 LSB (Typ)
    • Channel Sampling Rate: 15/22.5/30 MSPS
    • PGA Gain Steps: 256 Steps
    • PGA Gain Range: 0.7 to 7.84x
    • Analog DAC Resolution: ±9 Bits
    • Analog DAC Range: ±300 mV or ±600 mV
    • Digital DAC Resolution: ±6 Bits
    • Digital DAC Range: –1024 LSB to + 1008 LSB
    • SNR: –74dB (at 0 dB PGA Gain)
    • Power Dissipation: 505 mW (LVDS) 610 mW (CMOS)
    • Operating Temp: 0 to 70°C
    • Supply Voltage: 3.3 V Nominal (3.0 V to 3.6 V Range)
  • LVDS/CMOS Outputs
  • LVDS/CMOS Pixel Rate Input Clock or ADC Input Clock
  • CDS or S/H Processing for CCD or CIS Sensors
  • Independent Gain/Offset Correction for Each Channel
  • Digital Black Level Correction Loop for Each Channel
  • Programmable Input Clamp Voltage
  • Flexible CCD/CIS Sensor Timing Generator
  • Key Specifications
    • Maximum Input Level: 1.2 or 2.4 Volt Modes
      • (Both with + or – Polarity Option)
    • ADC Resolution: 16-Bit
    • ADC Sampling Rate: 45 MSPS
    • INL: ±23 LSB (Typ)
    • Channel Sampling Rate: 15/22.5/30 MSPS
    • PGA Gain Steps: 256 Steps
    • PGA Gain Range: 0.7 to 7.84x
    • Analog DAC Resolution: ±9 Bits
    • Analog DAC Range: ±300 mV or ±600 mV
    • Digital DAC Resolution: ±6 Bits
    • Digital DAC Range: –1024 LSB to + 1008 LSB
    • SNR: –74dB (at 0 dB PGA Gain)
    • Power Dissipation: 505 mW (LVDS) 610 mW (CMOS)
    • Operating Temp: 0 to 70°C
    • Supply Voltage: 3.3 V Nominal (3.0 V to 3.6 V Range)

Description

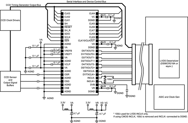
The LM98714 is a fully integrated, high performance 16-Bit, 45 MSPS signal processing solution for digital color copiers, scanners, and other image processing applications. High-speed signal throughput is achieved with an innovative architecture utilizing Correlated Double Sampling (CDS), typically employed with CCD arrays, or Sample and Hold (S/H) inputs (for Contact Image Sensors and CMOS image sensors). The signal paths utilize 8 bit Programmable Gain Amplifiers (PGA), a ±9-Bit offset correction DAC and independently controlled Digital Black Level correction loops for each input. The PGA and offset DAC are programmed independently allowing unique values of gain and offset for each of the three inputs. The signals are then routed to a 45 MHz high performance analog-to-digital converter (ADC). The fully differential processing channel shows exceptional noise immunity, having a very low noise floor of –74dB. The 16-bit ADC has excellent dynamic performance making the LM98714 transparent in the image reproduction chain.

The LM98714 is a fully integrated, high performance 16-Bit, 45 MSPS signal processing solution for digital color copiers, scanners, and other image processing applications. High-speed signal throughput is achieved with an innovative architecture utilizing Correlated Double Sampling (CDS), typically employed with CCD arrays, or Sample and Hold (S/H) inputs (for Contact Image Sensors and CMOS image sensors). The signal paths utilize 8 bit Programmable Gain Amplifiers (PGA), a ±9-Bit offset correction DAC and independently controlled Digital Black Level correction loops for each input. The PGA and offset DAC are programmed independently allowing unique values of gain and offset for each of the three inputs. The signals are then routed to a 45 MHz high performance analog-to-digital converter (ADC). The fully differential processing channel shows exceptional noise immunity, having a very low noise floor of –74dB. The 16-bit ADC has excellent dynamic performance making the LM98714 transparent in the image reproduction chain.

Subscribe to Welllinkchips !
Your Name
* Email
Submit a request