0
LMX2433
  • LMX2433
  • LMX2433
  • LMX2433
  • LMX2433

LMX2433

ACTIVE

3.6-GHz/1.7-GHz PLLatinum dual high frequency synthesizer for RF personal communications

Texas Instruments LMX2433 Product Info

1 April 2026 0

Parameters

Frequency (max) (MHz)

3600

Frequency (min) (MHz)

500

Normalized PLL phase noise (dBc/Hz)

-218

1/f noise (10-kHz offset at 1-GHz carrier) (dBc/Hz)

-100

Features

Fastlock, Programmable charge-pump current, Synchronous and asynchronous power down

Current consumption (mA)

3.2

Integrated VCO

No

Operating temperature range (°C)

-40 to 85

Rating

Catalog

Lock time (µs) (typ) (s)

Loop BW dependent

Package

ULGA (NPE)-20-12.25 mm² 3.5 x 3.5

Features

  • Low Current Consumption
    • LMX2430 (RF/IF): 2.8 mA/ 1.4 mA
    • LMX2433 (RF/IF): 3.2 mA/ 2 mA
    • LMX2434 (RF/IF): 4.6 mA/ 2.4 mA
  • 2.25-V to 2.75-V Operation
  • Synchronous/Asynchronous Power Down
  • Multiple PLL Options:
    • LMX2430 (RF/IF): 3 GHz /0.8 GHz
    • LMX2433 (RF/IF): 3.6 GHz /1.7 GHz
    • LMX2434 (RF/IF): 5 GHz /2.5 GHz
  • Programmable Charge-Pump Current Levels
    • RF and IF: 1 or 4 mA
  • Fastlock With Integrated Time-Out Counters
  • Digital Filtered Lock-Detect Output
  • Analog Lock Detect (Push-Pull / Open-Drain)
  • 1.8-V MICROWIRE Logic Interface
  • Low Current Consumption
    • LMX2430 (RF/IF): 2.8 mA/ 1.4 mA
    • LMX2433 (RF/IF): 3.2 mA/ 2 mA
    • LMX2434 (RF/IF): 4.6 mA/ 2.4 mA
  • 2.25-V to 2.75-V Operation
  • Synchronous/Asynchronous Power Down
  • Multiple PLL Options:
    • LMX2430 (RF/IF): 3 GHz /0.8 GHz
    • LMX2433 (RF/IF): 3.6 GHz /1.7 GHz
    • LMX2434 (RF/IF): 5 GHz /2.5 GHz
  • Programmable Charge-Pump Current Levels
    • RF and IF: 1 or 4 mA
  • Fastlock With Integrated Time-Out Counters
  • Digital Filtered Lock-Detect Output
  • Analog Lock Detect (Push-Pull / Open-Drain)
  • 1.8-V MICROWIRE Logic Interface

Description

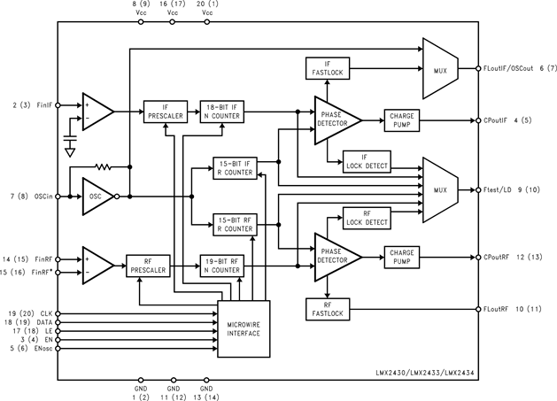
Using a proprietary digital-phase, locked-loop technique, the LMX243x devices generate very stable, low-noise control signals for RF and IF voltage controlled oscillators. Both the RF and IF synthesizers include a two-level programmable charge pump. Both the RF and IF PLLs have dedicated fastlock circuitry with integrated time-out counters which require only a single word write to power up or change frequencies.

The LMX243x devices are high-performance frequency synthesizers with integrated dual-modulus prescalers. A 32/33 or a 16/17 prescale ratio can be selected for the 5-GHz LMX2434 RF synthesizer. An 8/9 or a 16/17 prescale ratio can be selected for both the LMX2430 and LMX2433 RF synthesizers. The IF circuitry contains an 8/9 or a 16/17 prescaler.

Serial data is transferred to the devices through a three-wire interface (DATA, LE, CLK). A low voltage logic interface allows direct connection to 1.8-V devices. Supply voltages from 2.25 V to 2.75 V are supported.

Using a proprietary digital-phase, locked-loop technique, the LMX243x devices generate very stable, low-noise control signals for RF and IF voltage controlled oscillators. Both the RF and IF synthesizers include a two-level programmable charge pump. Both the RF and IF PLLs have dedicated fastlock circuitry with integrated time-out counters which require only a single word write to power up or change frequencies.

The LMX243x devices are high-performance frequency synthesizers with integrated dual-modulus prescalers. A 32/33 or a 16/17 prescale ratio can be selected for the 5-GHz LMX2434 RF synthesizer. An 8/9 or a 16/17 prescale ratio can be selected for both the LMX2430 and LMX2433 RF synthesizers. The IF circuitry contains an 8/9 or a 16/17 prescaler.

Serial data is transferred to the devices through a three-wire interface (DATA, LE, CLK). A low voltage logic interface allows direct connection to 1.8-V devices. Supply voltages from 2.25 V to 2.75 V are supported.

Subscribe to Welllinkchips !
Your Name
* Email
Submit a request