0
DAC3154
  • DAC3154
  • DAC3154
  • DAC3154

DAC3154

ACTIVE

Dual-channel, 10-bit, 500-MSPS digital-to-analog converter (DAC)

Texas Instruments DAC3154 Product Info

1 April 2026 0

Parameters

Resolution (Bits)

10

Number of DAC channels

2

Interface type

DDR LVDS, Parallel LVDS

Sample/update rate (Msps)

500

Features

Low Power

Rating

Catalog

Interpolation

1x

Power consumption (typ) (mW)

464

SFDR (dB)

76

Architecture

Current Source

Operating temperature range (°C)

-40 to 85

Reference type

Ext, Int

Package

VQFN (RGC)-64-81 mm² 9 x 9

Features

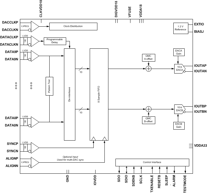
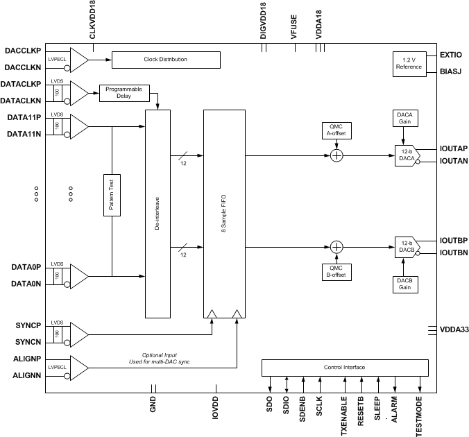
  • Dual Channel
  • Resolution
    • DAC3154: 10-Bit
    • DAC3164: 12-Bit
  • Maximum Sample Rate: 500 MSPS
  • Pin Compatible Family with DAC3174 and
    DAC3151/DAC3161/DAC3171
  • Input Interface:
    • 12-/10-Bit Wide LVDS Inputs
    • Internal FIFO
  • Chip to Chip Synchronization
  • Power Dissipation: 460mW
  • Spectral Performance at 20 MHz IF
    • SNR: 62 dBFS for DAC3154, 72 dBFS for DAC3164
    • SFDR: 76 dBc for DAC3154, 77 dBc for DAC3164
  • Current Sourcing DACs
  • Compliance Range: –0.5V to 1V
  • Package: 64 Pin QFN (9x9mm)
  • Dual Channel
  • Resolution
    • DAC3154: 10-Bit
    • DAC3164: 12-Bit
  • Maximum Sample Rate: 500 MSPS
  • Pin Compatible Family with DAC3174 and
    DAC3151/DAC3161/DAC3171
  • Input Interface:
    • 12-/10-Bit Wide LVDS Inputs
    • Internal FIFO
  • Chip to Chip Synchronization
  • Power Dissipation: 460mW
  • Spectral Performance at 20 MHz IF
    • SNR: 62 dBFS for DAC3154, 72 dBFS for DAC3164
    • SFDR: 76 dBc for DAC3154, 77 dBc for DAC3164
  • Current Sourcing DACs
  • Compliance Range: –0.5V to 1V
  • Package: 64 Pin QFN (9x9mm)

Description

The DAC3154/DAC3164 are dual channel 10-/12-bit, pin-compatible family of 500 MSPS digital-to-analog converters (DAC). The DAC3154/DAC3164 use a 10-/12-bit wide LVDS digital bus with an input FIFO. FIFO input and output pointers can be synchronized across multiple devices for precise signal synchronization. The DAC outputs are current sourcing and terminate to GND with a compliance range of –0.5 to 1V. DAC3154/ DAC3164 are pin compatible with the dual-channel, 14-bit, 500 MSPS digital-to-analog converters DAC3174, and the single-channel, 14-/12-10-bit, digital-to-analog converters DAC3171/DAC3161/DAC3151.

The devices are available in a QFN-64 PowerPAD package is specified over the full industrial temperature range (–40°C to 85°C).

The DAC3154/DAC3164 are dual channel 10-/12-bit, pin-compatible family of 500 MSPS digital-to-analog converters (DAC). The DAC3154/DAC3164 use a 10-/12-bit wide LVDS digital bus with an input FIFO. FIFO input and output pointers can be synchronized across multiple devices for precise signal synchronization. The DAC outputs are current sourcing and terminate to GND with a compliance range of –0.5 to 1V. DAC3154/ DAC3164 are pin compatible with the dual-channel, 14-bit, 500 MSPS digital-to-analog converters DAC3174, and the single-channel, 14-/12-10-bit, digital-to-analog converters DAC3171/DAC3161/DAC3151.

The devices are available in a QFN-64 PowerPAD package is specified over the full industrial temperature range (–40°C to 85°C).

Subscribe to Welllinkchips !
Your Name
* Email
Submit a request