0
LM4050-N
  • LM4050-N
  • LM4050-N
  • LM4050-N
  • LM4050-N

LM4050-N

ACTIVE

50-ppm/°C precision micropower shunt voltage reference

Texas Instruments LM4050-N Product Info

1 April 2026 0

Parameters

Rating

Catalog

VO (V)

2.048, 2.5, 4.096, 4.1, 5, 8.192, 10

Initial accuracy (max) (%)

0.1, 0.2, 0.5

Iz for regulation (min) (µA)

45, 60, 68, 74, 91, 100

VO adj (min) (V)

2.048

VO adj (max) (V)

10

Reference voltage (V)

Fixed

Temp coeff (max) (ppm/°C)

50

Operating temperature range (°C)

-40 to 125

Iout/Iz (max) (mA)

15

Package

SOT-23 (DBZ)-3-6.9204 mm² 2.92 x 2.37

Features

  • Small Package: SOT-23
  • No Output Capacitor Required
  • Tolerates Capacitive Loads
  • Fixed Reverse Breakdown Voltages of 2.048V, 2.5V, 4.096V, 5V, 8.192V, and 10V
  • Key Specifications (LM4050-N)
    • Output Voltage Tolerance (A Grade, 25°C) ±0.1% (Maximum)
    • Low Output Noise (10Hz to 10kHz) 41µVrms (Typical)
    • Wide Operating Current Range 60µA to 15mA
    • Industrial Temperature Range −40°C to 85°C
    • Extended Temperature Range −40°C to 125°C
    • Low Temperature Coefficient 50ppm/°C (max)
    • LM4050-N-Q1 is AEC-Q100 Grade 1 Qualified and are Manufactured on an Automotive Grade Flow
  • Small Package: SOT-23
  • No Output Capacitor Required
  • Tolerates Capacitive Loads
  • Fixed Reverse Breakdown Voltages of 2.048V, 2.5V, 4.096V, 5V, 8.192V, and 10V
  • Key Specifications (LM4050-N)
    • Output Voltage Tolerance (A Grade, 25°C) ±0.1% (Maximum)
    • Low Output Noise (10Hz to 10kHz) 41µVrms (Typical)
    • Wide Operating Current Range 60µA to 15mA
    • Industrial Temperature Range −40°C to 85°C
    • Extended Temperature Range −40°C to 125°C
    • Low Temperature Coefficient 50ppm/°C (max)
    • LM4050-N-Q1 is AEC-Q100 Grade 1 Qualified and are Manufactured on an Automotive Grade Flow

Description

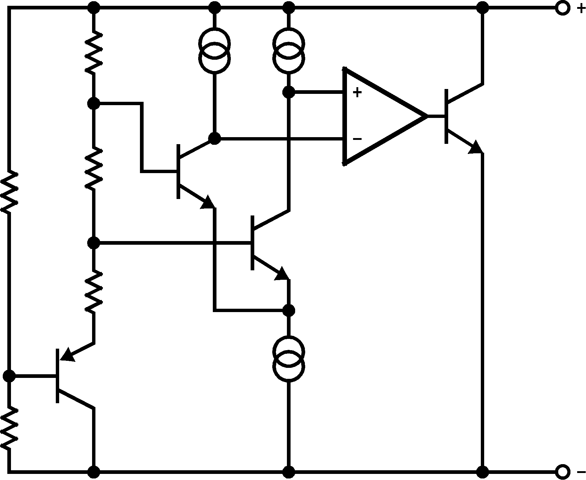
Designed for space-critical applications, the LM4050-N precision voltage reference is available in the sub-miniature (3mm × 1.3mm) SOT-23 surface-mount package. The LM4050-N design eliminates the need for an external stabilizing capacitor while maintaining stability with any capacitive load, thus making the LM4050-N easy to use. Further reducing design effort is the availability of several fixed reverse breakdown voltages: 2.048V, 2.5V, 4.096V, 5V, 8.192V, and 10V. The minimum operating current increases from 60µA for the LM4050-N-2.0 to 100µA for the LM4050-N-10.0. All versions have a maximum operating current of 15mA.

The LM4050-N utilizes fuse and Zener-zap reverse breakdown voltage trim during wafer sort to make sure that the prime parts have an accuracy of better than ±0.1% (A grade) at 25°C. Bandgap reference temperature drift curvature correction and low dynamic impedance verify stable reverse breakdown voltage accuracy over a wide range of operating temperatures and currents.

All grades and voltage options of the LM4050-N are available in both an industrial temperature range (−40°C and 85°C) and an extended temperature range (−40°C and 125°C).

Designed for space-critical applications, the LM4050-N precision voltage reference is available in the sub-miniature (3mm × 1.3mm) SOT-23 surface-mount package. The LM4050-N design eliminates the need for an external stabilizing capacitor while maintaining stability with any capacitive load, thus making the LM4050-N easy to use. Further reducing design effort is the availability of several fixed reverse breakdown voltages: 2.048V, 2.5V, 4.096V, 5V, 8.192V, and 10V. The minimum operating current increases from 60µA for the LM4050-N-2.0 to 100µA for the LM4050-N-10.0. All versions have a maximum operating current of 15mA.

The LM4050-N utilizes fuse and Zener-zap reverse breakdown voltage trim during wafer sort to make sure that the prime parts have an accuracy of better than ±0.1% (A grade) at 25°C. Bandgap reference temperature drift curvature correction and low dynamic impedance verify stable reverse breakdown voltage accuracy over a wide range of operating temperatures and currents.

All grades and voltage options of the LM4050-N are available in both an industrial temperature range (−40°C and 85°C) and an extended temperature range (−40°C and 125°C).

Subscribe to Welllinkchips !
Your Name
* Email
Submit a request