0
TPS65320D-Q1
  • TPS65320D-Q1
  • TPS65320D-Q1
  • TPS65320D-Q1
  • TPS65320D-Q1

TPS65320D-Q1

ACTIVE

Automotive 3.6V to 36V, 3.2A buck converter with auto-sourced 280mA LDO regulator

Texas Instruments TPS65320D-Q1 Product Info

1 April 2026 0

Parameters

Processor supplier

Generic

Processor name

Generic

Product type

Microcontrollers

Regulated outputs (#)

2

Step-down DC/DC converter

1

Step-up DC/DC converter

0

LDO

1

Vin (min) (V)

3.6

Vin (max) (V)

36

Vout (min) (V)

1.1

Vout (max) (V)

20

Iout (max) (A)

3.2

Configurability

Hardware configurable

Features

Eco-mode, Enable, Overcurrent protection, Power good, Thermal shutdown, UVLO fixed

Rating

Automotive

Operating temperature range (°C)

-40 to 125

Step-down DC/DC controller

0

Step-up DC/DC controller

0

Iq (typ) (mA)

0.155

Switching frequency (max) (kHz)

2500

Shutdown current (ISD) (typ) (µA)

2

Package

HTSSOP (PWP)-14-32 mm² 5 x 6.4

Features

  • Qualified for Automotive Applications
  • AEC-Q100 Qualified with the Following Results:
    • Device Temperature Grade 1: –40°C to +125°C Ambient Operating Temperature
    • Device HBM ESD Classification Level 2
    • Device CDM ESD Classification Level C4B
  • One High-VIN Step-Down DC-DC Converter
    • Input Range of 3.6 V to 36 V
    • 250-mΩ High-Side MOSFET
    • Maximum Load Current 3.2 A, Output Adjustable 1.1 V to 20 V
    • Adjustable Switching Frequency 100 kHz to 2.5 MHz
    • Synchronizes to External Clock
    • High Efficiency at Light Loads With Pulse-Skipping Eco-mode™ Control Scheme
    • Maximum 140-µA Operating Quiescent Current
  • One Low-Dropout Voltage (LDO) Regulator
    • Input Range of 3 V to 20 V, With Auto-Source to Balance Efficiency and Lower Standby Current
    • 280-mA Current Capability With Typical 35-µA Quiescent Current in No-Load Condition
    • Power-Good Output (Push-Pull)
    • Low-Dropout Voltage of 300 mV at
      IO = 200 mA (Typical)
  • Overcurrent Protection for Both Regulators
  • Overtemperature Protection
  • 14-Pin HTSSOP Package With PowerPAD™ Integrated Circuit Package
  • Qualified for Automotive Applications
  • AEC-Q100 Qualified with the Following Results:
    • Device Temperature Grade 1: –40°C to +125°C Ambient Operating Temperature
    • Device HBM ESD Classification Level 2
    • Device CDM ESD Classification Level C4B
  • One High-VIN Step-Down DC-DC Converter
    • Input Range of 3.6 V to 36 V
    • 250-mΩ High-Side MOSFET
    • Maximum Load Current 3.2 A, Output Adjustable 1.1 V to 20 V
    • Adjustable Switching Frequency 100 kHz to 2.5 MHz
    • Synchronizes to External Clock
    • High Efficiency at Light Loads With Pulse-Skipping Eco-mode™ Control Scheme
    • Maximum 140-µA Operating Quiescent Current
  • One Low-Dropout Voltage (LDO) Regulator
    • Input Range of 3 V to 20 V, With Auto-Source to Balance Efficiency and Lower Standby Current
    • 280-mA Current Capability With Typical 35-µA Quiescent Current in No-Load Condition
    • Power-Good Output (Push-Pull)
    • Low-Dropout Voltage of 300 mV at
      IO = 200 mA (Typical)
  • Overcurrent Protection for Both Regulators
  • Overtemperature Protection
  • 14-Pin HTSSOP Package With PowerPAD™ Integrated Circuit Package

Description

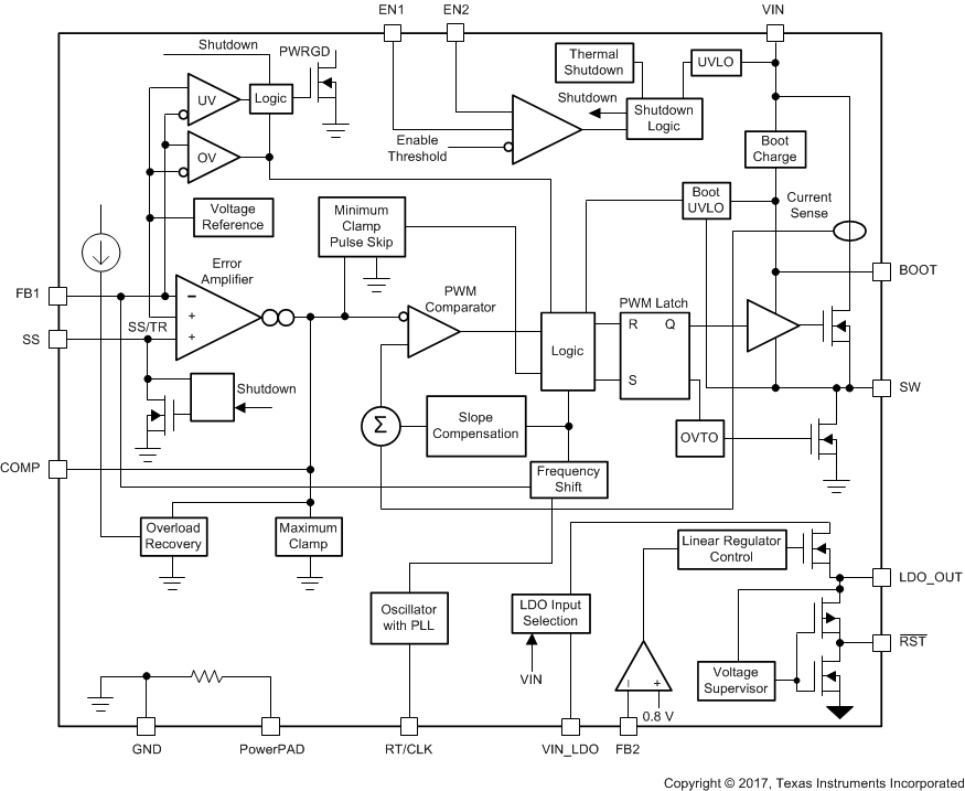
The TPS65320D-Q1 device is a combination of a high-VIN DC-DC step-down converter, referred to as the buck regulator, with an adjustable switch-mode frequency from 100-kHz to 2.5-MHz, and a high-VIN 280-mA low-dropout (LDO) regulator. The input range is 3.6 V to 36 V for the buck regulator, and 3 V to
36 V for the LDO regulator. The buck regulator has an integrated high-side MOSFET. The LDO regulator features a low-input supply current of 45-µA typical in no-load, also has an integrated MOSFET with an active-low, push-pull reset output pin. The input supply of the LDO regulator auto-source from the output of the buck regulator when it is in operation. Low-voltage tracking feature enables TPS65320D-Q1 to track the input supply during cold-crank conditions.

The buck regulator provides a flexible design to fit system needs. The external loop compensation circuit allows for optimization of the converter response for the appropriate operating conditions. A low-ripple pulse-skip mode reduces the no-load input-supply current to maximum 140 µA.

The device has built-in protection features such as soft start, current-limit, thermal sensing and shutdown due to excessive power dissipation. Furthermore, the device has an internal undervoltage-lockout (UVLO) function that turns off the device when the supply voltage is too low.

The TPS65320D-Q1 device is a combination of a high-VIN DC-DC step-down converter, referred to as the buck regulator, with an adjustable switch-mode frequency from 100-kHz to 2.5-MHz, and a high-VIN 280-mA low-dropout (LDO) regulator. The input range is 3.6 V to 36 V for the buck regulator, and 3 V to
36 V for the LDO regulator. The buck regulator has an integrated high-side MOSFET. The LDO regulator features a low-input supply current of 45-µA typical in no-load, also has an integrated MOSFET with an active-low, push-pull reset output pin. The input supply of the LDO regulator auto-source from the output of the buck regulator when it is in operation. Low-voltage tracking feature enables TPS65320D-Q1 to track the input supply during cold-crank conditions.

The buck regulator provides a flexible design to fit system needs. The external loop compensation circuit allows for optimization of the converter response for the appropriate operating conditions. A low-ripple pulse-skip mode reduces the no-load input-supply current to maximum 140 µA.

The device has built-in protection features such as soft start, current-limit, thermal sensing and shutdown due to excessive power dissipation. Furthermore, the device has an internal undervoltage-lockout (UVLO) function that turns off the device when the supply voltage is too low.

Subscribe to Welllinkchips !
Your Name
* Email
Submit a request