0
TPS65192
  • TPS65192
  • TPS65192

TPS65192

ACTIVE

9-Channel Level Shifter for LCD Displays with GPM

Texas Instruments TPS65192 Product Info

1 April 2026 0

Parameters

Display type

LCD bipolar, LCD unipolar

IC integration

LCD level shifter

Applications

13 to 21 inches, 21 inches and above

Level shifter/scan driver (Ch)

9

Features

GPM or GVS, Output discharge

Rating

Catalog

Operating temperature range (°C)

-40 to 85

Package

VQFN (RHD)-28-25 mm² 5 x 5

Features

  • 9-Channel Level Shifter Supports 6 × CLK, VST, ODD, and EVEN Signals
  • Organized as Two Groups of 7 + 2 Channels
  • Separate Positive Supplies (VGHX) for Each Group
  • VGHX Levels up to 38V
  • VGL Levels Down to -13V
  • Panel DISCHARGE Function
  • Suitable for 4-Phase and 6-Phase Applications
  • Gate Voltage Shaping on Channels 1 to 6
  • Supports Single and Multiple Flicker Clocks
  • Peak Output Currents greater than 500mA
  • 28-Pin 5×5 mm QFN Package
  • APPLICATIONS
    • LCD Displays Using Gate-in-Panel (GIP) Technology

  • 9-Channel Level Shifter Supports 6 × CLK, VST, ODD, and EVEN Signals
  • Organized as Two Groups of 7 + 2 Channels
  • Separate Positive Supplies (VGHX) for Each Group
  • VGHX Levels up to 38V
  • VGL Levels Down to -13V
  • Panel DISCHARGE Function
  • Suitable for 4-Phase and 6-Phase Applications
  • Gate Voltage Shaping on Channels 1 to 6
  • Supports Single and Multiple Flicker Clocks
  • Peak Output Currents greater than 500mA
  • 28-Pin 5×5 mm QFN Package
  • APPLICATIONS
    • LCD Displays Using Gate-in-Panel (GIP) Technology

Description

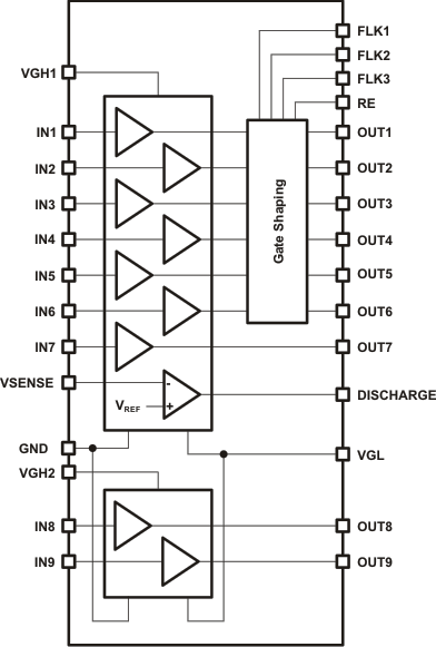
The TPS65192 is a 9 channel level-shifter intended for use in LCD display applications such as TVs and monitors. The device converts the logic-level signals generated by the Timing Controller (T-CON) to the high-level signals used by the display panel.

The 9 level shifter channels are organized as two groups. Channels 1 through 7 are powered from VGH1 and VGL, and channels 8 and 9 are powered from VGH2 and VGL. Each level-shifter channel features low impedance output stages that achieve fast rise and fall times even when driving the capacitive loading typically present in LCD display applications.

Level shifter channels 1 through 6 support gate voltage shaping, which can be used to improve picture quality by reducing image sticking. Novel decoding logic enables a single flicker clock signal to control gate voltage shaping for all CLK channels without the need for synchronization. The device also supports the use of multiple flicker clocks. The rate of decay is set by an external resistor or resistor network connected to the RE pin.

A tenth level shifter channel specially configured with a comparator input stage allows designers to implement panel discharging during power-down.

The TPS65192 is a 9 channel level-shifter intended for use in LCD display applications such as TVs and monitors. The device converts the logic-level signals generated by the Timing Controller (T-CON) to the high-level signals used by the display panel.

The 9 level shifter channels are organized as two groups. Channels 1 through 7 are powered from VGH1 and VGL, and channels 8 and 9 are powered from VGH2 and VGL. Each level-shifter channel features low impedance output stages that achieve fast rise and fall times even when driving the capacitive loading typically present in LCD display applications.

Level shifter channels 1 through 6 support gate voltage shaping, which can be used to improve picture quality by reducing image sticking. Novel decoding logic enables a single flicker clock signal to control gate voltage shaping for all CLK channels without the need for synchronization. The device also supports the use of multiple flicker clocks. The rate of decay is set by an external resistor or resistor network connected to the RE pin.

A tenth level shifter channel specially configured with a comparator input stage allows designers to implement panel discharging during power-down.