0
TPS54360
  • TPS54360
  • TPS54360
  • TPS54360
  • TPS54360
  • TPS54360

TPS54360

ACTIVE

4.5V to 60 V Input, 3.5 A Step-Down Converter with Eco-mode

Texas Instruments TPS54360 Product Info

1 April 2026 0

Parameters

Rating

Catalog

Topology

Buck

Iout (max) (A)

3.5

Vin (max) (V)

60

Vin (min) (V)

4.5

Vout (max) (V)

58.8

Vout (min) (V)

0.8

Features

Enable, Frequency synchronization, Light Load Efficiency, Over Current Protection, UVLO adjustable

Control mode

current mode

Operating temperature range (°C)

-40 to 125

Iq (typ) (A)

0.000146

Duty cycle (max) (%)

98

Package

HSOIC (DDA)-8-29.4 mm² 4.9 x 6

Features

  • 4.5-V to 60-V (65-V Abs Max) Input Range
  • 3.5-A Continuous Current, 4.5-A Minimum Peak Inductor Current Limit
  • Current Mode Control DC/DC Converter
  • 92-mΩ High-Side MOSFET
  • High Efficiency at Light Loads with Pulse Skipping Eco-mode™
  • Low Dropout at Light Loads with Integrated BOOT Recharge FET
  • 146-µA Operating Quiescent Current
  • 2-µA Shutdown Current
  • 100-kHz to 2.5-MHz Fixed Switching Frequency
  • Synchronizes to External Clock
  • Adjustable UVLO Voltage and Hysteresis
  • Internal Soft Start
  • Accurate Cycle-by-Cycle Current Limit
  • Thermal, Overvoltage, and Frequency Foldback Protection
  • 0.8 V 1% Internal Voltage Reference
  • 8-Terminal HSOIC with PowerPAD™ Package
  • –40°C to 150°C TJ Operating Range
  • Create a Custom Design using the TPS54360 with the WEBENCH® Power Designer
  • 4.5-V to 60-V (65-V Abs Max) Input Range
  • 3.5-A Continuous Current, 4.5-A Minimum Peak Inductor Current Limit
  • Current Mode Control DC/DC Converter
  • 92-mΩ High-Side MOSFET
  • High Efficiency at Light Loads with Pulse Skipping Eco-mode™
  • Low Dropout at Light Loads with Integrated BOOT Recharge FET
  • 146-µA Operating Quiescent Current
  • 2-µA Shutdown Current
  • 100-kHz to 2.5-MHz Fixed Switching Frequency
  • Synchronizes to External Clock
  • Adjustable UVLO Voltage and Hysteresis
  • Internal Soft Start
  • Accurate Cycle-by-Cycle Current Limit
  • Thermal, Overvoltage, and Frequency Foldback Protection
  • 0.8 V 1% Internal Voltage Reference
  • 8-Terminal HSOIC with PowerPAD™ Package
  • –40°C to 150°C TJ Operating Range
  • Create a Custom Design using the TPS54360 with the WEBENCH® Power Designer

Description

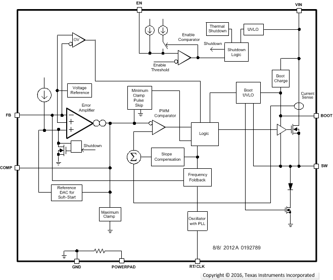
The TPS54360 is a 60-V, 3.5-A, step-down regulator with an integrated high side MOSFET. The device survives load dump pulses up to 65 V per ISO 7637. Current mode control provides simple external compensation and flexible component selection. A low ripple pulse skip mode reduces the no load supply current to 146 µA. Shutdown supply current is reduced to 2 µA when the enable pin is pulled low.

Undervoltage lockout is internally set at 4.3 V but can be increased using the enable pin. The output voltage start-up ramp is internally controlled to provide a controlled start-up and eliminate overshoot.

A wide switching frequency range allows either efficiency or external component size to be optimized. Frequency foldback and thermal shutdown protect internal and external components during an overload condition.

The TPS54360 is available in an 8-terminal thermally enhanced HSOIC PowerPAD™ package.

The TPS54360 is a 60-V, 3.5-A, step-down regulator with an integrated high side MOSFET. The device survives load dump pulses up to 65 V per ISO 7637. Current mode control provides simple external compensation and flexible component selection. A low ripple pulse skip mode reduces the no load supply current to 146 µA. Shutdown supply current is reduced to 2 µA when the enable pin is pulled low.

Undervoltage lockout is internally set at 4.3 V but can be increased using the enable pin. The output voltage start-up ramp is internally controlled to provide a controlled start-up and eliminate overshoot.

A wide switching frequency range allows either efficiency or external component size to be optimized. Frequency foldback and thermal shutdown protect internal and external components during an overload condition.

The TPS54360 is available in an 8-terminal thermally enhanced HSOIC PowerPAD™ package.

Subscribe to Welllinkchips !
Your Name
* Email
Submit a request