0
LM3699
  • LM3699
  • LM3699
  • LM3699

LM3699

ACTIVE

High-efficiency white LED driver

Texas Instruments LM3699 Product Info

1 April 2026 1

Parameters

Number of channels

3

Vin (min) (V)

2.7

Vin (max) (V)

5.5

Vout (min) (V)

0

Vout (max) (V)

24

Type

Inductive

Switching frequency (max) (kHz)

1120

Duty cycle (max) (%)

94

LED current per channel (mA)

20.2

Peak efficiency (%)

90

Topology

Boost

Features

CABC, Direct PWM Dimming, Enable/Shutdown, Integrated Switch, OVP, PWM control, Synchronous Rectification, Thermal shutdown

Operating temperature range (°C)

-40 to 125

Rating

Catalog

Package

DSBGA (YFQ)-12-2.52000000000000018 mm² 1.8 x 1.4000000000000001

Features

  • Drives Parallel High-Voltage LED Strings
    for Display or Keypad Lighting
  • Boost Converter up to 90% Efficiency
  • Four User-Selectable Full-Scale Current Settings
    (20.2 mA, 18.6 mA, 17.0 mA, 15.4 mA)
  • Quick-Dimming Enable Terminal (ILOW)
  • Simple PWM Duty Cycle Control
  • 24-V Overvoltage Protection Threshold
  • Fixed 1-MHz Switching Frequency
  • Integrated 1-A/40-V MOSFET
  • Three Current Sink Terminals
  • Adaptive Boost Output to LED Voltages
  • Thermal Shutdown Protection
  • 29-mm2 Total Solution Size
  • Drives Parallel High-Voltage LED Strings
    for Display or Keypad Lighting
  • Boost Converter up to 90% Efficiency
  • Four User-Selectable Full-Scale Current Settings
    (20.2 mA, 18.6 mA, 17.0 mA, 15.4 mA)
  • Quick-Dimming Enable Terminal (ILOW)
  • Simple PWM Duty Cycle Control
  • 24-V Overvoltage Protection Threshold
  • Fixed 1-MHz Switching Frequency
  • Integrated 1-A/40-V MOSFET
  • Three Current Sink Terminals
  • Adaptive Boost Output to LED Voltages
  • Thermal Shutdown Protection
  • 29-mm2 Total Solution Size

Description

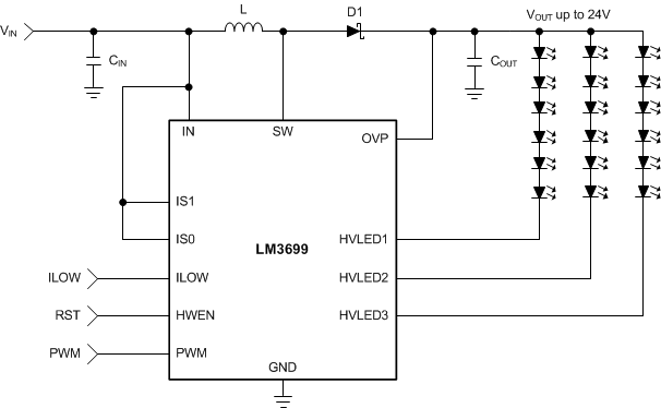
The LM3699 is a three-string, high-efficiency, PWM-controlled power source for display backlight or keypad LEDs in smartphone handsets. The high-voltage inductive boost converter with integrated 1-A, 40-V MOSFET provides the power for three series LED strings. The boost output automatically adjusts to LED forward voltage to minimize headroom voltage and effectively improve LED efficiency.

The ILOW terminal provides a method to quickly reduce LED brightness during camera flash operation.

The LM3699 has integrated overvoltage, overcurrent, and thermal protection.

The device operates over a 2.7-V to 5.5-V input voltage range and a −40°C to 85°C temperature range.

The LM3699 is a three-string, high-efficiency, PWM-controlled power source for display backlight or keypad LEDs in smartphone handsets. The high-voltage inductive boost converter with integrated 1-A, 40-V MOSFET provides the power for three series LED strings. The boost output automatically adjusts to LED forward voltage to minimize headroom voltage and effectively improve LED efficiency.

The ILOW terminal provides a method to quickly reduce LED brightness during camera flash operation.

The LM3699 has integrated overvoltage, overcurrent, and thermal protection.

The device operates over a 2.7-V to 5.5-V input voltage range and a −40°C to 85°C temperature range.

Subscribe to Welllinkchips !
Your Name
* Email
Submit a request