0
LM3525
  • LM3525
  • LM3525
  • LM3525

LM3525

ACTIVE

0.5A loading, 2.7-5.5V, 80mΩ USB power switch

Texas Instruments LM3525 Product Info

1 April 2026 0

Parameters

Product type

Fixed current limit, Power switch

Rating

Catalog

Continuous current (max) (A)

0.5

Current limit (A)

1

Number of switches

1

Enable

Active High, Active Low

Vin (max) (V)

5.5

Vin (min) (V)

2.7

Operating temperature range (°C)

-40 to 125

Current limit accuracy at 1 A

0.5

Package

SOIC (D)-8-29.4 mm² 4.9 x 6

Features

  • Compatible with USB1.1 and USB 2.0
  • 1 ms Fault Flag Delay During Hot-Plug Events
  • Smooth Turn-On Eliminates Inrush Induced Voltage Drop
  • UL Recognized Component: REF # 205202
  • 1A Nominal Short Circuit Output Current Protects Notebook PC Power Supplies
  • Thermal Shutdown Protects Device in Direct Short Condition
  • 500mA Minimum Continuous Load Current
  • Small SOIC-8 Package Minimizes Board Space
  • 2.7V to 5.5V Input Voltage Range
  • Switch Resistance ≤ 120 mΩ Max. at VIN = 5V
  • 1µA Max Standby Current
  • 100 µA Max Operating Current
  • Undervoltage Lockout (UVLO)

All trademarks are the property of their respective owners.

  • Compatible with USB1.1 and USB 2.0
  • 1 ms Fault Flag Delay During Hot-Plug Events
  • Smooth Turn-On Eliminates Inrush Induced Voltage Drop
  • UL Recognized Component: REF # 205202
  • 1A Nominal Short Circuit Output Current Protects Notebook PC Power Supplies
  • Thermal Shutdown Protects Device in Direct Short Condition
  • 500mA Minimum Continuous Load Current
  • Small SOIC-8 Package Minimizes Board Space
  • 2.7V to 5.5V Input Voltage Range
  • Switch Resistance ≤ 120 mΩ Max. at VIN = 5V
  • 1µA Max Standby Current
  • 100 µA Max Operating Current
  • Undervoltage Lockout (UVLO)

All trademarks are the property of their respective owners.

Description

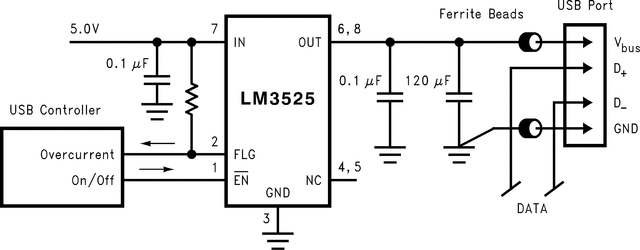
The LM3525 provides Universal Serial Bus standard power switch and over-current protection for all host port applications. The single port device is ideal for Notebook PC and Handheld PC applications that supply power to one port.

A 1 ms delay on fault flag output prevents erroneous overcurrent reporting caused by inrush currents during the hot-plug events.

The LM3525 accepts an input voltage between 2.7V and 5.5V allowing use as a device-based inrush current limiter for 3.3V USB peripherals, as well as Root and Self-Powered Hubs at 5.5V. The Enable input accepts both 3.3V and 5.0V logic thresholds.

The small size, low RON, and 1 ms fault flag delay make the LM3525 a good choice for root hubs as well as ganged power control in space-critical self-powered hubs.

The LM3525 provides Universal Serial Bus standard power switch and over-current protection for all host port applications. The single port device is ideal for Notebook PC and Handheld PC applications that supply power to one port.

A 1 ms delay on fault flag output prevents erroneous overcurrent reporting caused by inrush currents during the hot-plug events.

The LM3525 accepts an input voltage between 2.7V and 5.5V allowing use as a device-based inrush current limiter for 3.3V USB peripherals, as well as Root and Self-Powered Hubs at 5.5V. The Enable input accepts both 3.3V and 5.0V logic thresholds.

The small size, low RON, and 1 ms fault flag delay make the LM3525 a good choice for root hubs as well as ganged power control in space-critical self-powered hubs.

Subscribe to Welllinkchips !
Your Name
* Email
Submit a request