0
LM3423-Q1
  • LM3423-Q1
  • LM3423-Q1
  • LM3423-Q1
  • LM3423-Q1

LM3423-Q1

ACTIVE

Automotive N-channel constant current LED controller with series DIM FET driver and fault flag

Texas Instruments LM3423-Q1 Product Info

1 April 2026 1

Parameters

Number of channels

1

Topology

Boost Controller, Buck-Boost Controller, SEPIC Controller

Rating

Automotive

Operating temperature range (°C)

-40 to 150

Vin (min) (V)

4.5

Vin (max) (V)

75

Vout (min) (V)

3

Vout (max) (V)

72

Iout (max) (A)

5

Iq (typ) (mA)

2

Switching frequency (max) (kHz)

2000

Features

Adjustable Switch Frequency, Enable/Shutdown, Thermal shutdown

Package

HTSSOP (PWP)-20-41.6 mm² 6.5 x 6.4

Features

  • AEC Qualified for Automotive Applications
    • Device Temperature Grade 1: −40°C ≤ TA ≤ 125°C (LM3421-Q1 and LM3423-Q1)
    • Device Temperature Grade 0: −40°C ≤ TA ≤ 150°C (LM3421-Q0 and LM3423-Q0)
  • VIN Range From 4.5 V to 75 V
  • High-Side Adjustable Current Sense
  • 2-Ω, 1-A Peak MOSFET Gate Driver
  • Input Undervoltage and Output Overvoltage Protection
  • PWM and Analog Dimming
  • Cycle-by-Cycle Current Limit
  • Programmable Switching Frequency
  • Zero Current Shutdown and Thermal Shutdown
  • LED Output Status Flag (LM3423-Q1 and LM3423-Q0 Only)
  • Fault Status Flag and Timer(LM3423-Q1 and LM3423-Q0 Only)
  • AEC Qualified for Automotive Applications
    • Device Temperature Grade 1: −40°C ≤ TA ≤ 125°C (LM3421-Q1 and LM3423-Q1)
    • Device Temperature Grade 0: −40°C ≤ TA ≤ 150°C (LM3421-Q0 and LM3423-Q0)
  • VIN Range From 4.5 V to 75 V
  • High-Side Adjustable Current Sense
  • 2-Ω, 1-A Peak MOSFET Gate Driver
  • Input Undervoltage and Output Overvoltage Protection
  • PWM and Analog Dimming
  • Cycle-by-Cycle Current Limit
  • Programmable Switching Frequency
  • Zero Current Shutdown and Thermal Shutdown
  • LED Output Status Flag (LM3423-Q1 and LM3423-Q0 Only)
  • Fault Status Flag and Timer(LM3423-Q1 and LM3423-Q0 Only)

Description

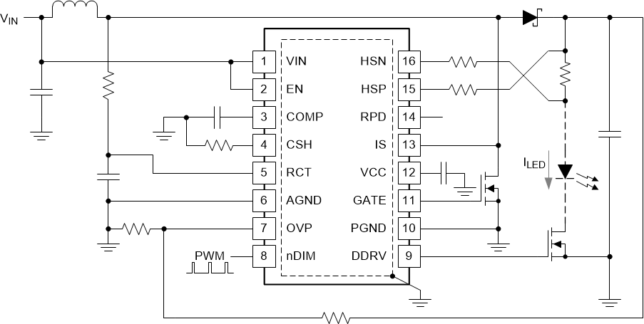
The LM3421-Q1 and LM3423-Q1 family of devices are versatile high voltage N-channel MOSFET controllers for LED drivers. They can be easily configured in buck, boost, buck-boost and SEPIC topologies. This flexibility, along with an input voltage rating of 75 V, makes the these controllers ideal for illuminating LEDs in a large family of applications.

Adjustable high-side current sense voltage allows for tight regulation of the LED current with the highest efficiency possible. The LM3421-Q1 and LM3423-Q1 devices use predictive off-time (PRO) control, which is a combination of peak current-mode control and a predictive off-timer. This method of control eases the design of loop compensation while providing inherent input voltage feed-forward compensation.

The LM3421-Q1 and LM3423-Q1 devices include a high-voltage start-up regulator that operates over a wide input range of 4.5 V to 75 V. The internal PWM controller is designed for adjustable switching frequencies of up to 2 MHz, thus enabling compact solutions.

The LM3421-Q1 and LM3423-Q1 family of devices are versatile high voltage N-channel MOSFET controllers for LED drivers. They can be easily configured in buck, boost, buck-boost and SEPIC topologies. This flexibility, along with an input voltage rating of 75 V, makes the these controllers ideal for illuminating LEDs in a large family of applications.

Adjustable high-side current sense voltage allows for tight regulation of the LED current with the highest efficiency possible. The LM3421-Q1 and LM3423-Q1 devices use predictive off-time (PRO) control, which is a combination of peak current-mode control and a predictive off-timer. This method of control eases the design of loop compensation while providing inherent input voltage feed-forward compensation.

The LM3421-Q1 and LM3423-Q1 devices include a high-voltage start-up regulator that operates over a wide input range of 4.5 V to 75 V. The internal PWM controller is designed for adjustable switching frequencies of up to 2 MHz, thus enabling compact solutions.

Subscribe to Welllinkchips !
Your Name
* Email
Submit a request