0
LM3280
  • LM3280
  • LM3280
  • LM3280
  • LM3280

LM3280

ACTIVE

Adjustable Step-Down DC-DC Converter and 3 LDOs for RF Power Management

Texas Instruments LM3280 Product Info

1 April 2026 0

Parameters

Rating

Catalog

Topology

Buck

Iout (max) (A)

0.5

Vin (max) (V)

5.5

Vin (min) (V)

2.7

Vout (max) (V)

3.6

Vout (min) (V)

0.8

Operating temperature range (°C)

-30 to 85

Package

DSBGA (YZR)-16-5.0625 mm² 2.25 x 2.25

Features

  • 2MHz (typ.) PWM Switching Frequency
  • Operates from a Single Li-Ion Cell (2.7V to 5.5V)
  • Adjustable Output Voltage (0.8V to 3.6V) DC-DC
  • High-Efficiency Synchronous Buck Converter
  • 300mA Maximum Load Capability (PWM Mode)
  • 500mA Maximum Load Capability (Bypass mode)
  • PWM, Forced and Automatic Bypass Mode
  • 3 Low-Dropout and Fast Transient Response LDOs
  • 16-pin DSBGA Package
  • Current Overload Protection
  • Thermal Overload Protection
  • 2MHz (typ.) PWM Switching Frequency
  • Operates from a Single Li-Ion Cell (2.7V to 5.5V)
  • Adjustable Output Voltage (0.8V to 3.6V) DC-DC
  • High-Efficiency Synchronous Buck Converter
  • 300mA Maximum Load Capability (PWM Mode)
  • 500mA Maximum Load Capability (Bypass mode)
  • PWM, Forced and Automatic Bypass Mode
  • 3 Low-Dropout and Fast Transient Response LDOs
  • 16-pin DSBGA Package
  • Current Overload Protection
  • Thermal Overload Protection

Description

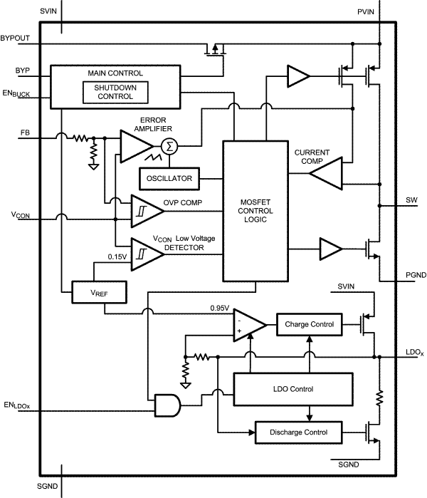
The LM3280 is a multi-functional Power Management Unit, optimized for low-power handheld applications such as Cellular Phones.

The LM3280 incorporates three low-dropout LDO voltage regulators and one step down PWM DC-DC converter with an internal Bypass FET. The step down converter's output voltage can be set using an analog input (VCON) for optimizing efficiency of the RF PA at various power levels. The LDO operates a nominal output voltage of 2.85V and maximum load current capability of 20mA for a reference voltage required by linear RF power amplifiers. The LM3280 additionally features a separate enable pin for each output.

The LM3280 is available in a 16-pin lead free DSBGA package.

The LM3280 is a multi-functional Power Management Unit, optimized for low-power handheld applications such as Cellular Phones.

The LM3280 incorporates three low-dropout LDO voltage regulators and one step down PWM DC-DC converter with an internal Bypass FET. The step down converter's output voltage can be set using an analog input (VCON) for optimizing efficiency of the RF PA at various power levels. The LDO operates a nominal output voltage of 2.85V and maximum load current capability of 20mA for a reference voltage required by linear RF power amplifiers. The LM3280 additionally features a separate enable pin for each output.

The LM3280 is available in a 16-pin lead free DSBGA package.

Subscribe to Welllinkchips !
Your Name
* Email
Submit a request