0
LM285-2.5
  • LM285-2.5
  • LM285-2.5
  • LM285-2.5

LM285-2.5

ACTIVE

2.5-V, –40°C to +85°C, micropower voltage reference

Texas Instruments LM285-2.5 Product Info

1 April 2026 1

Parameters

Rating

Catalog

VO (V)

2.5

Initial accuracy (max) (%)

1.5

Iz for regulation (min) (µA)

8

VO adj (min) (V)

2.5

VO adj (max) (V)

2.5

Reference voltage (V)

Fixed

Operating temperature range (°C)

-40 to 85

Iout/Iz (max) (mA)

20

Package

SOIC (D)-8-29.4 mm² 4.9 x 6

Features

  • Operating Current Range 20 µA to 20 mA
  • 1.5% and 3% Initial Voltage Tolerance
  • Reference Impedance
    • LM385 1 Ω Maximum at 25°C
    • All Devices 1.5 Ω Maximum Over Full Temperature Range
  • Very Low Power Consumption
  • Operating Current Range 20 µA to 20 mA
  • 1.5% and 3% Initial Voltage Tolerance
  • Reference Impedance
    • LM385 1 Ω Maximum at 25°C
    • All Devices 1.5 Ω Maximum Over Full Temperature Range
  • Very Low Power Consumption

Description

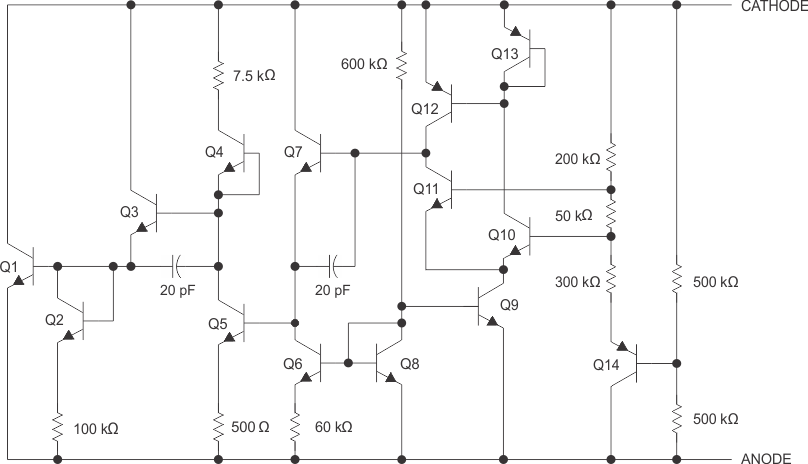
The LMx85-2.5 and LM385B are micropower, two-terminal, band-gap voltage references that operate over a 20-µA to 20-mA current range and feature exceptionally low dynamic impedance and good temperature stability. On-chip trimming provides tight voltage tolerance. The band-gap reference for these devices has low noise and long-term stability.

The design makes these devices exceptionally tolerant of capacitive loading and, thus, easier to use in most reference applications. The wide dynamic operating temperature range accommodates varying current supplies, with excellent regulation.

The extremely low power drain of this series makes these devices useful for micropower circuitry. These voltage references can be used to make portable meters, regulators, or general-purpose analog circuitry, with battery life approaching shelf life. The wide operating current range of these voltage references allows them to replace older references with tighter-tolerance parts.

The LMx85-2.5 and LM385B are micropower, two-terminal, band-gap voltage references that operate over a 20-µA to 20-mA current range and feature exceptionally low dynamic impedance and good temperature stability. On-chip trimming provides tight voltage tolerance. The band-gap reference for these devices has low noise and long-term stability.

The design makes these devices exceptionally tolerant of capacitive loading and, thus, easier to use in most reference applications. The wide dynamic operating temperature range accommodates varying current supplies, with excellent regulation.

The extremely low power drain of this series makes these devices useful for micropower circuitry. These voltage references can be used to make portable meters, regulators, or general-purpose analog circuitry, with battery life approaching shelf life. The wide operating current range of these voltage references allows them to replace older references with tighter-tolerance parts.

Subscribe to Welllinkchips !
Your Name
* Email
Submit a request