0
BQ40Z50-R1
  • BQ40Z50-R1
  • BQ40Z50-R1

BQ40Z50-R1

ACTIVE

1-4 series Li-ion battery pack manager supporting Turbo Mode 1.0

Texas Instruments BQ40Z50-R1 Product Info

1 April 2026 0

Parameters

Cell chemistry

Li-Ion/Li-Polymer, LiFePO4

Number of series cells

2-4 Cells, Single Cell

Communication interface

SMBus

Battery capacity (min) (mAh)

100

Battery capacity (max) (mAh)

65000

Implementation

Pack

External capacity indication

LED

Features

Cell balancing, Impedance Track™ algorithm, Integrated Protector, SHA-1 Authentication, Turbo Mode

Operating temperature range (°C)

-40 to 85

Cell balancing

External, Internal

Rating

Catalog

Package

VQFN (RSM)-32-16 mm² 4 x 4

Features

  • Fully Integrated 1-Series, 2-Series, 3-Series, and
    4-Series Li-Ion or Li-Polymer Cell Battery Pack
    Manager and Protection
  • Next-Generation Patented Impedance Track™
    Technology Accurately Measures Available
    Charge in Li-Ion and Li-Polymer Batteries
  • High Side N-CH Protection FET Drive
  • Integrated Cell Balancing While Charging or At
    Rest
  • Full Array of Programmable Protection Features
    • Voltage
    • Current
    • Temperature
    • Charge Timeout
    • CHG/DSG FETs
    • AFE
  • Sophisticated Charge Algorithms
    • JEITA
    • Enhanced Charging
    • Adaptive Charging
    • Cell Balancing
  • Supports TURBO BOOST Mode
  • Supports Battery Trip Point (BTP)
  • Diagnostic Lifetime Data Monitor and Black Box
    Recorder
  • LED Display
  • Supports Two-Wire SMBus v1.1 Interface
  • SHA-1 Authentication
  • Compact Package: 32-Lead QFN (RSM)
  • Fully Integrated 1-Series, 2-Series, 3-Series, and
    4-Series Li-Ion or Li-Polymer Cell Battery Pack
    Manager and Protection
  • Next-Generation Patented Impedance Track™
    Technology Accurately Measures Available
    Charge in Li-Ion and Li-Polymer Batteries
  • High Side N-CH Protection FET Drive
  • Integrated Cell Balancing While Charging or At
    Rest
  • Full Array of Programmable Protection Features
    • Voltage
    • Current
    • Temperature
    • Charge Timeout
    • CHG/DSG FETs
    • AFE
  • Sophisticated Charge Algorithms
    • JEITA
    • Enhanced Charging
    • Adaptive Charging
    • Cell Balancing
  • Supports TURBO BOOST Mode
  • Supports Battery Trip Point (BTP)
  • Diagnostic Lifetime Data Monitor and Black Box
    Recorder
  • LED Display
  • Supports Two-Wire SMBus v1.1 Interface
  • SHA-1 Authentication
  • Compact Package: 32-Lead QFN (RSM)

Description

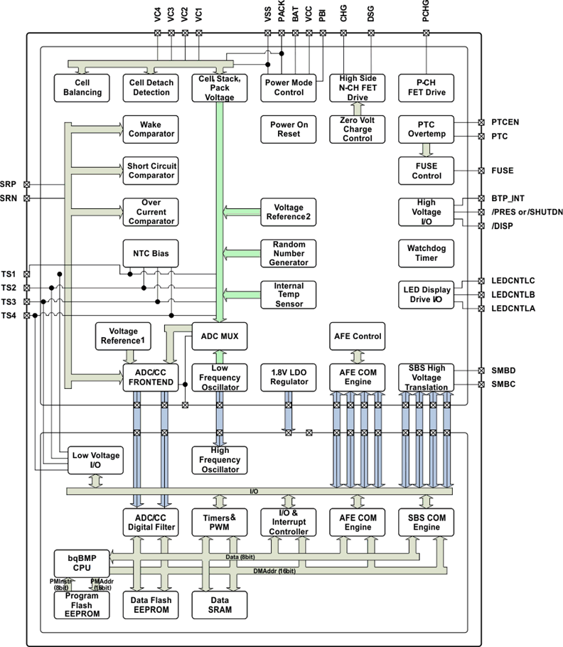
The bq40z50-R1 device, incorporating patented Impedance Track™ technology, is a fully integrated, single-chip, pack-based solution that provides a rich array of features for gas gauging, protection, and authentication for 1-series, 2-series, 3-series, and 4-series cell Li-Ion and Li-Polymer battery packs.

Using its integrated high-performance analog peripherals, the bq40z50-R1 device measures and maintains an accurate record of available capacity, voltage, current, temperature, and other critical parameters in Li-Ion or Li-Polymer batteries, and reports this information to the system host controller over an SMBus v1.1 compatible interface.

The bq40z50-R1 device supports TURBO BOOST mode by providing the available max power and max current to the host system. The device also supports Battery Trip Point to send a BTP interrupt signal to the host system at the pre-set state of charge thresholds.

The bq40z50-R1 provides software-based 1st- and 2nd-level safety protection against overvoltage, undervoltage, overcurrent, short-circuit current, overload, and overtemperature conditions, as well as other pack- and cell-related faults.

SHA-1 authentication, with secure memory for authentication keys, enables identification of genuine battery packs.

The compact 32-lead QFN package minimizes solution cost and size for smart batteries while providing maximum functionality and safety for battery gauging applications.

The bq40z50-R1 device, incorporating patented Impedance Track™ technology, is a fully integrated, single-chip, pack-based solution that provides a rich array of features for gas gauging, protection, and authentication for 1-series, 2-series, 3-series, and 4-series cell Li-Ion and Li-Polymer battery packs.

Using its integrated high-performance analog peripherals, the bq40z50-R1 device measures and maintains an accurate record of available capacity, voltage, current, temperature, and other critical parameters in Li-Ion or Li-Polymer batteries, and reports this information to the system host controller over an SMBus v1.1 compatible interface.

The bq40z50-R1 device supports TURBO BOOST mode by providing the available max power and max current to the host system. The device also supports Battery Trip Point to send a BTP interrupt signal to the host system at the pre-set state of charge thresholds.

The bq40z50-R1 provides software-based 1st- and 2nd-level safety protection against overvoltage, undervoltage, overcurrent, short-circuit current, overload, and overtemperature conditions, as well as other pack- and cell-related faults.

SHA-1 authentication, with secure memory for authentication keys, enables identification of genuine battery packs.

The compact 32-lead QFN package minimizes solution cost and size for smart batteries while providing maximum functionality and safety for battery gauging applications.

Subscribe to Welllinkchips !
Your Name
* Email
Submit a request