0
LM2754
  • LM2754
  • LM2754
  • LM2754
  • LM2754

LM2754

ACTIVE

800mA switched capacitor flash LED driver with Time-Out Protection

Texas Instruments LM2754 Product Info

1 April 2026 0

Parameters

Input voltage type

DC/DC

Topology

Charge pump, current mode

Vin (min) (V)

2.8

Vin (max) (V)

5.5

Vout (max) (V)

5.5

Vout (min) (V)

3

Iout (max) (A)

0.8

Iq (typ) (mA)

3.4

Features

Enable, True Shutdown

Operating temperature range (°C)

-40 to 85

Dimming method

Analog, PWM

Number of channels

4

Rating

Catalog

Package

WQFN (RTW)-24-16 mm² 4 x 4

Features

  • Up to 800mA Output Current
  • Wide Operating Input Voltage Range: 2.8V to 5.5V
  • Drives 1, 2, 3 or 4 LEDs in Parallel
  • Ability to Disable One Current Sink Via the SEL Pin to Accommodate 3-LED Flash Modules
  • Time-Out Circuitry Limits Flash Duration to 1 Second
  • TX Input Ensures Synchronization with RF Power Amplifier Pulse
  • Adaptive 1x, 1.5x and 2x Gains for Maximum Efficiency
  • 1MHz Constant Frequency Operation
  • Output Current Limit
  • True Shutdown Output Disconnect
  • <1µA Shutdown Current
  • Internal Soft-Start Limits Inrush Current
  • No Inductor Required
  • Total Solution Size without LED <28mm2
  • Low Profile 24-Pin WQFN Package (4mm x 4mm x 0.8mm)

All trademarks are the property of their respective owners.

  • Up to 800mA Output Current
  • Wide Operating Input Voltage Range: 2.8V to 5.5V
  • Drives 1, 2, 3 or 4 LEDs in Parallel
  • Ability to Disable One Current Sink Via the SEL Pin to Accommodate 3-LED Flash Modules
  • Time-Out Circuitry Limits Flash Duration to 1 Second
  • TX Input Ensures Synchronization with RF Power Amplifier Pulse
  • Adaptive 1x, 1.5x and 2x Gains for Maximum Efficiency
  • 1MHz Constant Frequency Operation
  • Output Current Limit
  • True Shutdown Output Disconnect
  • <1µA Shutdown Current
  • Internal Soft-Start Limits Inrush Current
  • No Inductor Required
  • Total Solution Size without LED <28mm2
  • Low Profile 24-Pin WQFN Package (4mm x 4mm x 0.8mm)

All trademarks are the property of their respective owners.

Description

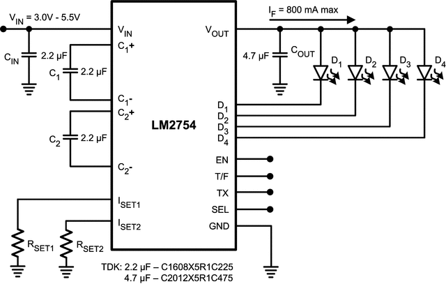
The LM2754 is an integrated low noise, high current switched capacitor DC/DC converter with four regulated current sinks. The device is optimized for driving 1 to 4 high power white LEDs in parallel with a maximum current of 800mA. Maximum efficiency is achieved over the input voltage range by actively selecting the proper gain based on the LED forward voltage and current requirements.

Two external low power resistors set the desired current for Torch and Flash modes. The TX pin allows the device to be forced into Torch mode during a Flash pulse, allowing for synchronization between the RF power amplifier pulse and Flash/Torch modes. To protect the device and Flash LEDs, internal Time-Out circuitry turns off the LM2754 in case of a faulty prolonged Flash mode. Internal soft-start circuitry limits the amount of inrush current during start-up.

The LM2754 is available in a small 24-pin thermally enhanced WQFN package.

The LM2754 is an integrated low noise, high current switched capacitor DC/DC converter with four regulated current sinks. The device is optimized for driving 1 to 4 high power white LEDs in parallel with a maximum current of 800mA. Maximum efficiency is achieved over the input voltage range by actively selecting the proper gain based on the LED forward voltage and current requirements.

Two external low power resistors set the desired current for Torch and Flash modes. The TX pin allows the device to be forced into Torch mode during a Flash pulse, allowing for synchronization between the RF power amplifier pulse and Flash/Torch modes. To protect the device and Flash LEDs, internal Time-Out circuitry turns off the LM2754 in case of a faulty prolonged Flash mode. Internal soft-start circuitry limits the amount of inrush current during start-up.

The LM2754 is available in a small 24-pin thermally enhanced WQFN package.

Subscribe to Welllinkchips !
Your Name
* Email
Submit a request