0
LM2660
  • LM2660
  • LM2660
  • LM2660
  • LM2660

LM2660

ACTIVE

100mA switched capacitor voltage converter

Texas Instruments LM2660 Product Info

1 April 2026 0

Parameters

Rating

Catalog

Iout (max) (A)

0.1

Vin (max) (V)

5.5

Vin (min) (V)

1.5

Vout (max) (V)

11

Vout (min) (V)

-5.5

Features

Enable, Unregulated

Operating temperature range (°C)

-40 to 85

Iq (typ) (A)

0.001

Package

SOIC (D)-8-29.4 mm² 4.9 x 6

Features

  • Inverts or Doubles Input Supply Voltage
  • Narrow SOIC and VSSOP Packages
  • 6.5-Ω Typical Output Resistance
  • 88% Typical Conversion Efficiency at 100 mA
  • Selectable Oscillator Frequency: 10 kHz/80 kHz
  • Optional External Oscillator Input
  • Inverts or Doubles Input Supply Voltage
  • Narrow SOIC and VSSOP Packages
  • 6.5-Ω Typical Output Resistance
  • 88% Typical Conversion Efficiency at 100 mA
  • Selectable Oscillator Frequency: 10 kHz/80 kHz
  • Optional External Oscillator Input

Description

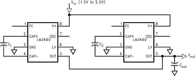
The LM2660 CMOS charge-pump voltage converter is a versatile unregulated switched capacitor inverter or doubler. Operating from a wide 1.5-V to 5.5-V supply voltage, the LM2660 uses two low-cost capacitors to provide 100 mA of output current without the cost, size and EMI related to inductor-based converters. With an operating current of only 120 µA and operating efficiency greater than 90% at most loads, the LM2660 provides ideal performance for battery-powered systems. LM2660 devices can be operated directly in parallel to lower output impedance, thus providing more current at a given voltage.

The FC (frequency control) pin selects between a nominal 10-kHz or 80-kHz oscillator frequency. The oscillator frequency can be lowered by adding an external capacitor to the OSC pin. Also, the OSC pin may be used to drive the LM2660 with an external clock up to 150 kHz. Through these methods, output ripple frequency and harmonics may be controlled.

Additionally, the LM2660 may be configured to divide a positive input voltage precisely in half. In this mode, input voltages as high as 11 V may be used.

The LM2660 CMOS charge-pump voltage converter is a versatile unregulated switched capacitor inverter or doubler. Operating from a wide 1.5-V to 5.5-V supply voltage, the LM2660 uses two low-cost capacitors to provide 100 mA of output current without the cost, size and EMI related to inductor-based converters. With an operating current of only 120 µA and operating efficiency greater than 90% at most loads, the LM2660 provides ideal performance for battery-powered systems. LM2660 devices can be operated directly in parallel to lower output impedance, thus providing more current at a given voltage.

The FC (frequency control) pin selects between a nominal 10-kHz or 80-kHz oscillator frequency. The oscillator frequency can be lowered by adding an external capacitor to the OSC pin. Also, the OSC pin may be used to drive the LM2660 with an external clock up to 150 kHz. Through these methods, output ripple frequency and harmonics may be controlled.

Additionally, the LM2660 may be configured to divide a positive input voltage precisely in half. In this mode, input voltages as high as 11 V may be used.

Subscribe to Welllinkchips !
Your Name
* Email
Submit a request