0
LM26001
  • LM26001
  • LM26001
  • LM26001
  • LM26001
  • LM26001

LM26001

ACTIVE

1.5A Switching Regulator with High Efficiency Sleep Mode

Texas Instruments LM26001 Product Info

1 April 2026 1

Parameters

Rating

Catalog

Topology

Buck

Iout (max) (A)

1.5

Vin (max) (V)

38

Vin (min) (V)

3

Vout (max) (V)

35

Vout (min) (V)

1.25

Features

Enable, Forced PWM, Frequency synchronization, Light-load efficiency, Overcurrent protection, Power good

Control mode

current mode

Operating temperature range (°C)

-40 to 125

Iq (typ) (A)

0.000038

Duty cycle (max) (%)

98

Package

HTSSOP (PWP)-16-32 mm² 5 x 6.4

Features

  • LM26001-Q1 is an Automotive-Grade Product that is AEC-Q100 Grade 1 Qualified (–40°C to +125°C Operating Junction Temperature)
  • High-Efficiency Sleep Mode
  • 40-µA Typical Iq in Sleep Mode
  • 10-µA Typical Iq in Shutdown Mode
  • 3.0-V Minimum Input Voltage
  • 4.0-V to 38-V Continuous Input Range
  • 1.5% Reference Accuracy
  • Cycle-by-Cycle Current Limit
  • Adjustable Frequency (150 kHz to 500 kHz)
  • Synchronizable to an External Clock
  • Power Good Flag
  • Forced PWM Function
  • Adjustable Soft-Start
  • HTSSOP-16 Exposed Pad Package
  • Thermal Shut Down
  • LM26001-Q1 is an Automotive-Grade Product that is AEC-Q100 Grade 1 Qualified (–40°C to +125°C Operating Junction Temperature)
  • High-Efficiency Sleep Mode
  • 40-µA Typical Iq in Sleep Mode
  • 10-µA Typical Iq in Shutdown Mode
  • 3.0-V Minimum Input Voltage
  • 4.0-V to 38-V Continuous Input Range
  • 1.5% Reference Accuracy
  • Cycle-by-Cycle Current Limit
  • Adjustable Frequency (150 kHz to 500 kHz)
  • Synchronizable to an External Clock
  • Power Good Flag
  • Forced PWM Function
  • Adjustable Soft-Start
  • HTSSOP-16 Exposed Pad Package
  • Thermal Shut Down

Description

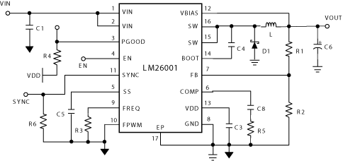
The LM26001 is a switching regulator designed for the high-efficiency requirements of applications with standby modes. The device features a low-current sleep mode to maintain efficiency under light-load conditions and current-mode control for accurate regulation over a wide input voltage range. Quiescent current is reduced to 10 µA typically in shutdown mode and less than 40 µA in sleep mode. Forced PWM mode is also available to disable sleep mode.

The LM26001 can deliver up to 1.5 A of continuous load current with a fixed current limit, through the internal N-channel switch. The part has a wide input voltage range of 4.0 V to 38 V and can operate with input voltages as low as 3 V during line transients.

Operating frequency is adjustable from 150 kHz to 500 kHz with a single resistor and can be synchronized to an external clock.

Other features include Power Good, adjustable soft-start, enable pin, input undervoltage protection, and an internal bootstrap diode for reduced component count.

For all available packages, see the orderable addendum at the end of the datasheet.

The LM26001 is a switching regulator designed for the high-efficiency requirements of applications with standby modes. The device features a low-current sleep mode to maintain efficiency under light-load conditions and current-mode control for accurate regulation over a wide input voltage range. Quiescent current is reduced to 10 µA typically in shutdown mode and less than 40 µA in sleep mode. Forced PWM mode is also available to disable sleep mode.

The LM26001 can deliver up to 1.5 A of continuous load current with a fixed current limit, through the internal N-channel switch. The part has a wide input voltage range of 4.0 V to 38 V and can operate with input voltages as low as 3 V during line transients.

Operating frequency is adjustable from 150 kHz to 500 kHz with a single resistor and can be synchronized to an external clock.

Other features include Power Good, adjustable soft-start, enable pin, input undervoltage protection, and an internal bootstrap diode for reduced component count.

For all available packages, see the orderable addendum at the end of the datasheet.

Subscribe to Welllinkchips !
Your Name
* Email
Submit a request