0
LM21215
  • LM21215
  • LM21215
  • LM21215
  • LM21215

LM21215

ACTIVE

2.95-5.5V, 15A, Voltage Mode Synchronous Buck Regulator with Adjustable Frequency

Texas Instruments LM21215 Product Info

1 April 2026 0

Parameters

Rating

Catalog

Topology

Buck

Iout (max) (A)

15

Vin (max) (V)

5.5

Vin (min) (V)

2.95

Vout (max) (V)

5.5

Vout (min) (V)

0.6

Switch current limit (typ) (A)

20

Features

Adjustable current limit, Enable, Power good, Pre-Bias Start-Up, Synchronous Rectification, Tracking

Control mode

Voltage mode

Operating temperature range (°C)

-40 to 125

Iq (typ) (A)

0.0015

Duty cycle (max) (%)

100

Package

HTSSOP (PWP)-20-41.6 mm² 6.5 x 6.4

Features

  • Integrated 7-mΩ high-side and 4.3-mΩ low-side FET switches
  • Adjustable current limit
  • Adjustable output voltage from 0.6 V to VIN (100% duty cycle capable), ±1% reference
  • 2.95-V to 5.5-V input voltage range
  • 500-kHz fixed switching frequency
  • Start-up into prebiased loads
  • Output voltage tracking capability
  • Wide bandwidth voltage loop error amplifier
  • Adjustable soft start with external capacitor
  • Precision enable pin with hysteresis
  • Integrated OVP, OTP, UVLO, and power good
  • Thermally enhanced 20-pin HTSSOP exposed pad package
  • Create a custom design using the LM21215 with the WEBENCH Power Designer
  • Integrated 7-mΩ high-side and 4.3-mΩ low-side FET switches
  • Adjustable current limit
  • Adjustable output voltage from 0.6 V to VIN (100% duty cycle capable), ±1% reference
  • 2.95-V to 5.5-V input voltage range
  • 500-kHz fixed switching frequency
  • Start-up into prebiased loads
  • Output voltage tracking capability
  • Wide bandwidth voltage loop error amplifier
  • Adjustable soft start with external capacitor
  • Precision enable pin with hysteresis
  • Integrated OVP, OTP, UVLO, and power good
  • Thermally enhanced 20-pin HTSSOP exposed pad package
  • Create a custom design using the LM21215 with the WEBENCH Power Designer

Description

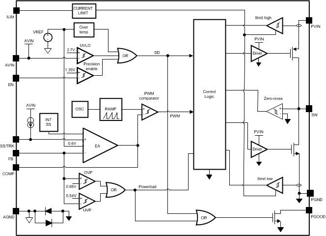
The LM21215 is a monolithic synchronous point-of-load buck regulator that is capable of delivering up to 15 A of continuous output current while producing an output voltage down to 0.6 V with outstanding efficiency. The device is optimized to work over an input voltage range of 2.95 V to 5.5 V, making it suitable for a wide variety of low voltage systems. The voltage mode control loop provides high noise immunity, narrow duty cycle capability and can be compensated to be stable with any type of output capacitance, providing maximum flexibility and ease of use.

The LM21215 features internal overvoltage protection (OVP) and resistor-programmable overcurrent protection (OCP) for increased system reliability. A precision enable pin and integrated UVLO allow turn-on of the device to be tightly controlled and sequenced. Start-up inrush currents are limited by both an internally fixed and externally adjustable soft-start circuit. Fault detection and supply sequencing are possible with the integrated power good circuit.

The LM21215 is designed to work well in multi-rail power supply architectures. The output voltage of the device can be configured to track an external voltage rail using the SS/TRK pin. If the output is prebiased at start-up, it will not sink current, allowing the output to smoothly rise past the prebiased voltage. The regulator is offered in a 20-pin HTSSOP package with an exposed pad that can be soldered to the PCB, eliminating the need for bulky heat sinks.

The LM21215 is a monolithic synchronous point-of-load buck regulator that is capable of delivering up to 15 A of continuous output current while producing an output voltage down to 0.6 V with outstanding efficiency. The device is optimized to work over an input voltage range of 2.95 V to 5.5 V, making it suitable for a wide variety of low voltage systems. The voltage mode control loop provides high noise immunity, narrow duty cycle capability and can be compensated to be stable with any type of output capacitance, providing maximum flexibility and ease of use.

The LM21215 features internal overvoltage protection (OVP) and resistor-programmable overcurrent protection (OCP) for increased system reliability. A precision enable pin and integrated UVLO allow turn-on of the device to be tightly controlled and sequenced. Start-up inrush currents are limited by both an internally fixed and externally adjustable soft-start circuit. Fault detection and supply sequencing are possible with the integrated power good circuit.

The LM21215 is designed to work well in multi-rail power supply architectures. The output voltage of the device can be configured to track an external voltage rail using the SS/TRK pin. If the output is prebiased at start-up, it will not sink current, allowing the output to smoothly rise past the prebiased voltage. The regulator is offered in a 20-pin HTSSOP package with an exposed pad that can be soldered to the PCB, eliminating the need for bulky heat sinks.

Subscribe to Welllinkchips !
Your Name
* Email
Submit a request