0
TPS43337-Q1
  • TPS43337-Q1
  • TPS43337-Q1

TPS43337-Q1

ACTIVE

Automotive 2V to 40V Low Iq Single Boost & Dual Fixed Output Voltage Synchronous Buck Controller

Texas Instruments TPS43337-Q1 Product Info

1 April 2026 1

Parameters

Processor supplier

Generic

Processor name

Generic

Product type

Microcontrollers

Regulated outputs (#)

3

Step-down DC/DC converter

0

Step-up DC/DC converter

0

LDO

0

Vin (min) (V)

2

Vin (max) (V)

40

Vout (min) (V)

1.235

Vout (max) (V)

10

Iout (max) (A)

6

Features

Enable, Overcurrent protection, Power good, Synchronous rectification, Thermal shutdown, UVLO fixed

Rating

Automotive

Operating temperature range (°C)

-40 to 125

Step-down DC/DC controller

2

Step-up DC/DC controller

1

Iq (typ) (mA)

0.034

Switching frequency (max) (kHz)

600

Shutdown current (ISD) (typ) (µA)

3

Package

HTSSOP (DAP)-38-101.25 mm² 12.5 x 8.1

Features

  • Qualified for Automotive Applications
  • AEC-Q100 Qualified With the Following Results:
    • Device Temperature Grade 1:
      –40°C to +125°C Ambient Operating Temperature
    • Device HBM ESD Classification Level H2
    • Device CDM ESD Classification Level C2
  • Two Synchronous Buck Controllers
  • BuckA: Fixed Output Voltage of 3.4 V
  • BuckB: Fixed Output Voltage of 1.235 V
  • One Pre-Boost Controller
  • Input Range up to 40 V, (Transients up to 60 V),
    Operation Down to 2 V When Boost Is Enabled
  • Low-Power Mode IQ:
    34 µA (One Buck On), 43 µA (Two Bucks On)
  • Low Shutdown Current Ish < 4 µA
  • Boost Output Selectable: 7 V, 8.85 V, or 10 V
  • Programmable Frequency and External Synchronization Range:
    150 to 600 kHz
  • Separate Enable Inputs (ENA, ENB, ENC)
  • Selectable Forced Continuous Mode or Automatic
    Low-Power Mode at Light Loads
  • Sense Resistor or Inductor DCR Sensing for Buck Controllers
  • Out-of-Phase Switching Between Buck Channels
  • Peak Gate Drive Current 1.5 A
  • Thermally Enhanced 38-Pin HTSSOP (DAP) PowerPAD Package
  • Qualified for Automotive Applications
  • AEC-Q100 Qualified With the Following Results:
    • Device Temperature Grade 1:
      –40°C to +125°C Ambient Operating Temperature
    • Device HBM ESD Classification Level H2
    • Device CDM ESD Classification Level C2
  • Two Synchronous Buck Controllers
  • BuckA: Fixed Output Voltage of 3.4 V
  • BuckB: Fixed Output Voltage of 1.235 V
  • One Pre-Boost Controller
  • Input Range up to 40 V, (Transients up to 60 V),
    Operation Down to 2 V When Boost Is Enabled
  • Low-Power Mode IQ:
    34 µA (One Buck On), 43 µA (Two Bucks On)
  • Low Shutdown Current Ish < 4 µA
  • Boost Output Selectable: 7 V, 8.85 V, or 10 V
  • Programmable Frequency and External Synchronization Range:
    150 to 600 kHz
  • Separate Enable Inputs (ENA, ENB, ENC)
  • Selectable Forced Continuous Mode or Automatic
    Low-Power Mode at Light Loads
  • Sense Resistor or Inductor DCR Sensing for Buck Controllers
  • Out-of-Phase Switching Between Buck Channels
  • Peak Gate Drive Current 1.5 A
  • Thermally Enhanced 38-Pin HTSSOP (DAP) PowerPAD Package

Description

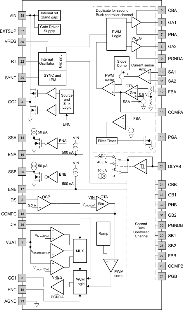
The TPS43337-Q1 includes two current-mode synchronous buck controllers and a voltage-mode boost controller. The device is ideally suited as a pre-regulator stage with low IQ requirements and for systems that must survive supply drops due to cranking events. The integrated boost controller allows the device to operate down to 2 V at the input without seeing a drop on the buck regulator output stages. At light loads, the buck controllers enable to operate automatically in low power-mode, consuming just 34 µA of quiescent current.

The buck controllers have independent soft-start capability and power-good indicators. Current foldback in the buck controllers and cycle-by-cycle current limitation in the boost controller provide external MOSFET protection. The switching frequency is programable over 150 to 600 kHz or is synchronized to an external clock in the same range

The TPS43337-Q1 includes two current-mode synchronous buck controllers and a voltage-mode boost controller. The device is ideally suited as a pre-regulator stage with low IQ requirements and for systems that must survive supply drops due to cranking events. The integrated boost controller allows the device to operate down to 2 V at the input without seeing a drop on the buck regulator output stages. At light loads, the buck controllers enable to operate automatically in low power-mode, consuming just 34 µA of quiescent current.

The buck controllers have independent soft-start capability and power-good indicators. Current foldback in the buck controllers and cycle-by-cycle current limitation in the boost controller provide external MOSFET protection. The switching frequency is programable over 150 to 600 kHz or is synchronized to an external clock in the same range

Subscribe to Welllinkchips !
Your Name
* Email
Submit a request