0
TPS548B27
  • TPS548B27
  • TPS548B27

TPS548B27

ACTIVE

2.7-V to 16-V, 20-A synchronous step-down converter with differential remote sense

Texas Instruments TPS548B27 Product Info

1 April 2026 1

Parameters

Rating

Catalog

Topology

Buck

Iout (max) (A)

20

Vin (max) (V)

16

Vin (min) (V)

2.7

Vout (max) (V)

5.5

Vout (min) (V)

0.6

Features

Adjustable current limit, Differential Remote Sense, Enable, Forced PWM, Light Load Efficiency, Over Current Protection, Power good, Pre-Bias Start-Up, Soft Start Adjustable, Synchronous Rectification, Tracking, UVLO Fixed

Control mode

D-CAP3

Operating temperature range (°C)

-40 to 125

Iq (typ) (A)

0.00068

Duty cycle (max) (%)

86

Package

VQFN-FCRLF (RYL)-19-12 mm² 4 x 3

Features

  • 4-V to 16-V input range, up to 20-A without external bias
  • 2.7-V to 16-V input range, up to 20-A with external bias ranging from 3.13 V to 3.6 V
  • Output voltage range: 0.6 V to 5.5 V
  • Integrated 7.7-mΩ and 2.4-mΩ MOSFETs support 20-A continuous output current
  • D-CAP3™ control mode with ultra-fast load-step response
  • Supports all ceramic output capacitors
  • Differential remote sense with 0.6-V ±1% VREF for –40°C to +125°C junction temperature
  • Auto-skip Eco-mode for high light-load efficiency
  • Programmable current limit with RTRIP
  • Pin-selectable switching frequency: 600 kHz, 800 kHz, 1 MHz
  • Differential remote sense for high output accuracy
  • Programmable soft-start time
  • External reference input for tracking
  • Prebiased start-up capability
  • Open-drain power-good output
  • Hiccup for OC, UV, and OV faults
  • 4-mm × 3-mm, 19-pin VQFN-FCRLF package
  • Fully RoHS-compliant without exemption
  • 4-V to 16-V input range, up to 20-A without external bias
  • 2.7-V to 16-V input range, up to 20-A with external bias ranging from 3.13 V to 3.6 V
  • Output voltage range: 0.6 V to 5.5 V
  • Integrated 7.7-mΩ and 2.4-mΩ MOSFETs support 20-A continuous output current
  • D-CAP3™ control mode with ultra-fast load-step response
  • Supports all ceramic output capacitors
  • Differential remote sense with 0.6-V ±1% VREF for –40°C to +125°C junction temperature
  • Auto-skip Eco-mode for high light-load efficiency
  • Programmable current limit with RTRIP
  • Pin-selectable switching frequency: 600 kHz, 800 kHz, 1 MHz
  • Differential remote sense for high output accuracy
  • Programmable soft-start time
  • External reference input for tracking
  • Prebiased start-up capability
  • Open-drain power-good output
  • Hiccup for OC, UV, and OV faults
  • 4-mm × 3-mm, 19-pin VQFN-FCRLF package
  • Fully RoHS-compliant without exemption

Description

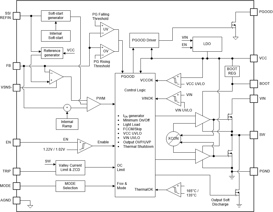
The TPS548B27 device is a small high-efficiency synchronous buck converter with an adaptive on-time D-CAP3 control mode. Because external compensation is not required, the device is easy-to-use and requires few external components. The device is well-suited for space-constrained data center applications.

The TPS548B27 device has differential remote sense, high-performance integrated MOSFETs, and an accurate ±1%, 0.6-V reference over the full operating junction temperature range. The device features fast load-transient response, accurate load regulation and line regulation, Skip mode or FCCM operation, and programmable soft start.

The TPS548B27 is a lead-free device. It is fully RoHS-compliant without exemption.

The TPS548B27 device is a small high-efficiency synchronous buck converter with an adaptive on-time D-CAP3 control mode. Because external compensation is not required, the device is easy-to-use and requires few external components. The device is well-suited for space-constrained data center applications.

The TPS548B27 device has differential remote sense, high-performance integrated MOSFETs, and an accurate ±1%, 0.6-V reference over the full operating junction temperature range. The device features fast load-transient response, accurate load regulation and line regulation, Skip mode or FCCM operation, and programmable soft start.

The TPS548B27 is a lead-free device. It is fully RoHS-compliant without exemption.

Subscribe to Welllinkchips !
Your Name
* Email
Submit a request