0
JFE2140
  • JFE2140
  • JFE2140
  • JFE2140
  • JFE2140
  • JFE2140
  • JFE2140

JFE2140

ACTIVE

Dual, ultra-low noise, low-gate-current audio N-channel JFET

Texas Instruments JFE2140 Product Info

1 April 2026 0

Parameters

Vn at 1 kHz (nV√Hz)

0.9

Breakdown voltage (V)

40

VDS (V)

40

VGS (V)

-40

VGSTH typ (typ) (V)

1.2

Rating

Catalog

Operating temperature range (°C)

-40 to 125

Package

SOIC (D)-8-29.4 mm² 4.9 x 6

Features

  • Ultra-low noise:
    • Voltage noise:
      • 0.9 nV/√ Hz at 1 kHz, I DS = 5 mA
      • 1.1 nV/√ Hz at 1 kHz, I DS = 2 mA
    • Current noise: 1.6 fA/√ Hz at 1 kHz
  • Low V GS mismatch: 4 mV (max)
  • Low gate current: 10 pA (max)
  • Low input capacitance: 13 pF at V DS = 5 V

  • High gate-to-drain and gate-to-source breakdown voltage: –40 V

  • High transconductance: 30 mS

  • Packages: SOIC, 2-mm × 2-mm WSON

  • Ultra-low noise:
    • Voltage noise:
      • 0.9 nV/√ Hz at 1 kHz, I DS = 5 mA
      • 1.1 nV/√ Hz at 1 kHz, I DS = 2 mA
    • Current noise: 1.6 fA/√ Hz at 1 kHz
  • Low V GS mismatch: 4 mV (max)
  • Low gate current: 10 pA (max)
  • Low input capacitance: 13 pF at V DS = 5 V

  • High gate-to-drain and gate-to-source breakdown voltage: –40 V

  • High transconductance: 30 mS

  • Packages: SOIC, 2-mm × 2-mm WSON

Description

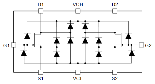
The JFE2140 is a Burr-Brown™ Audio, matched-pair discrete JFET built using Texas Instruments’ modern, high-performance, analog bipolar process. The JFE2140 features performance not previously available in older discrete JFET technologies. The JFE2140 offers excellent noise performance across all current ranges, where the quiescent current can be set by the user from 50 µA to 20 mA. When biased at 5 mA, the device yields 0.9 nV/√ Hz of input-referred noise, giving ultra-low noise performance with extremely high input impedance (> 1 TΩ). In addition, the matching between JFETs is tested to ±4 mV, providing low offset and high CMRR performance for differential pair configurations. The JFE2140 also features integrated diodes connected to separate clamp nodes to provide protection without the addition of high leakage, nonlinear external diodes.

The JFE2140 can withstand a high drain-to-source voltage of 40‑V, as well as gate-to-source and gate-to-drain voltages down to –40 V. The temperature range is specified from –40°C to +125°C.

The JFE2140 is a Burr-Brown™ Audio, matched-pair discrete JFET built using Texas Instruments’ modern, high-performance, analog bipolar process. The JFE2140 features performance not previously available in older discrete JFET technologies. The JFE2140 offers excellent noise performance across all current ranges, where the quiescent current can be set by the user from 50 µA to 20 mA. When biased at 5 mA, the device yields 0.9 nV/√ Hz of input-referred noise, giving ultra-low noise performance with extremely high input impedance (> 1 TΩ). In addition, the matching between JFETs is tested to ±4 mV, providing low offset and high CMRR performance for differential pair configurations. The JFE2140 also features integrated diodes connected to separate clamp nodes to provide protection without the addition of high leakage, nonlinear external diodes.

The JFE2140 can withstand a high drain-to-source voltage of 40‑V, as well as gate-to-source and gate-to-drain voltages down to –40 V. The temperature range is specified from –40°C to +125°C.

Subscribe to Welllinkchips !
Your Name
* Email
Submit a request