0
INA194
  • INA194
  • INA194

INA194

ACTIVE

-16 to 80V, 500kHz current sense amplifier

Texas Instruments INA194 Product Info

1 April 2026 0

Parameters

Product type

Analog output

Common-mode voltage (max) (V)

80

Common-mode voltage (min) (V)

-16

Input offset (±) (max) (µV)

2000

Input offset drift (±) (typ) (µV/°C)

2.5

Features

Low-side Capable

Rating

Catalog

Voltage gain (V/V)

50

CMRR (min) (dB)

100

Bandwidth (kHz)

300

Supply voltage (max) (V)

18

Supply voltage (min) (V)

2.7

Iq (max) (mA)

0.95

Number of channels

1

Comparators (#)

0

Gain error (%)

1

Gain error drift (±) (max) (ppm/°C)

100

Slew rate (V/µs)

1

Operating temperature range (°C)

-40 to 125

Package

SOT-23 (DBV)-5-8.12 mm² 2.9 x 2.8

Features

  • Wide Common-Mode Voltage:
    –16 V to +80 V
  • Low Error: 3.0% Over Temp (maximum)
  • Bandwidth: Up to 500 kHz
  • Three Transfer Functions Available: 20 V/V,
    50 V/V, and 100 V/V
  • Quiescent Current: 900 µA (maximum)
  • Complete Current Sense Solution
  • APPLICATIONS
    • Welding Equipment
    • Notebook Computers
    • Cell Phones
    • Telecom Equipment
    • Automotive
    • Power Management
    • Battery Chargers

All other trademarks are the property of their respective owners

  • Wide Common-Mode Voltage:
    –16 V to +80 V
  • Low Error: 3.0% Over Temp (maximum)
  • Bandwidth: Up to 500 kHz
  • Three Transfer Functions Available: 20 V/V,
    50 V/V, and 100 V/V
  • Quiescent Current: 900 µA (maximum)
  • Complete Current Sense Solution
  • APPLICATIONS
    • Welding Equipment
    • Notebook Computers
    • Cell Phones
    • Telecom Equipment
    • Automotive
    • Power Management
    • Battery Chargers

All other trademarks are the property of their respective owners

Description

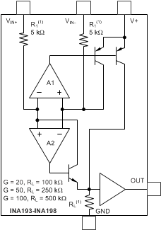
The INA193–INA198 family of current shunt monitors with voltage output can sense drops across shunts at common-mode voltages from –16 V to +80 V, independent of the INA19x supply voltage. They are available with three output voltage scales: 20 V/V, 50 V/V, and 100 V/V. The 500 kHz bandwidth simplifies use in current control loops. The INA193–INA195 devices provide identical functions but alternative pin configurations to the INA196–INA198 devices, respectively.

The INA193–INA198 devices operate from a single 2.7-V to 18-V supply, drawing a maximum of 900 µA of supply current. They are specified over the extended operating temperature range (–40°C to +125°C), and are offered in a space-saving SOT-23 package.

The INA193–INA198 family of current shunt monitors with voltage output can sense drops across shunts at common-mode voltages from –16 V to +80 V, independent of the INA19x supply voltage. They are available with three output voltage scales: 20 V/V, 50 V/V, and 100 V/V. The 500 kHz bandwidth simplifies use in current control loops. The INA193–INA195 devices provide identical functions but alternative pin configurations to the INA196–INA198 devices, respectively.

The INA193–INA198 devices operate from a single 2.7-V to 18-V supply, drawing a maximum of 900 µA of supply current. They are specified over the extended operating temperature range (–40°C to +125°C), and are offered in a space-saving SOT-23 package.

Subscribe to Welllinkchips !
Your Name
* Email
Submit a request