0
SN74HCS595
  • SN74HCS595
  • SN74HCS595
  • SN74HCS595
  • SN74HCS595
  • SN74HCS595
  • SN74HCS595

SN74HCS595

ACTIVE

8-bit shift register with Schmitt-trigger inputs and 3-state output registers

Texas Instruments SN74HCS595 Product Info

1 April 2026 1

Parameters

Configuration

Serial-in, Parallel-out

Bits (#)

8

Technology family

HCS

Supply voltage (min) (V)

2

Supply voltage (max) (V)

6

Input type

Schmitt-Trigger

Output type

3-State

Clock frequency (MHz)

75

IOL (max) (mA)

7.8

IOH (max) (mA)

-7.8

Supply current (max) (µA)

2

Features

Balanced outputs, High speed (tpd 10-50ns), Output register, Positive input clamp diode

Operating temperature range (°C)

-40 to 125

Rating

Catalog

Package

SOIC (D)-16-59.4 mm² 9.9 x 6

Features

  • Wide operating voltage range: 2 V to 6 V
  • Schmitt-trigger inputs allow for slow or noisy input signals
  • Low power consumption
    • Typical ICC of 100 nA
    • Typical input leakage current of ±100 nA
  • ±7.8-mA output drive at 6 V
  • Extended ambient temperature range: –40°C to +125°C, TA
  • Wide operating voltage range: 2 V to 6 V
  • Schmitt-trigger inputs allow for slow or noisy input signals
  • Low power consumption
    • Typical ICC of 100 nA
    • Typical input leakage current of ±100 nA
  • ±7.8-mA output drive at 6 V
  • Extended ambient temperature range: –40°C to +125°C, TA

Description

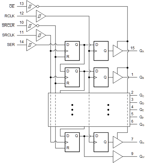
The SN74HCS595 device contains an 8-bit, serial-in, parallel-out shift register that feeds an 8-bit D-type storage register. All inputs include Schmitt-trigger architecture, eliminating any erroneous data outputs due to slow-edged or noisy input signals. The storage register has parallel 3-state outputs. Separate clocks are provided for both the shift and storage register. The shift register has a direct overriding clear (SRCLR) input, serial (SER) input, and a serial output (Q) for cascading. When the output-enable (OE) input is high, the storage register outputs are in a high-impedance state. Internal register data and serial output (Q) are not impacted by the operation of the OE input.

The SN74HCS595 device contains an 8-bit, serial-in, parallel-out shift register that feeds an 8-bit D-type storage register. All inputs include Schmitt-trigger architecture, eliminating any erroneous data outputs due to slow-edged or noisy input signals. The storage register has parallel 3-state outputs. Separate clocks are provided for both the shift and storage register. The shift register has a direct overriding clear (SRCLR) input, serial (SER) input, and a serial output (Q) for cascading. When the output-enable (OE) input is high, the storage register outputs are in a high-impedance state. Internal register data and serial output (Q) are not impacted by the operation of the OE input.

Subscribe to Welllinkchips !
Your Name
* Email
Submit a request