0
DS90LV019-MIL
  • DS90LV019-MIL

DS90LV019-MIL

ACTIVE

3.3-V or 5-V LVDS driver and receiver

Texas Instruments DS90LV019-MIL Product Info

1 April 2026 0

Parameters

Function

Transceiver

Protocols

LVDS

Number of transmitters

1

Number of receivers

1

Supply voltage (V)

3.3, 5

Signaling rate (Mbps)

100

Input signal

LVDS, LVTTL, TTL

Output signal

LVDS, LVTTL, TTL

Rating

Military

Operating temperature range (°C)

-40 to 85

Package

DIESALE (Y)-—-See data sheet

Features

  • LVDS Signaling
  • 3.3V or 5.0V operation
  • Low power CMOS design
  • Balanced Output Impedance
  • Glitch free power up/down (Driver disabled)
  • High Signaling Rate Capacity (above 100 Mbps)
  • Ultra Low Power Dissipation
  • ±1V Common-Mode Range
  • ±100 mV Receiver Sensitivity
  • Product offered in SOIC and TSSOP packages
  • Flow-Through Pin Out
  • Industrial Temperature Range Operation

TRI-STATE® is a registered trademark of National Semiconductor Corporation.

  • LVDS Signaling
  • 3.3V or 5.0V operation
  • Low power CMOS design
  • Balanced Output Impedance
  • Glitch free power up/down (Driver disabled)
  • High Signaling Rate Capacity (above 100 Mbps)
  • Ultra Low Power Dissipation
  • ±1V Common-Mode Range
  • ±100 mV Receiver Sensitivity
  • Product offered in SOIC and TSSOP packages
  • Flow-Through Pin Out
  • Industrial Temperature Range Operation

TRI-STATE® is a registered trademark of National Semiconductor Corporation.

Description

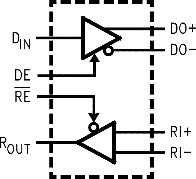
The DS90LV019 is a Driver/Receiver designed specifically for the high speed low power point-to-point interconnect applications. The device operates from a single 3.3V or 5.0V power supply and includes one differential line driver and one receiver. The DS90LV019 features an independent driver and receiver with TTL/CMOS compatibility (DIN and ROUT). The logic interface provides maximum flexibility as 4 separate lines are provided (DIN, DE, RE#, and ROUT). The device also features a flow-through pin out which allows easy PCB routing for short stubs between its pins and the connector. The driver has 3.5 mA output loop current.

The driver translates between TTL levels (single-ended) to Low Voltage Differential Signaling levels. This allows for high speed operation, while consuming minimal power with reduced EMI. In addition, the differential signaling provides common-mode noise rejection.

The receiver threshold is ±100 mV over a ±1V common-mode range and translates the low swing differential levels to standard (TTL/CMOS) levels.


The DS90LV019 is a Driver/Receiver designed specifically for the high speed low power point-to-point interconnect applications. The device operates from a single 3.3V or 5.0V power supply and includes one differential line driver and one receiver. The DS90LV019 features an independent driver and receiver with TTL/CMOS compatibility (DIN and ROUT). The logic interface provides maximum flexibility as 4 separate lines are provided (DIN, DE, RE#, and ROUT). The device also features a flow-through pin out which allows easy PCB routing for short stubs between its pins and the connector. The driver has 3.5 mA output loop current.

The driver translates between TTL levels (single-ended) to Low Voltage Differential Signaling levels. This allows for high speed operation, while consuming minimal power with reduced EMI. In addition, the differential signaling provides common-mode noise rejection.

The receiver threshold is ±100 mV over a ±1V common-mode range and translates the low swing differential levels to standard (TTL/CMOS) levels.


Subscribe to Welllinkchips !
Your Name
* Email
Submit a request