0
SN74LV393A-Q1
  • SN74LV393A-Q1
  • SN74LV393A-Q1
  • SN74LV393A-Q1

SN74LV393A-Q1

ACTIVE

Automotive Catalog Dual 4-Bit Binary Counters

Texas Instruments SN74LV393A-Q1 Product Info

1 April 2026 0

Parameters

Function

Counter

Bits (#)

4

Technology family

LV-A

Supply voltage (min) (V)

2

Supply voltage (max) (V)

5.5

Input type

Standard CMOS

Output type

Push-Pull

Features

Balanced outputs, Over-voltage tolerant inputs, Partial power down (Ioff), Very high speed (tpd 5-10ns)

Operating temperature range (°C)

-40 to 105

Rating

Automotive

Package

TSSOP (PW)-14-32 mm² 5 x 6.4

Features

  • VCC operation of 2 V to 5.5 V
  • Maximum tpd of 9.5 ns at 5 V
  • Typical VOLP (Output Ground Bounce) <0.8 V at VCC = 3.3 V, TA = 25°C
  • Typical VOHV (Output VOH Undershoot) >2.3 V at VCC = 3.3 V, TA = 25°C
  • Support Mixed-Mode Voltage Operation on All Ports
  • Ioff Supports Partial-Power-Down Mode Operation
  • Latch-up Performance Exceeds 250 mA Per JESD 17
  • VCC operation of 2 V to 5.5 V
  • Maximum tpd of 9.5 ns at 5 V
  • Typical VOLP (Output Ground Bounce) <0.8 V at VCC = 3.3 V, TA = 25°C
  • Typical VOHV (Output VOH Undershoot) >2.3 V at VCC = 3.3 V, TA = 25°C
  • Support Mixed-Mode Voltage Operation on All Ports
  • Ioff Supports Partial-Power-Down Mode Operation
  • Latch-up Performance Exceeds 250 mA Per JESD 17

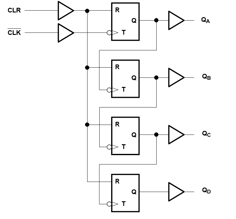
Description

The ’LV393A devices contain eight flip-flops and additional gating to implement two individual 4-bit counters in a single package. These devices are designed for 2 V to 5.5 V VCC operation.

The ’LV393A devices contain eight flip-flops and additional gating to implement two individual 4-bit counters in a single package. These devices are designed for 2 V to 5.5 V VCC operation.

Subscribe to Welllinkchips !
Your Name
* Email
Submit a request