0
OPA209
  • OPA209
  • OPA209
  • OPA209
  • OPA209
  • OPA209

OPA209

ACTIVE

Single, 2.2-nV/rtHz, 18-MHz, precision, RRO, 36-V operational amplifier

Texas Instruments OPA209 Product Info

1 April 2026 0

Parameters

Number of channels

1

Total supply voltage (+5 V = 5, ±5 V = 10) (max) (V)

36

Total supply voltage (+5 V = 5, ±5 V = 10) (min) (V)

4.5

Vos (offset voltage at 25°C) (max) (mV)

0.15

Offset drift (typ) (µV/°C)

1

Input bias current (max) (pA)

4500

GBW (typ) (MHz)

18

Slew rate (typ) (V/µs)

6.4

Rail-to-rail

Out

Iq per channel (typ) (mA)

2.2

Vn at 1 kHz (typ) (nV√Hz)

2.2

CMRR (typ) (dB)

130

Rating

Catalog

Operating temperature range (°C)

-40 to 125

Iout (typ) (A)

0.065

Architecture

Bipolar

Input common mode headroom (to negative supply) (typ) (V)

1.5

Input common mode headroom (to positive supply) (typ) (V)

-1.5

Output swing headroom (to negative supply) (typ) (V)

0.2

Output swing headroom (to positive supply) (typ) (V)

-0.2

THD + N at 1 kHz (typ) (%)

0.000025

Package

SOIC (D)-8-29.4 mm² 4.9 x 6

Features

  • Low Voltage Noise: 2.2 nV/√Hz at 1 kHz
  • 0.1-Hz to 10-Hz Noise: 130 nVPP
  • Low Quiescent Current: 2.5 mA/Ch (Maximum)
  • Low Offset Voltage: 150 µV (Maximum)
  • Gain Bandwidth Product: 18 MHz
  • Slew Rate: 6.4 V/µs
  • Wide Supply Range: ±2.25 V to ±18 V, 4.5 V to 36 V
  • Rail-to-Rail Output
  • Short-Circuit Current: ±65 mA
  • Available in 5-Pin SOT-23, 8-Pin MSOP, 8-Pin SOIC, and 14-Pin TSSOP Packages
  • APPLICATIONS
    • PLL Loop Filters
    • Low-Noise, Low-Power Signal Processing
    • Low-Noise Instrumentation Amplifiers
    • High-Performance ADC Drivers
    • High-Performance DAC Output Amplifiers
    • Active Filters
    • Ultrasound Amplifiers
    • Professional Audio Preamplifiers
    • Low-Noise Frequency Synthesizers
    • Infrared Detector Amplifiers
    • Hydrophone Amplifiers

All other trademarks are the property of their respective owners.

  • Low Voltage Noise: 2.2 nV/√Hz at 1 kHz
  • 0.1-Hz to 10-Hz Noise: 130 nVPP
  • Low Quiescent Current: 2.5 mA/Ch (Maximum)
  • Low Offset Voltage: 150 µV (Maximum)
  • Gain Bandwidth Product: 18 MHz
  • Slew Rate: 6.4 V/µs
  • Wide Supply Range: ±2.25 V to ±18 V, 4.5 V to 36 V
  • Rail-to-Rail Output
  • Short-Circuit Current: ±65 mA
  • Available in 5-Pin SOT-23, 8-Pin MSOP, 8-Pin SOIC, and 14-Pin TSSOP Packages
  • APPLICATIONS
    • PLL Loop Filters
    • Low-Noise, Low-Power Signal Processing
    • Low-Noise Instrumentation Amplifiers
    • High-Performance ADC Drivers
    • High-Performance DAC Output Amplifiers
    • Active Filters
    • Ultrasound Amplifiers
    • Professional Audio Preamplifiers
    • Low-Noise Frequency Synthesizers
    • Infrared Detector Amplifiers
    • Hydrophone Amplifiers

All other trademarks are the property of their respective owners.

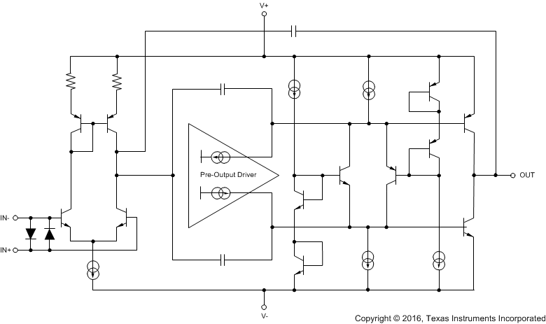
Description

The OPA209 series of precision operational amplifiers achieve very low voltage noise density (2.2 nV/√Hz) with a supply current of only 2.5 mA (maximum). This series also offers rail-to-rail output swing, which helps to maximize dynamic range.

In precision data acquisition applications, the OPA209 provides fast settling time to 16-bit accuracy, even for 10-V output swings. This excellent ac performance, combined with only 150 µV (maximum) of offset and low drift over temperature, makes the OPA209 very suitable for fast, high-precision applications.

The OPA209 is specified over a wide dual power-supply range of ±2.25 V to ±18 V, or single-supply operation from 4.5 V to 36 V.

The OPA209 is available in the 5-pin SOT-23, 8-pin VSSOP, and the standard 8-pin SOIC packages. The dual OPA2209 comes in both 8-pin VSSOP and 8-pin SOIC packages. The quad OPA4209 is available in the 14-pin TSSOP package.

The OPA209 series is specified from –40°C to 125°C.

The OPA209 series of precision operational amplifiers achieve very low voltage noise density (2.2 nV/√Hz) with a supply current of only 2.5 mA (maximum). This series also offers rail-to-rail output swing, which helps to maximize dynamic range.

In precision data acquisition applications, the OPA209 provides fast settling time to 16-bit accuracy, even for 10-V output swings. This excellent ac performance, combined with only 150 µV (maximum) of offset and low drift over temperature, makes the OPA209 very suitable for fast, high-precision applications.

The OPA209 is specified over a wide dual power-supply range of ±2.25 V to ±18 V, or single-supply operation from 4.5 V to 36 V.

The OPA209 is available in the 5-pin SOT-23, 8-pin VSSOP, and the standard 8-pin SOIC packages. The dual OPA2209 comes in both 8-pin VSSOP and 8-pin SOIC packages. The quad OPA4209 is available in the 14-pin TSSOP package.

The OPA209 series is specified from –40°C to 125°C.

Subscribe to Welllinkchips !
Your Name
* Email
Submit a request