0
OPA2317
  • OPA2317
  • OPA2317
  • OPA2317

OPA2317

ACTIVE

Dual, Low Offset, Rail-to-Rail I/O Operational Amplifier

Texas Instruments OPA2317 Product Info

1 April 2026 0

Parameters

Number of channels

2

Total supply voltage (+5 V = 5, ±5 V = 10) (max) (V)

5.5

Total supply voltage (+5 V = 5, ±5 V = 10) (min) (V)

1.8

Vos (offset voltage at 25°C) (max) (mV)

0.09

Offset drift (typ) (µV/°C)

0.05

GBW (typ) (MHz)

0.3

Features

EMI Hardened, Zero Drift

Slew rate (typ) (V/µs)

0.15

Rail-to-rail

In, Out

Iq per channel (typ) (mA)

0.021

Vn at 1 kHz (typ) (nV√Hz)

55

CMRR (typ) (dB)

108

Rating

Catalog

Operating temperature range (°C)

-40 to 125

Iout (typ) (A)

0.005

Architecture

CMOS

Input common mode headroom (to negative supply) (typ) (V)

-0.1

Input common mode headroom (to positive supply) (typ) (V)

0.1

Output swing headroom (to negative supply) (typ) (V)

0.03

Output swing headroom (to positive supply) (typ) (V)

-0.03

Package

SOIC (D)-8-29.4 mm² 4.9 x 6

Features

  • Supply Voltage: 1.8 V to 5.5 V
  • microPackages:
    • Single: SOT23-5, SC-70, SOIC-8
    • Dual: VSSOP-8, SOIC-8
    • Quad: SOIC-14, TSSOP-14
  • Low Offset Voltage: 20 µV (Typical)
  • CMRR: 108-dB (Typical) PSRR
  • Quiescent Current: 35 µA (Maximum)
  • Gain Bandwidth: 300 kHz
  • Rail-to-Rail Input and Output
  • Internal EMI and RFI Filtering
  • Supply Voltage: 1.8 V to 5.5 V
  • microPackages:
    • Single: SOT23-5, SC-70, SOIC-8
    • Dual: VSSOP-8, SOIC-8
    • Quad: SOIC-14, TSSOP-14
  • Low Offset Voltage: 20 µV (Typical)
  • CMRR: 108-dB (Typical) PSRR
  • Quiescent Current: 35 µA (Maximum)
  • Gain Bandwidth: 300 kHz
  • Rail-to-Rail Input and Output
  • Internal EMI and RFI Filtering

Description

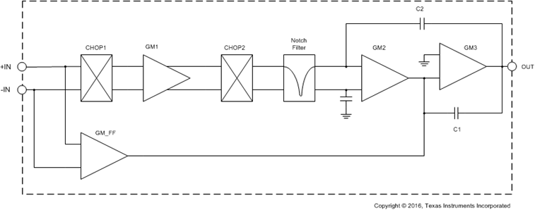
The OPA317 series of CMOS operational amplifiers offer precision performance at a very competitive price. These devices are members of the Zerø-Drift family of amplifiers that use a proprietary autocalibration technique to simultaneously provide low offset voltage (90 µV maximum) and near-zero drift over time and temperature at only 35 µA (maximum) of quiescent current.

The OPA317 family features rail-to-rail input and output in addition to near flat 1/f noise, making this amplifier ideal for many applications, and much easier to design into a system. These devices are optimized for low-voltage operation as low as 1.8 V (xC2±0.9 V) and up to 5.5 V (±2.75 V).

The OPA317 (single version) is available in the SC70-5, SOT23-5, and SOIC-8 packages. The OPA2317 (dual version) is offered in the VSSOP-8 and SOIC-8 packages. The OPA4317 is offered in the standard SOIC-14 and TSSOP-14 packages. All versions are specified for operation from –40°C to 125°C.

The OPA317 series of CMOS operational amplifiers offer precision performance at a very competitive price. These devices are members of the Zerø-Drift family of amplifiers that use a proprietary autocalibration technique to simultaneously provide low offset voltage (90 µV maximum) and near-zero drift over time and temperature at only 35 µA (maximum) of quiescent current.

The OPA317 family features rail-to-rail input and output in addition to near flat 1/f noise, making this amplifier ideal for many applications, and much easier to design into a system. These devices are optimized for low-voltage operation as low as 1.8 V (xC2±0.9 V) and up to 5.5 V (±2.75 V).

The OPA317 (single version) is available in the SC70-5, SOT23-5, and SOIC-8 packages. The OPA2317 (dual version) is offered in the VSSOP-8 and SOIC-8 packages. The OPA4317 is offered in the standard SOIC-14 and TSSOP-14 packages. All versions are specified for operation from –40°C to 125°C.

Subscribe to Welllinkchips !
Your Name
* Email
Submit a request