0
LM5064
  • LM5064
  • LM5064
  • LM5064
  • LM5064

LM5064

ACTIVE

-10-V to -80-V hot swap controller with PMBus

Texas Instruments LM5064 Product Info

1 April 2026 0

Parameters

Vabsmax_cont (V)

100

Vin (max) (V)

-10

Vin (min) (V)

-80

Current limit (min) (A)

0.01

Features

Adjustable OVLO, Adjustable soft start, Current monitoring, Fault output, Overcurrent protection, Overvoltage protection, PMBus, Power good signal, Short circuit protection, Thermal shutdown, adjustable UVLO

Overcurrent response

Circuit breaker, Current limiting

Fault response

Auto-retry, Latch-off

Overvoltage response

Cut-off

Rating

Catalog

Soft start

Adjustable

Quiescent current (Iq) (typ) (A)

0.006

Quiescent current (Iq) (max) (A)

0.008

Device type

eFuses and hot swap controllers

Operating temperature range (°C)

-40 to 125

Package

HTSSOP (PWP)-28-62.08 mm² 9.7 x 6.4

Features

  • Input Voltage Range: -10V to -80V
  • Programmable 26 mV or 50 mV Current Limit Threshold with Power Limiting (MOSFET Power Dissipation Limiting)
  • Real Time Monitoring of VIN, VOUT, IIN, PIN, VAUX with 12-Bit Resolution and 1 kHz Sampling Rate
  • Configurable Circuit Breaker Protection for Hard Shorts
  • Configurable Under-Voltage and Over-Voltage Protection
  • Remote Temperature Sensing with Programmable Warning and Shutdown Thresholds
  • Detection and Notification of Damaged MOSFET Condition
  • Power Measurement Accuracy: ±4.5% Over Temperature
  • True Input Power Averages Dynamic Power Readings
  • Averaging of VIN, IIN, PIN, and VOUT Over Programmable Interval Ranging from 0.001 to 4 Seconds
  • Programmable WARN and FAULT Thresholds with SMBA Notification
  • Black Box Capture of Telemetry Measurements and Device Status Triggered by WARN or FAULT Condition
  • I2C/SMBus Interface and PMBus Compliant Command Structure
  • Full Featured Application Development Software
  • HTSSOP-28 Package
  • Input Voltage Range: -10V to -80V
  • Programmable 26 mV or 50 mV Current Limit Threshold with Power Limiting (MOSFET Power Dissipation Limiting)
  • Real Time Monitoring of VIN, VOUT, IIN, PIN, VAUX with 12-Bit Resolution and 1 kHz Sampling Rate
  • Configurable Circuit Breaker Protection for Hard Shorts
  • Configurable Under-Voltage and Over-Voltage Protection
  • Remote Temperature Sensing with Programmable Warning and Shutdown Thresholds
  • Detection and Notification of Damaged MOSFET Condition
  • Power Measurement Accuracy: ±4.5% Over Temperature
  • True Input Power Averages Dynamic Power Readings
  • Averaging of VIN, IIN, PIN, and VOUT Over Programmable Interval Ranging from 0.001 to 4 Seconds
  • Programmable WARN and FAULT Thresholds with SMBA Notification
  • Black Box Capture of Telemetry Measurements and Device Status Triggered by WARN or FAULT Condition
  • I2C/SMBus Interface and PMBus Compliant Command Structure
  • Full Featured Application Development Software
  • HTSSOP-28 Package

Description

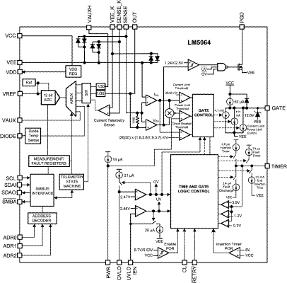
The LM5064 combines a high performance hot swap controller with a PMBusTM compliant SMBus/I2C interface to accurately measure, protect and control the electrical operating conditions of systems connected to a backplane power bus. The LM5064 continuously supplies real-time power, voltage, current, temperature and fault data to the system management host via the SMBus interface.

The LM5064 control block includes a unique hot swap architecture that provides current and power limiting to protect sensitive circuitry during insertion of boards into a live system backplane, or any other "hot" power source. A fast acting circuit breaker prevents damage in the event of a short circuit on the output. The input under-voltage and over-voltage levels and hysteresis are configurable, as well as the insertion delay time and fault detection time. A temperature monitoring block on the LM5064 interfaces with a low-cost external diode for monitoring the temperature of the external MOSFET or other thermally sensitive components. The PGD output provides a fast indicator when the input and/or output voltages are outside their programmed ranges.

The LM5064 monitoring circuit computes both the real-time and average values of subsystem operating parameters (VIN, IIN, PIN, VOUT) as well as the peak power. Accurate power averaging is accomplished by averaging the product of the input voltage and current. A black box (Telemetry/Fault Snapshot) function captures and stores telemetry data and device status in the event of a warning or a fault.

The LM5064 combines a high performance hot swap controller with a PMBusTM compliant SMBus/I2C interface to accurately measure, protect and control the electrical operating conditions of systems connected to a backplane power bus. The LM5064 continuously supplies real-time power, voltage, current, temperature and fault data to the system management host via the SMBus interface.

The LM5064 control block includes a unique hot swap architecture that provides current and power limiting to protect sensitive circuitry during insertion of boards into a live system backplane, or any other "hot" power source. A fast acting circuit breaker prevents damage in the event of a short circuit on the output. The input under-voltage and over-voltage levels and hysteresis are configurable, as well as the insertion delay time and fault detection time. A temperature monitoring block on the LM5064 interfaces with a low-cost external diode for monitoring the temperature of the external MOSFET or other thermally sensitive components. The PGD output provides a fast indicator when the input and/or output voltages are outside their programmed ranges.

The LM5064 monitoring circuit computes both the real-time and average values of subsystem operating parameters (VIN, IIN, PIN, VOUT) as well as the peak power. Accurate power averaging is accomplished by averaging the product of the input voltage and current. A black box (Telemetry/Fault Snapshot) function captures and stores telemetry data and device status in the event of a warning or a fault.

Subscribe to Welllinkchips !
Your Name
* Email
Submit a request